

作品包括:
Word版说明书1份,共30页,约10000字
PPT答辩一份
CAD版本图纸,共7张

摘要
长半径弯头(long radius elbow)是修改管路放向的管件存在于管路的系统里面,被广泛的应用在化工、石油、冶金、国防、轻工等工业中。在准备使用弯头之前需要加工坡口来使弯头在焊接时候更加紧固。国内现在一般的管道施工中,坡口加工都采用氧气-乙炔焰高温切割和手工砂轮打磨的方法。但是温升会因为手工砂轮对坡口的打磨而存在,产生热影响区,产生微裂纹并形成隐患。手工操作也会让坡口的尺寸、表面质量和形式不易保证。综合对比下,美国的坡口机材质优秀,意大利的坡口机工作稳定,日本的坡口机安全便捷,而在我国目前较落后的机身材质研究以及结构设计情况下,需学习国外先进技术,加大对弯头坡口机的研究与开发。我国现在一般制造厂内对弯头坡口的加工尚没有专用设备,加工设备复杂,没有良好安全措施。目前我国对长半径弯头坡口的研究优化变化不大,很多制造厂仍然按照落后的切割办法对弯头坡口进行加工。本文是负责研究给90°长半径弯头设计加工坡口装置。坡口装置主要由夹具、切割刀具、减速器和电动机组成。综合考虑其加工应用面、加工对象、加工精度、切割方式、安全以及成本,设计出符合我国当前现状的90°长半径弯头坡口装置。
关键词:长半径弯头;坡口装置;夹具;减速器
目录
绪论1
第一章坡口装置的总体设计2
1.1坡口装置总体方案设计的依据2
1.2工艺分析2
1.3坡口装置主要参数的确定3
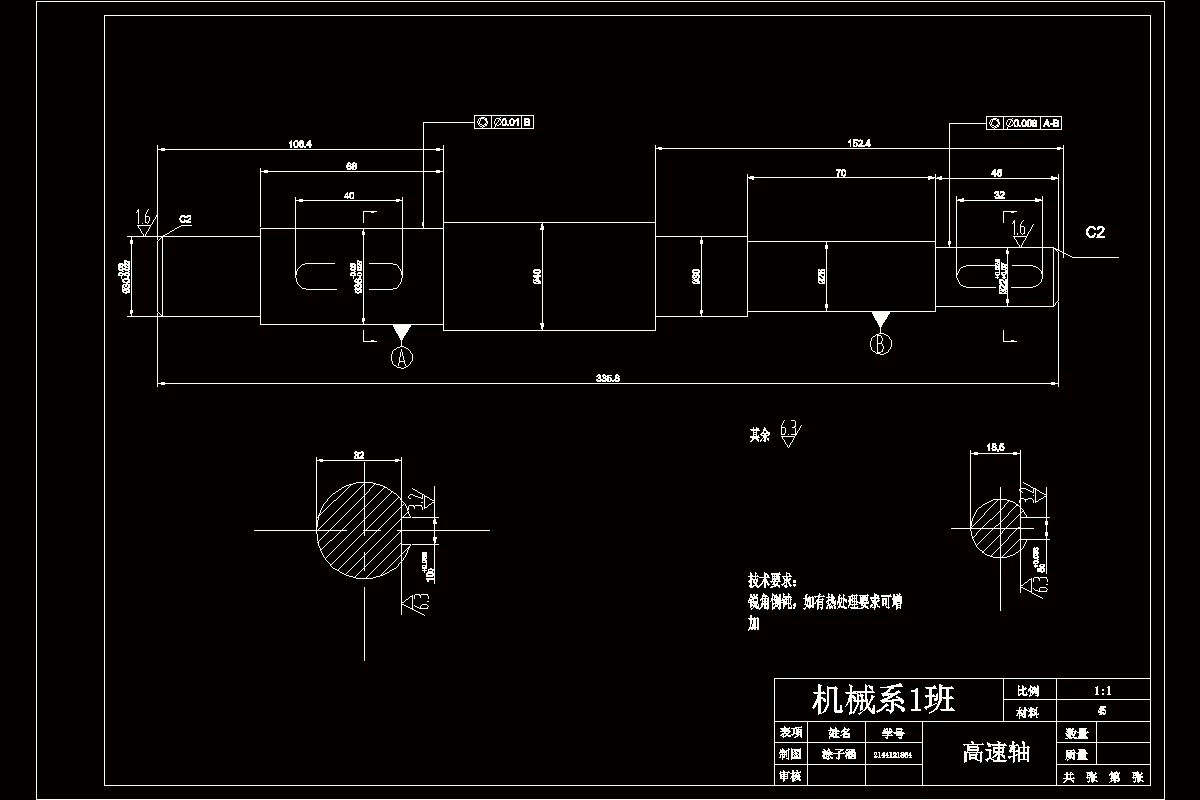
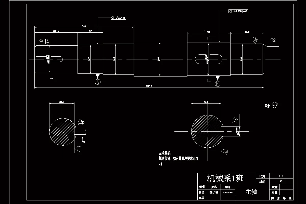
第二章坡口装置的传动部分设计7
2.1传动部分的设计7
2.2传动轴最小直径的计算8
2.3带的设计选择8
2.4齿轮的选取和设计12
第三章坡口装置的机械部分设计24
3.1轴承的选取24
3.2刀盘的设计24
3.3进给装置设计24
总结25
参考文献26
致谢27
温馨提示:
1、题目前面的备注【字母数字编号】为本站整理分类的编号,与课题内容无关,请选题时忽视;
2、若题目上备注三维,则表示文件里包含三维源文件,由于三维组成零件数量较多,为保证预览截图的简洁性,本站将三维文件夹进行了打包。三维及CAD预览截图,均为本站电脑打开软件进行截图的,保证能够打开,下载原件超高清,下载后解压即可;
3、本站所有资源如无特殊说明,都需要本地电脑安装Office2007。图纸软件为AutoCAD,PROE,UG,SolidWorks,CATIA等;
4、本站所有图文资料仅供用户学习参考,不作为任何商用或其他用途;
5、本站不保证下载资源的准确性、安全性和完整性, 不包修改,不支持退换,同时也不承担用户因使用这些下载资源对自己和他人造成任何形式的伤害或损失;
6、 下载文件中如有侵权或不适当内容,请与我们联系,我们立即纠正。