

作品包括:
Word版说明书1份,共32页,约13000字
任务书一份
CAD版本图纸,共4张

摘要
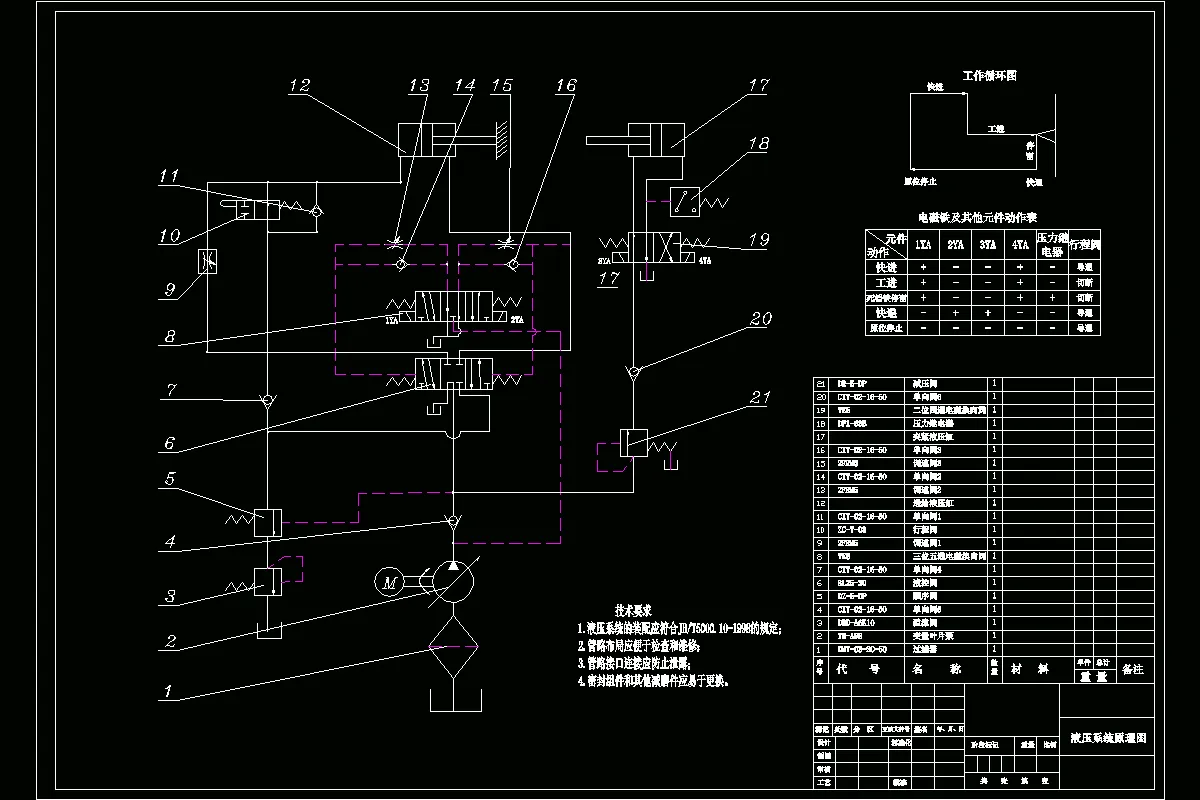
本文主要研究的是单轴组合机床的液压系统的设计。本文在查阅相关资料的基础上,对组合机床的发展现状及发展趋势做了一定的了解,对液压技术进行深入的研究,液压传动系统的设计需要与组合机床的总体设计同时进行。拟定液压系统原理图是设计液压系统的关键,包括两项内容:1、分析对比选出合适的液压回路:根据工况图上压力、流量、工作平稳性等方面的要求,选择各回路及相关的液压元件。
为实现该组合机床动作的自动化,以液压系统的工作原理为基础,对该机床电气控制系统进行设计,设计出电气控制原理图、工作循环图、电磁铁动作表等;通过PLC编程,绘制出梯形图、I/O分配表、指令表、PLC外部接线图等,以实现自动控制。
温馨提示:
1、题目前面的备注【字母数字编号】为本站整理分类的编号,与课题内容无关,请选题时忽视;
2、若题目上备注三维,则表示文件里包含三维源文件,由于三维组成零件数量较多,为保证预览截图的简洁性,本站将三维文件夹进行了打包。三维及CAD预览截图,均为本站电脑打开软件进行截图的,保证能够打开,下载原件超高清,下载后解压即可;
3、本站所有资源如无特殊说明,都需要本地电脑安装Office2007。图纸软件为AutoCAD,PROE,UG,SolidWorks,CATIA等;
4、本站所有图文资料仅供用户学习参考,不作为任何商用或其他用途;
5、本站不保证下载资源的准确性、安全性和完整性, 不包修改,不支持退换,同时也不承担用户因使用这些下载资源对自己和他人造成任何形式的伤害或损失;
6、 下载文件中如有侵权或不适当内容,请与我们联系,我们立即纠正。