

作品包括:
Word版说明书1份,共41页
任务书一份
CAD版本图纸,共5张
摘要
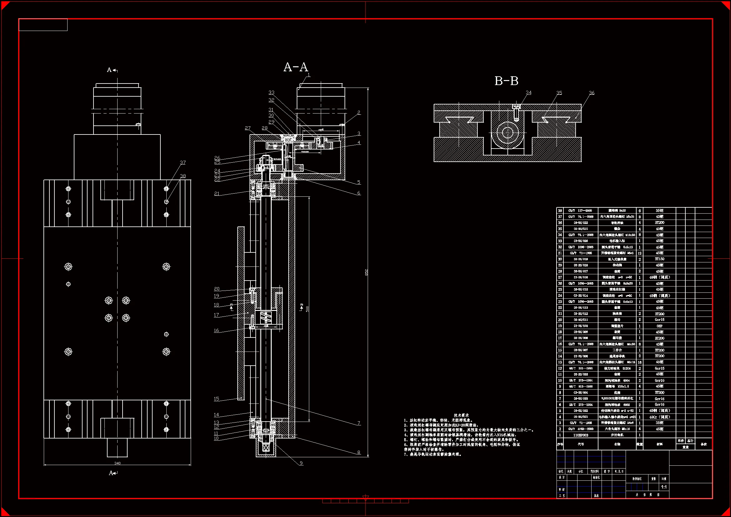
本文设计的是三轴可调立式钻床机械结构(齿轮调节式)。在钻头架圆周的三个方向均匀分布着三根轴,根据行星齿轮传动原理而设计的钻头架可以满足大批、大量零件的生产加工。 三轴钻头架的设计参数根据查找的参数资料以及参考国内外同类型多轴可调立式钻床的钻头架布局。针对毕设原始资料中给出的钻床加工的最大钻孔直径φ12mm。工厂在进行多孔钻削时,大部分材料是铸铁的待加工工件是壳体、法兰等铸造件。同时也有个别材料是低碳钢的被加工零件。根据工件的切削条件,可以确定三轴钻头架的工艺主参数。 整体设计完成后,了解到三个孔的钻、扩、铰等工序可以同时在三轴可调立式钻床上完成,通过调节钻头架的钻头上方的小齿轮(卫星齿轮)进行设计范围内的任意调节(直径调节范围120-300mm),并且工艺范围满足一般加工情况的孔类钻削要求。三轴可调立式钻床可以起到提高生产率、降低成本、提高孔系加工精度等作用。
温馨提示:
1、题目前面的备注【字母数字编号】为本站整理分类的编号,与课题内容无关,请选题时忽视;
2、若题目上备注三维,则表示文件里包含三维源文件,由于三维组成零件数量较多,为保证预览截图的简洁性,本站将三维文件夹进行了打包。三维及CAD预览截图,均为本站电脑打开软件进行截图的,保证能够打开,下载原件超高清,下载后解压即可;
3、本站所有资源如无特殊说明,都需要本地电脑安装Office2007。图纸软件为AutoCAD,PROE,UG,SolidWorks,CATIA等;
4、本站所有图文资料仅供用户学习参考,不作为任何商用或其他用途;
5、本站不保证下载资源的准确性、安全性和完整性, 不包修改,不支持退换,同时也不承担用户因使用这些下载资源对自己和他人造成任何形式的伤害或损失;
6、 下载文件中如有侵权或不适当内容,请与我们联系,我们立即纠正。