

作品包括:
Word版说明书1份,共38页,约15000字
任务书一份
开题报告一份
外文翻译一份
CAD版本图纸,共11张


摘要
在汽车零配件加工生产的过程中,如果使用人工上下料,则其不仅劳动强度大,而且效率低,工作环境也较差,有诸多不足。而使用自动上下料装置,则具有传送快速、定位精度高以及可以长时间连续作业,大大提高了生产效率。
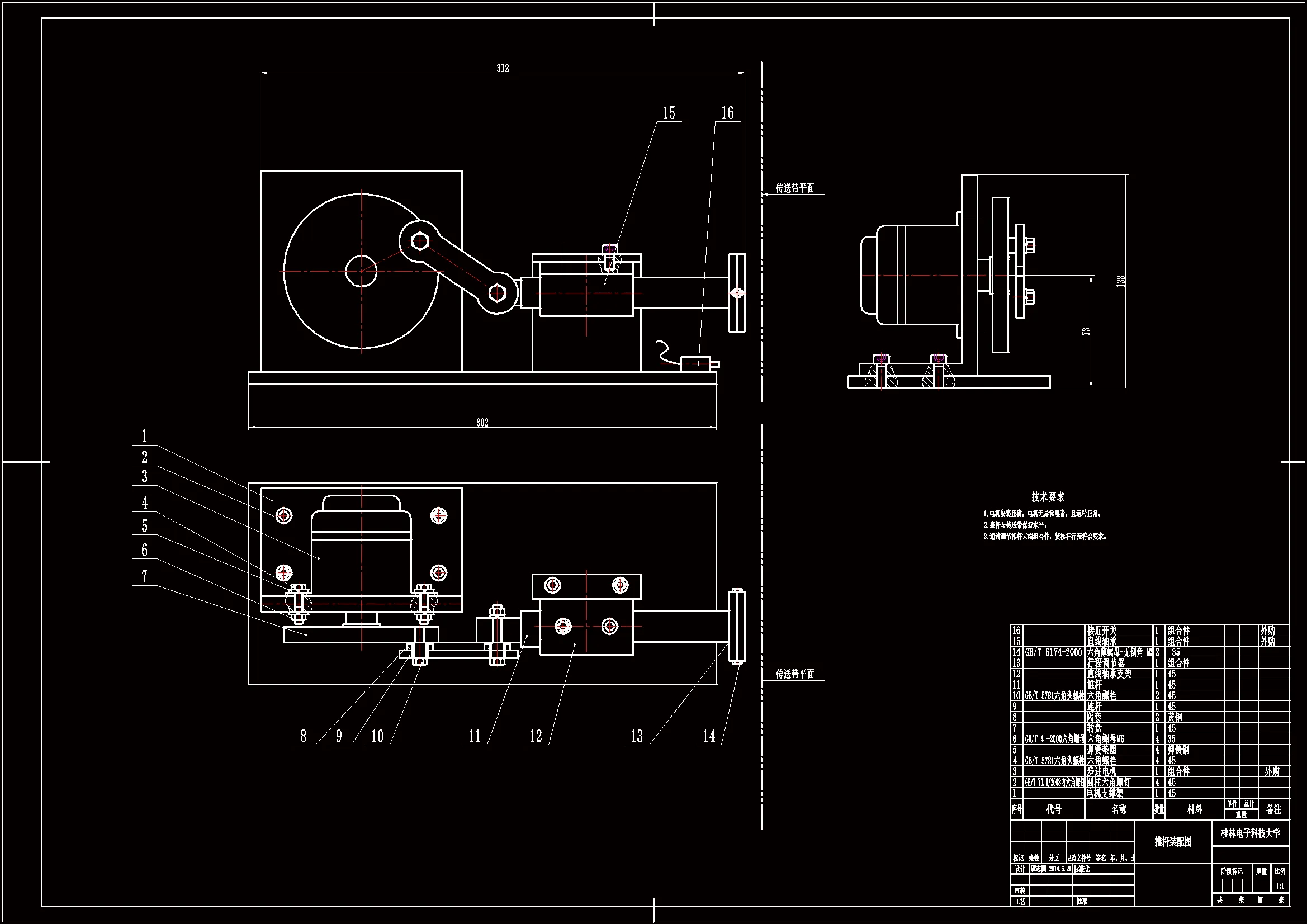
本文拟设计一个适合于发动机配件生产线自动上料系统,该系统主要包括链传动系统和偏置曲柄滑块推杆机构两个部分。
在链传动系统中,选用合适的三相异步电机和与之匹配的减速器,再选择合适的间歇分割器,实现间歇传动,再通过一组链传动,从而实现预定减速。链传送带上的链条选择带翼的08B链条,翼上可以安装托盘,托盘上放置运输件,当链条转动时可以实现运输上料,链传送带上有张装置,可以保证从动链轮与主动轮在同一水平线上,且能保证链条的张紧。
在偏置曲柄滑块推杆结构中,在推杆位置末端放置接近开关传感器,当输送件到达指定位置时,接近开关感应输出信号给予步进电机信号,步进电机转动,带动设计的偏置曲柄滑块机构实现直线运动,完成推杆动作。设计的链传动与推杆形成配合完成自动上料系统。
关键词:发动机配件:自动上料:间歇:链传动;偏置曲柄滑块机构;
目录
目录III
1引言1
1.1自动送料机构的背景与发展前景1
2总体方案设计3
2.1课题设计方案对比3
2..1.1方案一3
2.1.2方案二4
2.1.3方案三5
2.2总方案结构设计思路6
3机械元件的选择与设计计算7
3.1链传动系统设计7
3.1.1链条的选择7
3.1.2链轮的设计与计算10
3.1.3链轮的连接与装配15
3.1.4轴的校核15
3.1.5链轮张紧装置的设计17
3.1.6链传送带框架设计17
3.1.7托盘设计18
3.1.8顶梁杆设计19
3.1.9调节杆设计19
3.1.10支撑钢板设计20
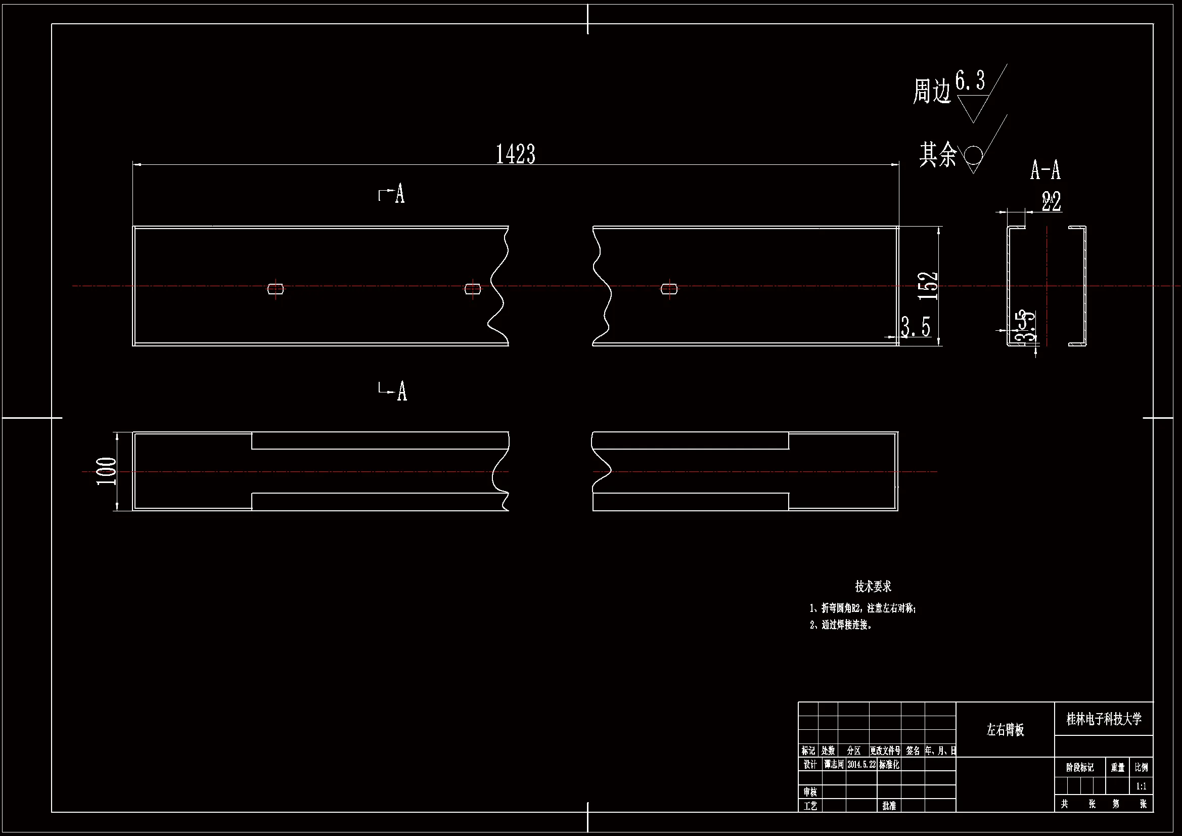
3.1.11臂板设计21
3.2推杆的设计与计算21
3.2.1推杆行程计算22
3.2.2曲柄连杆的设计22
3.2.3垫片设计23
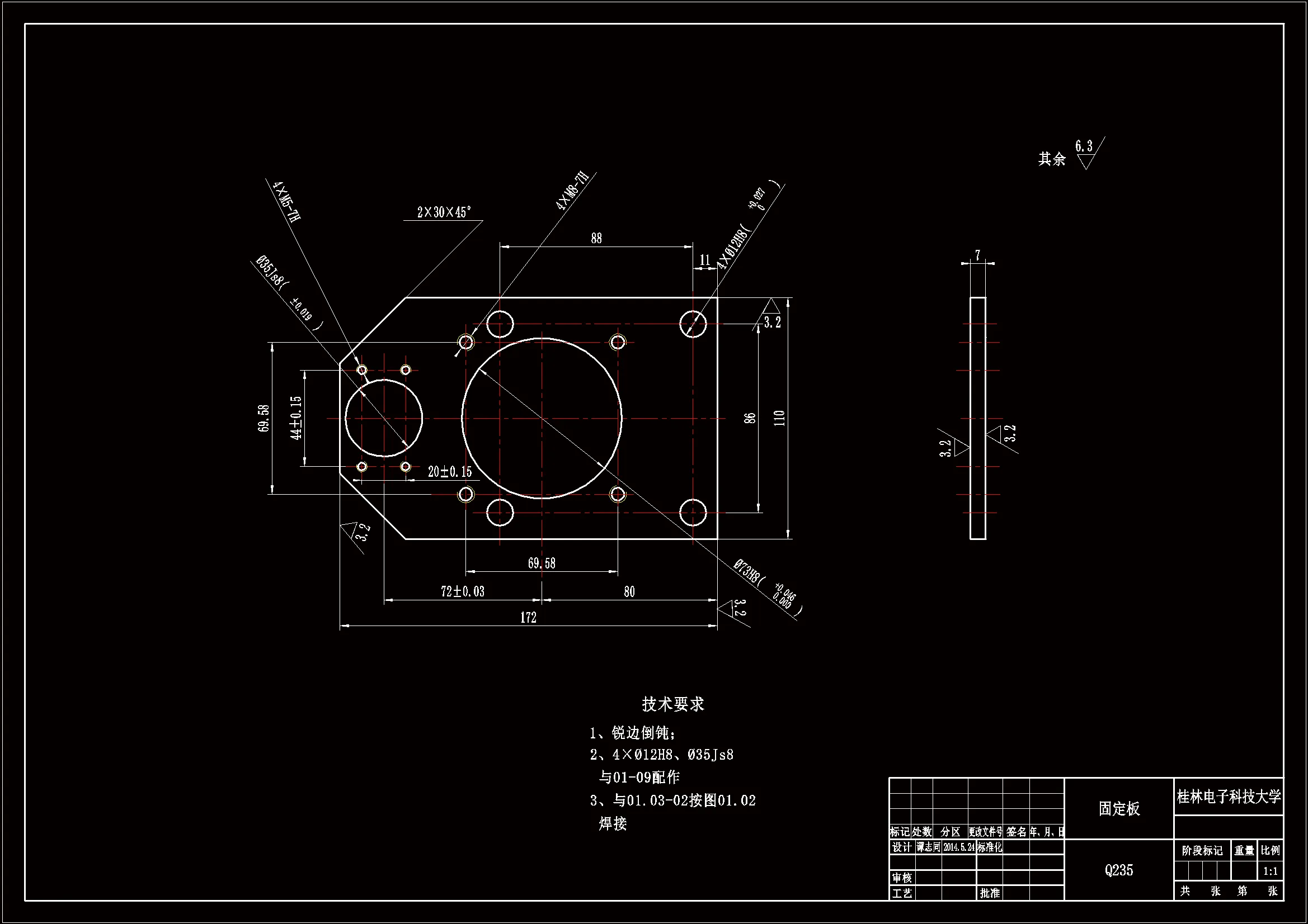
3.2.4转盘以及固定钢板设计23
3.2.5直线轴承的设计选择24
3.2.6推杆末端组合件设计25
4电气元件的选择计算27
4.1用于链传动的电动机的计算与选择27
4.1.1链传动台的摩擦力的计算27
4.1.2扭矩、功率、减速比的计算以及电机的选择28
4.2推杆的电动机的计算与选择29
5总结31
谢辞32
参考文献34
温馨提示:
1、题目前面的备注【字母数字编号】为本站整理分类的编号,与课题内容无关,请选题时忽视;
2、若题目上备注三维,则表示文件里包含三维源文件,由于三维组成零件数量较多,为保证预览截图的简洁性,本站将三维文件夹进行了打包。三维及CAD预览截图,均为本站电脑打开软件进行截图的,保证能够打开,下载原件超高清,下载后解压即可;
3、本站所有资源如无特殊说明,都需要本地电脑安装Office2007。图纸软件为AutoCAD,PROE,UG,SolidWorks,CATIA等;
4、本站所有图文资料仅供用户学习参考,不作为任何商用或其他用途;
5、本站不保证下载资源的准确性、安全性和完整性, 不包修改,不支持退换,同时也不承担用户因使用这些下载资源对自己和他人造成任何形式的伤害或损失;
6、 下载文件中如有侵权或不适当内容,请与我们联系,我们立即纠正。