

作品包括:
Word版说明书1份,共42页,约12000字
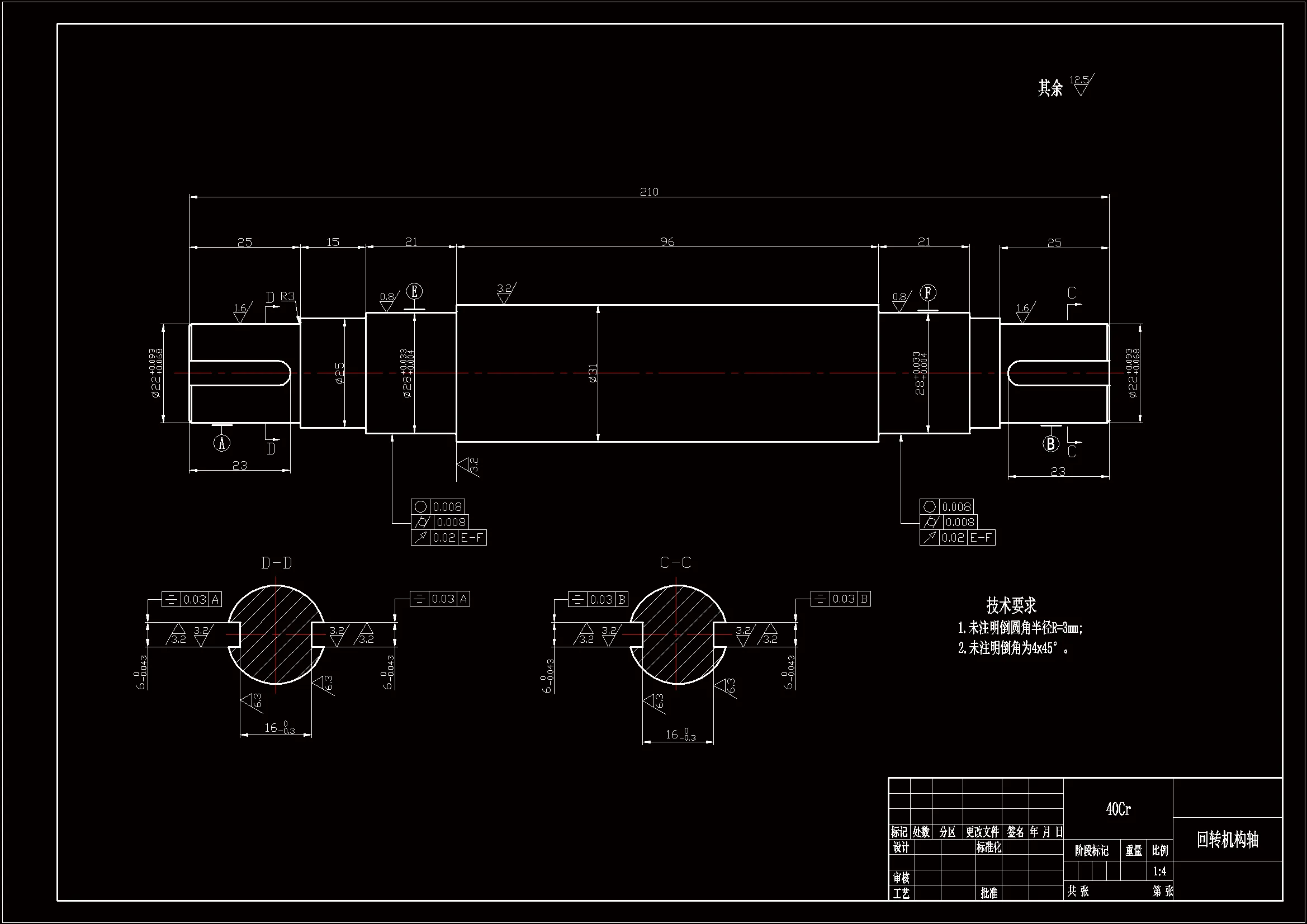
CAD版本图纸,共5张
Proe三维图一套

摘要
本设计简要介绍了辊子输送机的作用,在对辊子输送机特点和形式了解之后,对辊子输送机总体方案进行设计。总体方案确定后是各个零部件的设计,重点对辊子输送机的主要参数、链传动牵引力理论计算、辊子间距、辊子直径、支撑架、脚、轴承等零件进行设计,选择合适的动力源和合适的传动系统及速度控制系统,为合理地设计辊子输送机提供了依据。在总体方案和个零件的参数确定后,应用SolidWorks软件对个零件建模
温馨提示:
1、题目前面的备注【字母数字编号】为本站整理分类的编号,与课题内容无关,请选题时忽视;
2、若题目上备注三维,则表示文件里包含三维源文件,由于三维组成零件数量较多,为保证预览截图的简洁性,本站将三维文件夹进行了打包。三维及CAD预览截图,均为本站电脑打开软件进行截图的,保证能够打开,下载原件超高清,下载后解压即可;
3、本站所有资源如无特殊说明,都需要本地电脑安装Office2007。图纸软件为AutoCAD,PROE,UG,SolidWorks,CATIA等;
4、本站所有图文资料仅供用户学习参考,不作为任何商用或其他用途;
5、本站不保证下载资源的准确性、安全性和完整性, 不包修改,不支持退换,同时也不承担用户因使用这些下载资源对自己和他人造成任何形式的伤害或损失;
6、 下载文件中如有侵权或不适当内容,请与我们联系,我们立即纠正。