

作品包括:
Word版说明书1份,共39页,约14000字
PPT答辩一份
CAD版本图纸,共4张
PLC接线图一份


摘要
可编程序控制器是一种可以编入用户程序,然后通过运行用户程序来完成某种自动化控制的装置。它的核心部件是中央处理器,结合其他先进技术,充分发挥处理器的作用,实现了体积小,功能却精悍的目的。它之所以能够取代继电器,是因为它不仅有超强的逻辑运算能力,还能够完成定时计数等功能,控制系统因为PLC的加入会变得更加柔性化、智能化。
另一方面社会不断发展,人们住宅也变得越来越高,电梯从以前的先进文明的标志成为人类生活中不可缺少的事物。电梯大家都用过,但是其控制系统大家可能并不熟悉,优秀的算法程序可以让电梯物尽其用,让人们在最短的时间内乘坐电梯到达家中。PLC作为电梯控制系统的大脑,简便的程序可以让大脑运行更快。本文将以7层7站交流双速电梯的PLC控制为例,详细介绍西门子PLC如何控制电梯的运行。
关键词:PLC西门子电梯机电一体化
目录
引言1
第一章PLC及电梯简介2
1.1可编程序控制器简介2
1.1.1 PLC的特点2
1.1.2 PLC的分类3
1.2电梯的简介4
第二章系统总体方案设计5
2.1电路设计5
2.1.1交流双速电梯的的主拖动电路5
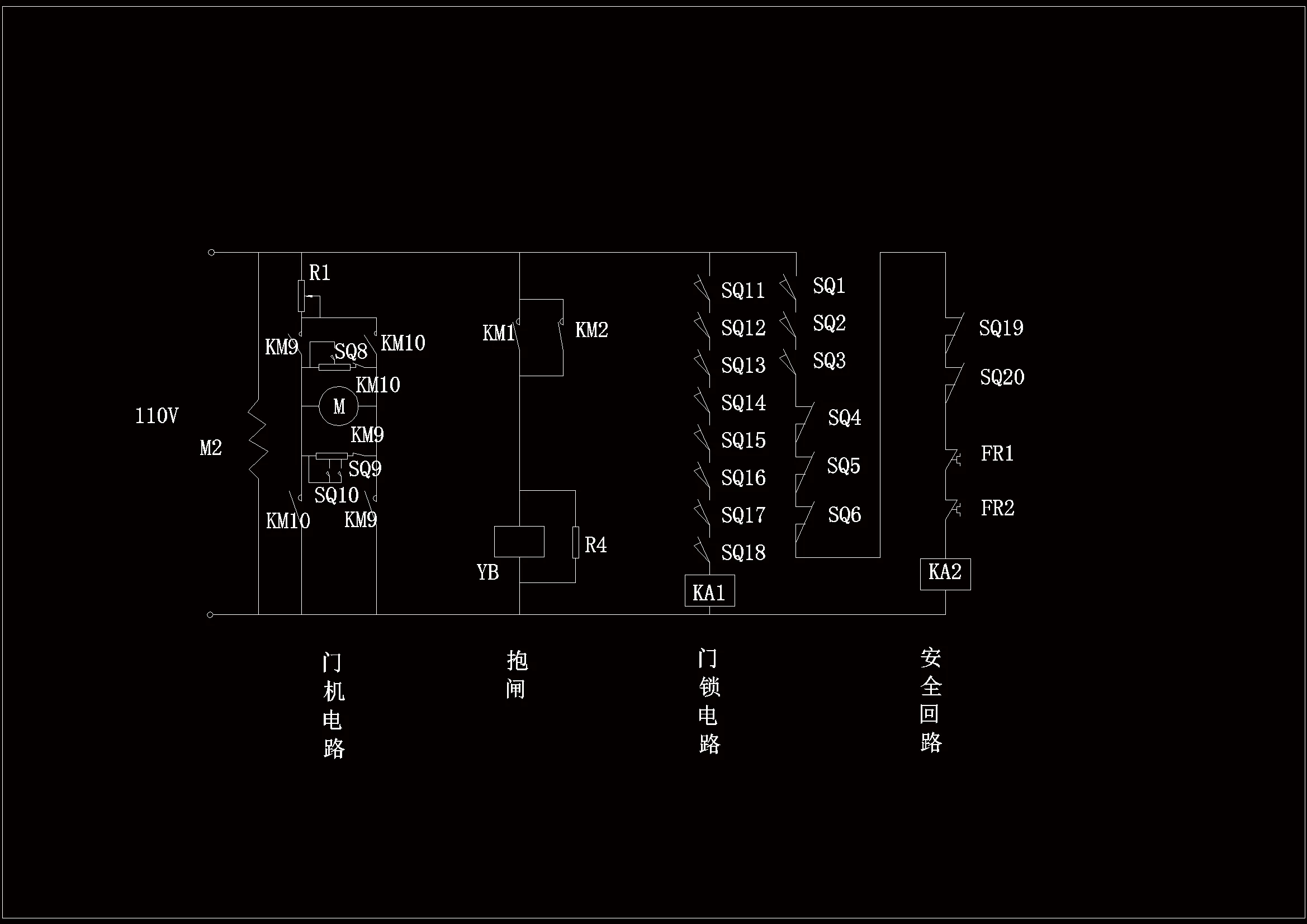
2.1.2门机电路、抱闸电路、门锁以及安全回路6
2.2电梯的主要电气设备7
2.2.1曳引电动机7
2.2.2自动门机8
2.2.3层楼指示8
2.2.4呼梯盒8
2.2.5操纵箱8
2.2.6平层停层及开门装置9
2.2.7其他设备9
2.3 PLC程序设计思路11
2.3.1 PLC程序的编制方法11
2.3.2电梯运行对控制信号的要求13
2.3.3可编程序控制器输入输出部分13
2.3.4 I/O点的确定以及PLC选型14
2.3系统控梯形图设计17
2.4辅助继电器汇总20
2.5梯形图汇总20
2.5安全设置20
第三章程序模拟21
第四章设计小结24
附录25
参考文献35
谢辞36
温馨提示:
1、题目前面的备注【字母数字编号】为本站整理分类的编号,与课题内容无关,请选题时忽视;
2、若题目上备注三维,则表示文件里包含三维源文件,由于三维组成零件数量较多,为保证预览截图的简洁性,本站将三维文件夹进行了打包。三维及CAD预览截图,均为本站电脑打开软件进行截图的,保证能够打开,下载原件超高清,下载后解压即可;
3、本站所有资源如无特殊说明,都需要本地电脑安装Office2007。图纸软件为AutoCAD,PROE,UG,SolidWorks,CATIA等;
4、本站所有图文资料仅供用户学习参考,不作为任何商用或其他用途;
5、本站不保证下载资源的准确性、安全性和完整性, 不包修改,不支持退换,同时也不承担用户因使用这些下载资源对自己和他人造成任何形式的伤害或损失;
6、 下载文件中如有侵权或不适当内容,请与我们联系,我们立即纠正。