

作品包括:
Word版说明书1份,共31页,约11000字
任务书一份
开题报告一份
文献综述一份
外文翻译一份
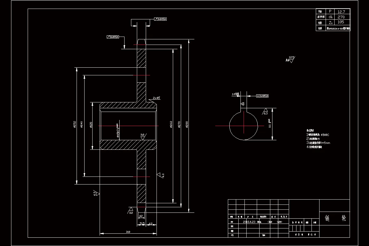
CAD版本图纸,共7张
本次设计的SP100-2自动装药机是在原有的装药机进行详细分析并且查阅大量资料的基础上,通过比较、验证、改进、设计而成的。通过考察当前装药机市场的发展现状及前景,发现虽然现在的装药机有很多,但是与PLC结合在一起实现自动化装瓶的较少。现有的自动装药机对于包装大颗粒同时形状规则的药丸的技术比较成熟,但是一些小颗粒的自动装药机的研究还不是很多,因为小颗粒的药片重量轻,手动包装一次比较方便,但是这样就容易造成药品污染,同时长期直接接触药品对人体健康也不利,因此,对小型药粒的自动装药机的研究目前更被人们需要。
SP100-2自动装药机将原有的装药机与西门子S7-200的程序控制结合到一起,采用光电传感器数药片,药瓶传送至下料口处时,药瓶检测器识别到药瓶,电磁阀开启使药物自动进入瓶中,光电传感器识别进入药瓶的药片数量。当药片数量达到一定程度后,药瓶会继续移动,下料口处电磁阀控制关闭,等待下一个空药瓶进行装瓶。
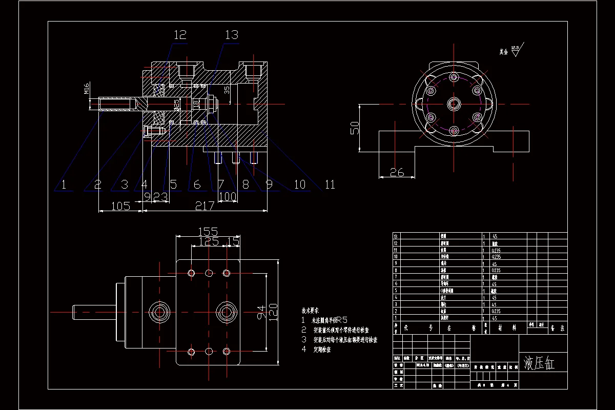
结合现有的研发技术,本次设计主要通过机械设计的方式,完成自动装药机结构的设计,包括下药机构,传输机构及液压缸的设计。完成结构设计后根据要求对控制系统进行设计,并使用宇龙机电仿真软件对控制程序进行仿真,来验证程序的可行性。
温馨提示:
1、题目前面的备注【字母数字编号】为本站整理分类的编号,与课题内容无关,请选题时忽视;
2、若题目上备注三维,则表示文件里包含三维源文件,由于三维组成零件数量较多,为保证预览截图的简洁性,本站将三维文件夹进行了打包。三维及CAD预览截图,均为本站电脑打开软件进行截图的,保证能够打开,下载原件超高清,下载后解压即可;
3、本站所有资源如无特殊说明,都需要本地电脑安装Office2007。图纸软件为AutoCAD,PROE,UG,SolidWorks,CATIA等;
4、本站所有图文资料仅供用户学习参考,不作为任何商用或其他用途;
5、本站不保证下载资源的准确性、安全性和完整性, 不包修改,不支持退换,同时也不承担用户因使用这些下载资源对自己和他人造成任何形式的伤害或损失;
6、 下载文件中如有侵权或不适当内容,请与我们联系,我们立即纠正。