

作品包括:
Word版说明书1份,共42页,约10000字
外文翻译一份
CAD版本图纸,共8张

摘要
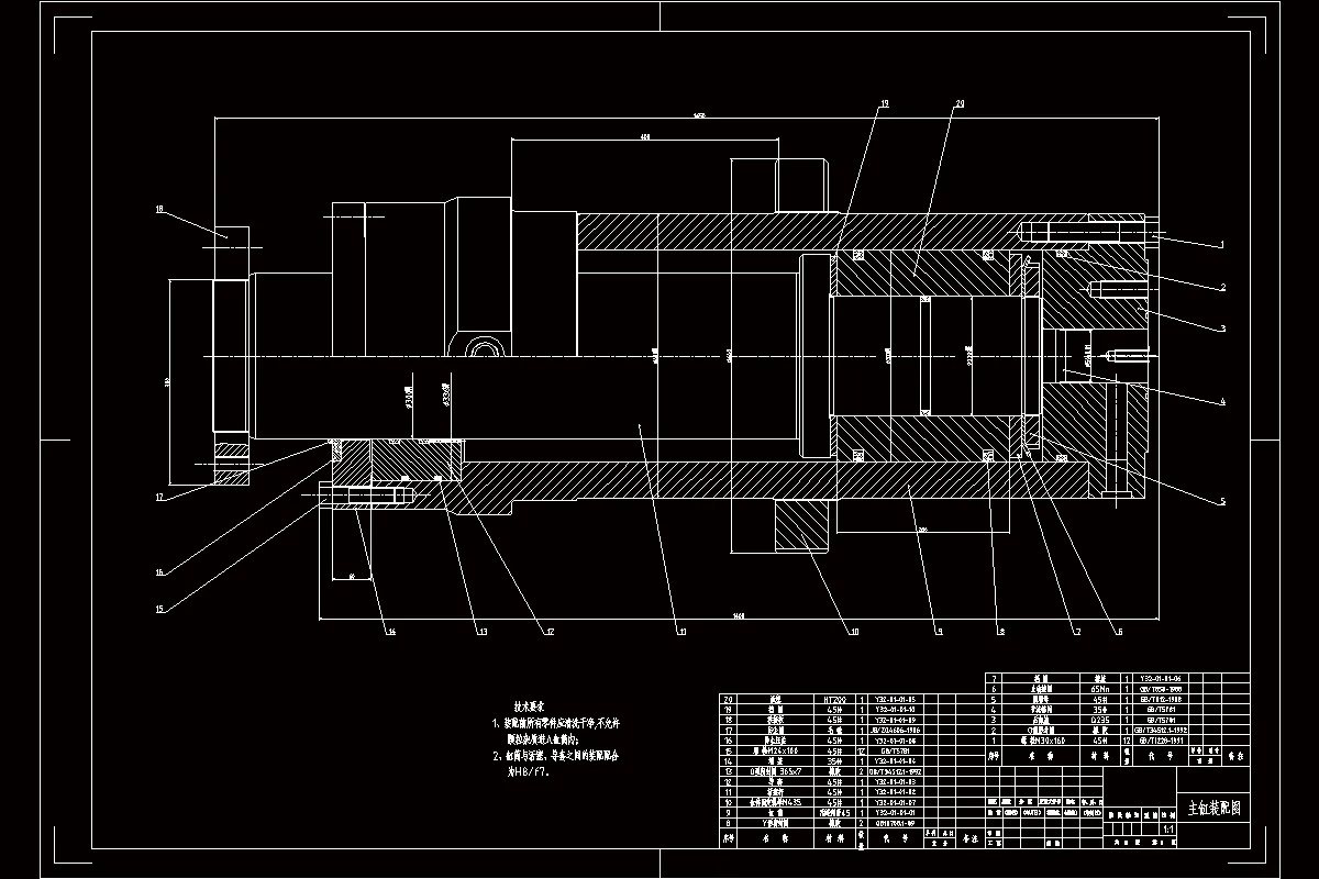
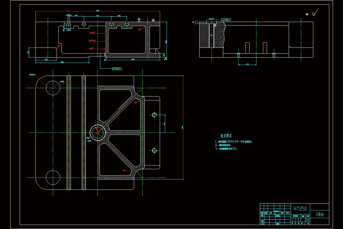
液压机是一种以液体介质传递能量来实现各种加工工艺的机器。本次设计的液压机是四柱式万能液压机,其主机结构主要包括液压缸,上横梁,活动横梁(滑块),四个立柱,工作台(下横梁)和顶出缸等。通过查阅相关参考文献,对液压机整体进行充分了解,更好的进行方案的分析与选择。
本次设计首先对液压机的主机结构和液压系统方案进行了分析,然后对液压机的主机结构进行了详细的设计计算与校;采用“三梁四柱”式主机结构。
在液压系统的设计中,首先对其进行了负载分析,接下来对液压机的主缸和顶出缸的设计进行了大量阐述,从而绘制出液压系统原理图。又对液压泵、油管、电动机等进行了设计与选择,最后得到对泵站的布置安装。
通过本次设计对液压机进行更深一步的了解,感受机械在生活中带给我们的便利,为促进其发展做出更大的努力。
关键词:四柱液压机;液压系统;液压缸
目录
摘要2
ABSTRACT 3
1绪论6
1.1概述6
1.2研究概况6
2液压机总体方案分析7
2.1液压机工作原理分析7
2.2液压机工作循环7
2.3主要技术规格的确定8
2.4液压机各部分方案设计9
3液压机主机结构计算与校核10
3.1主机总体结构设计10
3.2上横梁的设计与校核10
3.3活动横梁的设计14
3.4工作台的设计与校核14
3.5立柱组件的设计与校核16
4液压系统的设计计算18
4.1负载分析18
4.2主缸的设计与计算19
4.3顶出缸的设计与计算25
4.4液压系统流量计算26
4.5拟定液压原理图26
4.6泵的选择与计算28
4.7设计计算油管29
4.8电动机的选择30
4.9油箱的设计与计算30
4.10布置液压泵站31
5结论32
参考文献33
附录A 34
附录B:外文翻译35
附录C:外文原文38
致谢43
温馨提示:
1、题目前面的备注【字母数字编号】为本站整理分类的编号,与课题内容无关,请选题时忽视;
2、若题目上备注三维,则表示文件里包含三维源文件,由于三维组成零件数量较多,为保证预览截图的简洁性,本站将三维文件夹进行了打包。三维及CAD预览截图,均为本站电脑打开软件进行截图的,保证能够打开,下载原件超高清,下载后解压即可;
3、本站所有资源如无特殊说明,都需要本地电脑安装Office2007。图纸软件为AutoCAD,PROE,UG,SolidWorks,CATIA等;
4、本站所有图文资料仅供用户学习参考,不作为任何商用或其他用途;
5、本站不保证下载资源的准确性、安全性和完整性, 不包修改,不支持退换,同时也不承担用户因使用这些下载资源对自己和他人造成任何形式的伤害或损失;
6、 下载文件中如有侵权或不适当内容,请与我们联系,我们立即纠正。