

作品包括
Word设计说明书1份,共40页,约7200字
任务书一份
CAD版本图纸,共11张

摘要
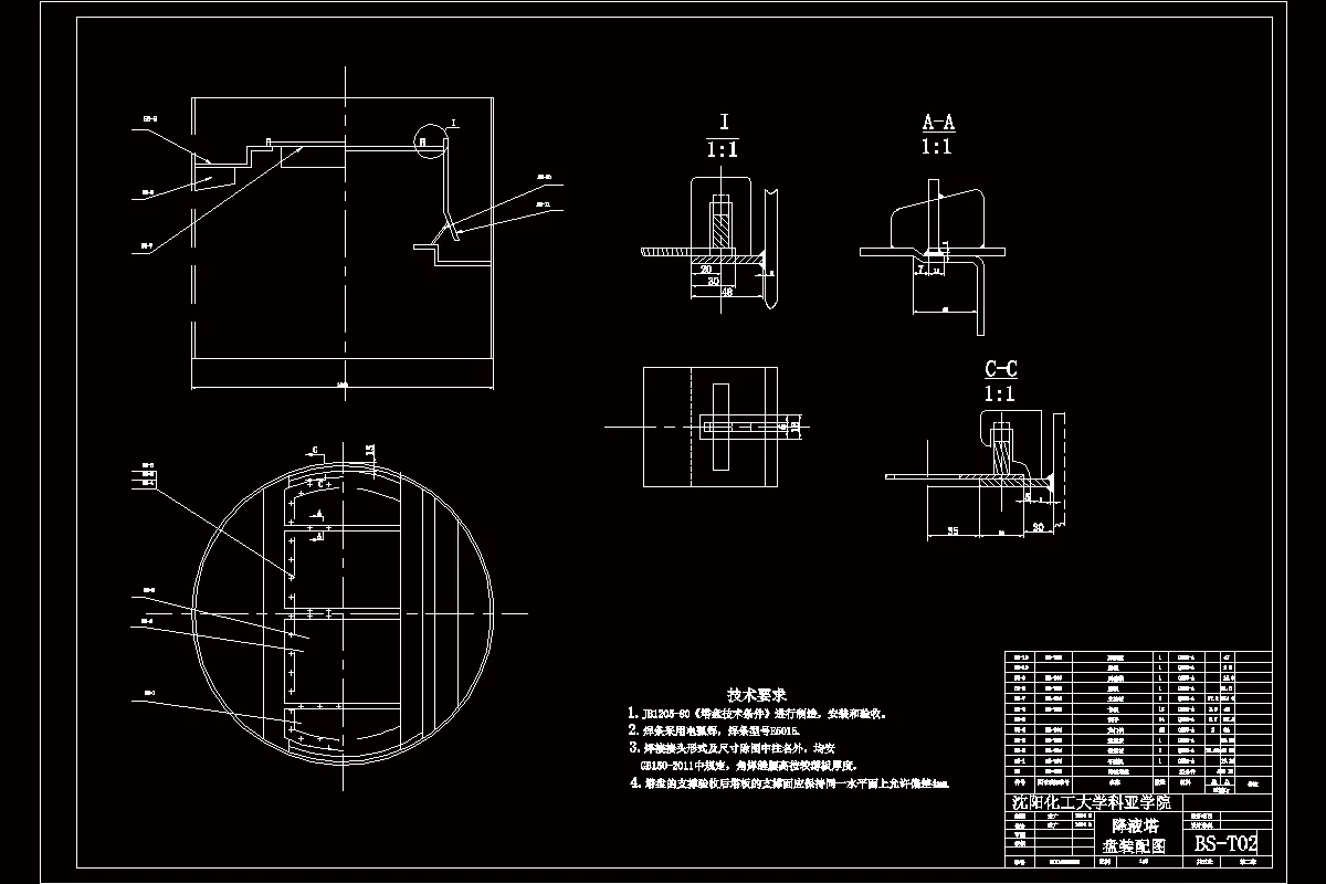
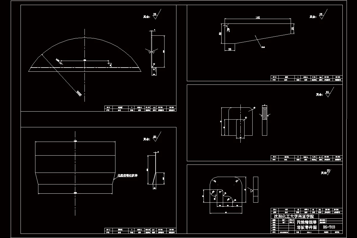
本设计为DN1600丙烯精馏筛板塔,筛板塔突出优点是结构简单造价低。具有满足要求的操作弹性,而且效率高。采用筛板可解决堵塞问题,适当控制漏液。 近年来与浮阀塔一起成为化工生产中主要的传质设备。
在计算说明部分,先确定设计方案,然后开始对塔的强度及稳定性进行计算,主要包括筒体和裙座的厚度计算,塔器的质量计算,塔的自振周期计算,地震载荷和地震弯矩的计算,及风载荷和风弯矩计算,圆筒应力校核,裙座稳定性校核,还对基础环、地脚螺栓、筋板、盖板进行了设计计算,最后对裙座和塔壳的焊缝进行验算。接下来的部分对人孔和检查孔、再沸器入口、釜液进再沸器入口、塔顶蒸汽出口、回流液入口、进料口、釜液出料口等进行了补强计算。上述各项设计计算验算合格,强度和稳定性计算校核符合要求。
该塔适用于沈阳地区,抗地震烈度7级,地震分组为第一组,场地土类别为二类。工作压力2.1MPa,工作温度80℃。主要介质为丙烯、丙烷、丁烷等易燃物质。该塔为Ⅲ类压力容器,焊接接头采用双面焊对接接头,100%无损检测。塔体总高38 m,塔体直径1600mm,塔壳壁厚15mm,筒体采用Q345R材料,裙座采用Q235A材料。选用50层双溢流塔盘,塔盘间距600mm。塔器最大质量为115105kg,最大吊装质量为44733kg,全容积69.84m3。理论上满足设计要求。
关键词: 筛板塔; 强度计算; 稳定性计算; 全容积
目 录
第一章 强度及稳定性计算 1
1.1 塔壳强度计算 1
1.2 塔器质量计算 2
1.3 塔器的基本自振周期计算 3
1.4 地震载荷及地震弯矩计算 3
1.5 风载荷和风弯矩计算 5
1.6 圆筒应力校核 7
1.7 裙座稳定性校核 8
1.8 地脚螺栓 10
1.9 基础环设计 11
1.10 筋板 11
1.11 盖板 12
1.12 裙座与塔壳对接焊缝校核 13
第二章 开孔补强 14
2.1 补强的判据 14
2.2 对人孔和检查孔进行补强 14
2.3 对再沸器入口进行补强 16
2.4 对釜液进再沸器入口进行补强 17
2.5 对塔顶蒸汽出口进行补强 18
2.6 对回流液入口进行补强 20
2.7 对进料口进行补强 21
2.8 对釜液出料口进行补强 21
总结 23
参考文献 24
致谢 25
温馨提示:
1、题目前面的备注【字母数字编号】为本站整理分类的编号,与课题内容无关,请选题时忽视;
2、若题目上备注三维,则表示文件里包含三维源文件,由于三维组成零件数量较多,为保证预览截图的简洁性,本站将三维文件夹进行了打包。三维及CAD预览截图,均为本站电脑打开软件进行截图的,保证能够打开,下载原件超高清,下载后解压即可;
3、本站所有资源如无特殊说明,都需要本地电脑安装Office2007。图纸软件为AutoCAD,PROE,UG,SolidWorks,CATIA等;
4、本站所有图文资料仅供用户学习参考,不作为任何商用或其他用途;
5、本站不保证下载资源的准确性、安全性和完整性, 不包修改,不支持退换,同时也不承担用户因使用这些下载资源对自己和他人造成任何形式的伤害或损失;
6、 下载文件中如有侵权或不适当内容,请与我们联系,我们立即纠正。