

作品包括:
说明书1份,共24页,约9000字左右
CAD版本本图纸,共8张
SW三维图一份
摘要
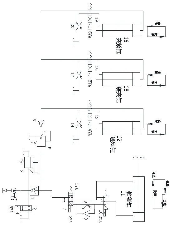
本文是关于果蔬自动包装装置的设计,首先对果蔬自动包装装置作了简单的概述;接着分析了果蔬自动包装装置的选型原则及计算方法;然后根据这些设计准则与计算选型方法按照给定参数要求进行选型设计;接着对所选择的果蔬自动包装装置各主要零部件进行了校核。最后简单的说明了果蔬自动包装装置的安装与维护。目前,果蔬自动包装装置正朝着长距离,高速度,低摩擦的方向发展。在果蔬自动包装装置的设计、制造以及应用方面,目前我国与国外先进水平相比仍有较大差距,国内在设计制造果蔬自动包装装置过程中存在着很多不足。
对于果蔬自动包装装置的设计,通过对比对照,对传统的果蔬自动包装装置的结构进行了改进和优化,使得此种类型的果蔬自动包装装置的使用范围更广泛,更加灵活,并且对今后的选型设计工作有一定的参考价值。
关键词:果蔬自动包装装置;设计;传统;参考
目 录
第1章 绪论 1
1.1 课题的来源与研究的目的和意义 1
1.2 本课题研究的内容 2
1.3 研究的意义 4
第2章 果蔬自动包装装置的设计 6
2.1果蔬自动包装装置的方案布局图的确定 7
2.2果蔬自动包装装置的工作原理 8
第3章 机械传动部分的选型计算 10
3.1 电机的选型计算 12
3.2 齿轮传动的设计计算 13
3.2.1按接触疲劳强度设计计算 13
3.2.2有关参数修正 14
3.2.3弯曲疲劳强度校核计算 14
3.3 轴承的设计计算 15
3.4轴的设计 16
第4章 各重要组成部分的强度校核 18
4.1机架强度的校核与计算 19
4.2齿轮强度的校核计算 19
4.3轴承强度的校核 20
第5章 设计总结 21
结论 22
参考文献 23
致谢 24
温馨提示:
1、题目前面的备注【字母数字编号】为本站整理分类的编号,与课题内容无关,请选题时忽视;
2、若题目上备注三维,则表示文件里包含三维源文件,由于三维组成零件数量较多,为保证预览截图的简洁性,本站将三维文件夹进行了打包。三维及CAD预览截图,均为本站电脑打开软件进行截图的,保证能够打开,下载原件超高清,下载后解压即可;
3、本站所有资源如无特殊说明,都需要本地电脑安装Office2007。图纸软件为AutoCAD,PROE,UG,SolidWorks,CATIA等;
4、本站所有图文资料仅供用户学习参考,不作为任何商用或其他用途;
5、本站不保证下载资源的准确性、安全性和完整性, 不包修改,不支持退换,同时也不承担用户因使用这些下载资源对自己和他人造成任何形式的伤害或损失;
6、 下载文件中如有侵权或不适当内容,请与我们联系,我们立即纠正。