

作品包括:
Word版说明书1份,共23页,约7300字
CAD版本图纸,共11张
目 录
摘要 I
ABSTRACT II
1绪论 1
1.1课题的来源与研究的目的和意义 2
1.2本课题研究的内容 3
2蹍轮式混砂机的总体设计 4
2.1辗轮式混砂机主要结构及工作原理 6
2.2辗轮式混砂机总体方案设计 7
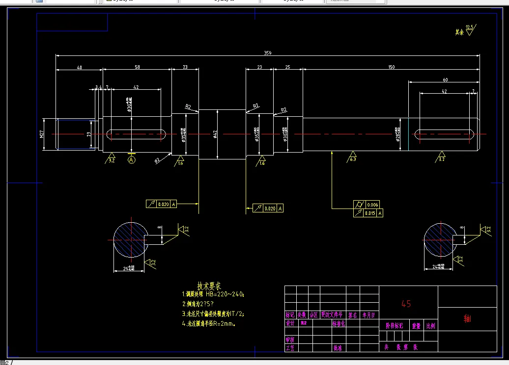
3机械传动机构的设计 8
3.1齿轮传动设计计算 9
3.1.1按接触疲劳强度设计计算 9
3.1.2有关参数修正 10
3.1.3弯曲疲劳强度校核计算 10
3.2高速级直齿圆柱齿轮的设计 11
3.2.1选择齿轮材料 12
3.2.2按齿面接触疲劳强度计算 13
3.2.3校核齿根弯曲疲劳强度 14
3.3低速级斜齿圆柱齿轮的设计 15
3.3.1齿轮材料的选择 16
3.3.2确定公式中个参数值 17
3.3.3设计计算 17
3.3.4校核齿面接触疲劳强度 18
3.3.5校核计算 19
3.3.6计算齿轮传动几何尺寸 19
3.3.7齿轮结构设计及绘制齿轮零件图 20
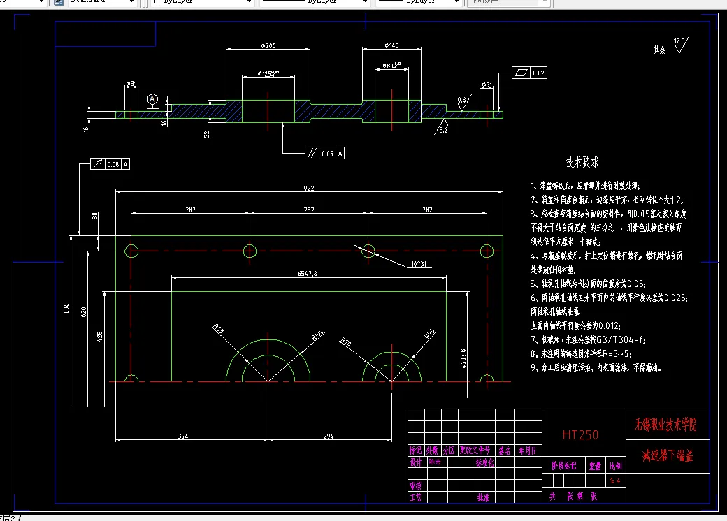
4辗轮式混砂机刮板的设计 21
4.1蹍轮式混砂机刮板的形状的确定 22
4.2辗轮式混砂机刮板材料的确定 23
4.3辗轮式混砂机刮板的创新设计 24
结 论 25
致 谢 26
参考资料 27
温馨提示:
1、题目前面的备注【字母数字编号】为本站整理分类的编号,与课题内容无关,请选题时忽视;
2、若题目上备注三维,则表示文件里包含三维源文件,由于三维组成零件数量较多,为保证预览截图的简洁性,本站将三维文件夹进行了打包。三维及CAD预览截图,均为本站电脑打开软件进行截图的,保证能够打开,下载原件超高清,下载后解压即可;
3、本站所有资源如无特殊说明,都需要本地电脑安装Office2007。图纸软件为AutoCAD,PROE,UG,SolidWorks,CATIA等;
4、本站所有图文资料仅供用户学习参考,不作为任何商用或其他用途;
5、本站不保证下载资源的准确性、安全性和完整性, 不包修改,不支持退换,同时也不承担用户因使用这些下载资源对自己和他人造成任何形式的伤害或损失;
6、 下载文件中如有侵权或不适当内容,请与我们联系,我们立即纠正。