

作品包括:
Word版设计说明书1份
CAD版本图纸,共6张
SW三维图一套
摘要
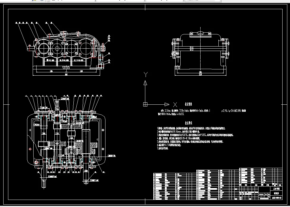
本文设计一种仿人手臂手术机器人,该机器人通过底座固定在地面之上,其中底盘能够实现360度旋转,旋转机构主要是通过蜗轮蜗杆减速器实现减速并旋转,该机构能够实现自锁,当电机停止转动后能够实现位置的锁定,无需电机抱闸制动。旋转作业通过电机驱动一个拉杆实现,拉杆的强度相对较高通过铸铁加工成本较低,经济性较好。通过减速电机驱动齿轮,小齿轮与大齿轮啮合实现旋转。通过对各机构进行分析计算校核,并对机器人进行SW三维建模,并输出二维CAD图纸。
温馨提示:
1、题目前面的备注【字母数字编号】为本站整理分类的编号,与课题内容无关,请选题时忽视;
2、若题目上备注三维,则表示文件里包含三维源文件,由于三维组成零件数量较多,为保证预览截图的简洁性,本站将三维文件夹进行了打包。三维及CAD预览截图,均为本站电脑打开软件进行截图的,保证能够打开,下载原件超高清,下载后解压即可;
3、本站所有资源如无特殊说明,都需要本地电脑安装Office2007。图纸软件为AutoCAD,PROE,UG,SolidWorks,CATIA等;
4、本站所有图文资料仅供用户学习参考,不作为任何商用或其他用途;
5、本站不保证下载资源的准确性、安全性和完整性, 不包修改,不支持退换,同时也不承担用户因使用这些下载资源对自己和他人造成任何形式的伤害或损失;
6、 下载文件中如有侵权或不适当内容,请与我们联系,我们立即纠正。