

作品包括:
Word版设计说明书1份
任务书一份
开题报告一份
PPT答辩一份
CAD版本图纸,共4张
摘要
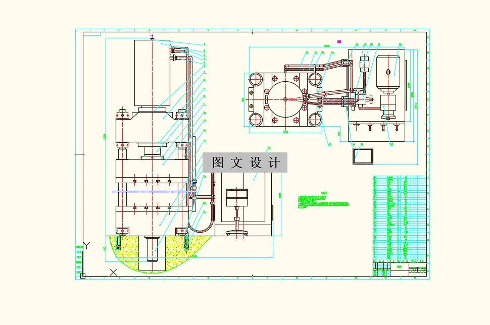
为摩托车轮毂液态模锻液压机设计了液压控制系统,该主机最大工作负载为3150kN。主机是由工作台、上横梁、4根立柱、滑块、锁紧螺母、打料机构、调整螺母、主液压缸和顶出液压缸等部分组成。液压机的工艺流程:主缸快速下行→主缸工进加压→主缸保压延时→主缸回程→顶出缸顶出→顶出缸保压延时→顶出缸释压→取锻件→顶出缸回退。通过对液态模锻液压机的主要参数的选定和计算,对主要工作部件工况分析,制定了液压系统的总体设计方案,主要包括调速回路、保压回路、卸荷回路,绘制了整体的液压系统原理图。对液压机的液压系统中的液压元件进行选型设计及计算,确定了液压缸的基本尺寸,选定了LD50A20S1型插装阀、YF-F80H型溢流阀等液压元件、选定了A2F500液压泵、选定了Y225M-2型电动机,而且对系统的的性能进行了验算,通过对系统的压力和温升的验算,本设计的液压系统满足模锻液压机的基本设计要求:系统最大工作压力值为25MPa,主缸快速下行速度为0.2m/s,工进速度为0.008m/s,快速回退速度为0.15m/s,顶出缸顶出速度为0.02m/s,回退速度为0.112m/s。
温馨提示:
1、题目前面的备注【字母数字编号】为本站整理分类的编号,与课题内容无关,请选题时忽视;
2、若题目上备注三维,则表示文件里包含三维源文件,由于三维组成零件数量较多,为保证预览截图的简洁性,本站将三维文件夹进行了打包。三维及CAD预览截图,均为本站电脑打开软件进行截图的,保证能够打开,下载原件超高清,下载后解压即可;
3、本站所有资源如无特殊说明,都需要本地电脑安装Office2007。图纸软件为AutoCAD,PROE,UG,SolidWorks,CATIA等;
4、本站所有图文资料仅供用户学习参考,不作为任何商用或其他用途;
5、本站不保证下载资源的准确性、安全性和完整性, 不包修改,不支持退换,同时也不承担用户因使用这些下载资源对自己和他人造成任何形式的伤害或损失;
6、 下载文件中如有侵权或不适当内容,请与我们联系,我们立即纠正。