

作品包括:
Word版设计说明书1份
CAD版本图纸,共5张
摘要
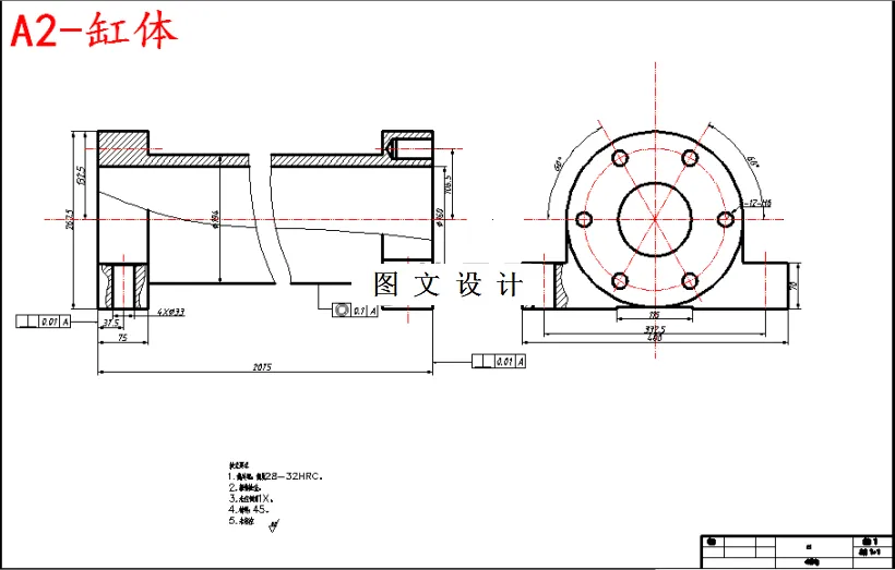
非开挖式地下铺管机大量的减少了财力和物力,却能大大提高了效率,地下铺管在城市管网极为复杂的地区,是其它施工方法难以代替的,社会经济效益尤为突出,将会有一个飞速的发展和前景。铺管机设计的核心就是液压系统的设计,也就是液压缸的设计。液压缸的设计包括了系统工作压力的确定、液压缸活塞直径的确定和活塞杆直径的确定、液压缸壁厚和外径的计算、缸盖厚度的确定、缸体长度的确定以及活塞杆稳定性的验算,然后利用AutoCAD辅助设计平台,完成了液压缸的图形建模。通过分析的数据校核了先前的设计,同时为进一步优化设计和系列化设计提供了依据。
温馨提示:
1、题目前面的备注【字母数字编号】为本站整理分类的编号,与课题内容无关,请选题时忽视;
2、若题目上备注三维,则表示文件里包含三维源文件,由于三维组成零件数量较多,为保证预览截图的简洁性,本站将三维文件夹进行了打包。三维及CAD预览截图,均为本站电脑打开软件进行截图的,保证能够打开,下载原件超高清,下载后解压即可;
3、本站所有资源如无特殊说明,都需要本地电脑安装Office2007。图纸软件为AutoCAD,PROE,UG,SolidWorks,CATIA等;
4、本站所有图文资料仅供用户学习参考,不作为任何商用或其他用途;
5、本站不保证下载资源的准确性、安全性和完整性, 不包修改,不支持退换,同时也不承担用户因使用这些下载资源对自己和他人造成任何形式的伤害或损失;
6、 下载文件中如有侵权或不适当内容,请与我们联系,我们立即纠正。