

作品包括:
Word版设计说明书1份
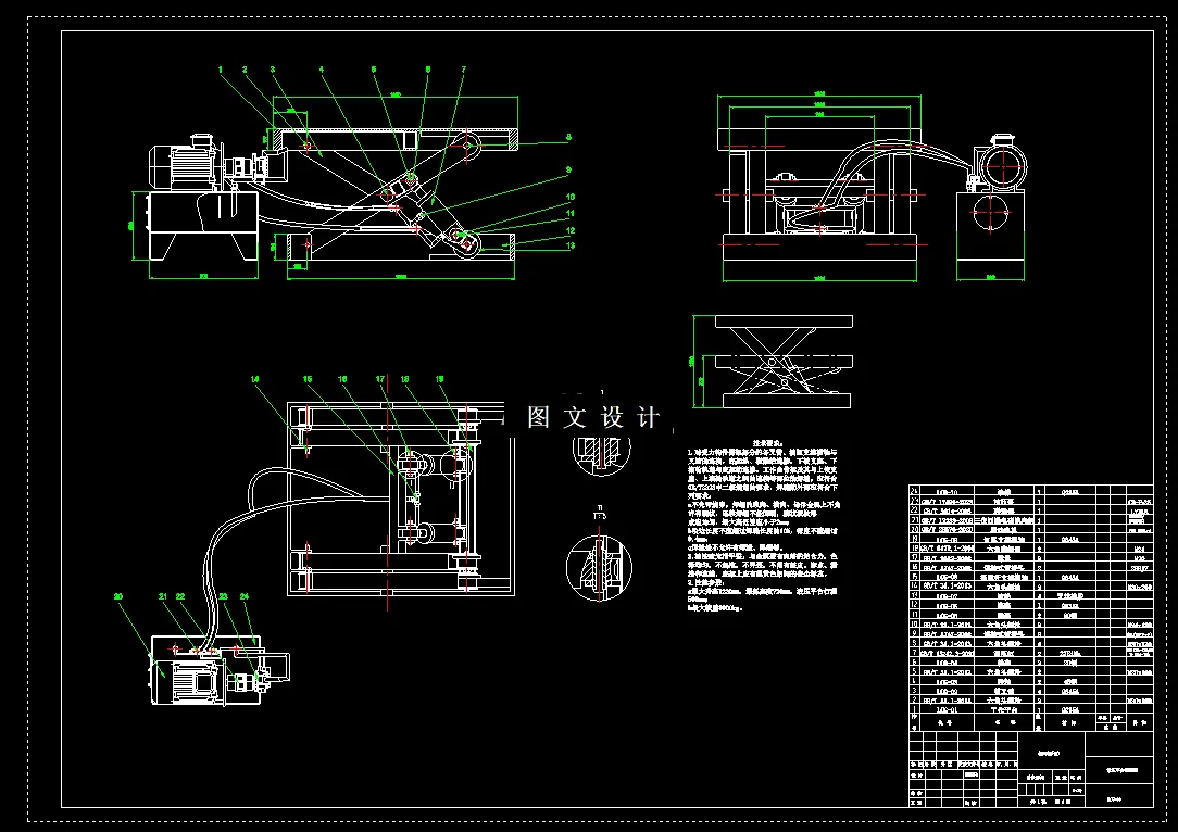
CAD版本图纸,共11张
SW三维图一套

摘要
本设计从小距离重载液压平台设计方案、结构设计以及液压系统设计方面进行研究。其中结构设计包括工作台面的设计、底座的设计、液压缸推力的计算、剪叉的设计以及各零部件连接的设计;液压系统设计包括执行元件液压缸的设计、液压系统原理图的拟定、液压泵的选择、液压阀的选择、过滤器的选择、油箱的设计计算、密封装置的选择以及管道尺寸的确定。 先完成整体的设计方案其中包括选择平台结构、液压缸安装位置和底座类型选择。用主要技术指标来进行各构件的结构尺寸的设计计算以及材料的选择。运用公式计算出液压缸行程和推力,然后校核剪叉臂的刚度和各连接件的强度。 通过计算确定液压系统中基本的参数如最大工作压力、流量等,并拟定液压系统原理图,使其能满足升降平稳,并可停留在升降范围内的任意位置。通过基本参数分析选择液压系统各元件的型号。
温馨提示:
1、题目前面的备注【字母数字编号】为本站整理分类的编号,与课题内容无关,请选题时忽视;
2、若题目上备注三维,则表示文件里包含三维源文件,由于三维组成零件数量较多,为保证预览截图的简洁性,本站将三维文件夹进行了打包。三维及CAD预览截图,均为本站电脑打开软件进行截图的,保证能够打开,下载原件超高清,下载后解压即可;
3、本站所有资源如无特殊说明,都需要本地电脑安装Office2007。图纸软件为AutoCAD,PROE,UG,SolidWorks,CATIA等;
4、本站所有图文资料仅供用户学习参考,不作为任何商用或其他用途;
5、本站不保证下载资源的准确性、安全性和完整性, 不包修改,不支持退换,同时也不承担用户因使用这些下载资源对自己和他人造成任何形式的伤害或损失;
6、 下载文件中如有侵权或不适当内容,请与我们联系,我们立即纠正。