

作品包括:
Word版设计说明书1份
CAD版本图纸,共5张
摘要
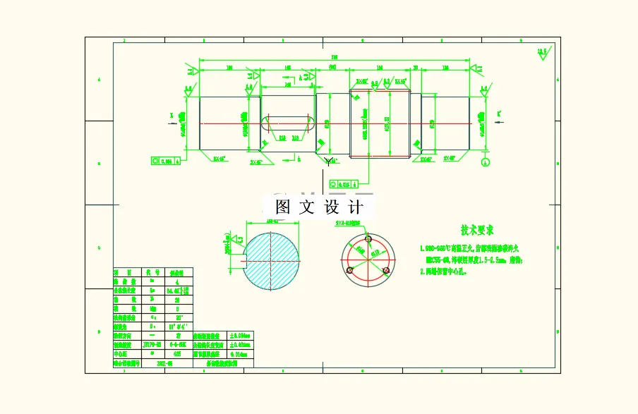
Φ260/Φ750×800镁合金温轧机组的构成庞杂,本人这次负责设计减速机课题,该机组属于温轧机组,与传统的冷轧(常温状态)工艺相比,不同牌号的镁带坯温轧预热温度300-400℃。机组开坯轧制速度120米/分,开卷张力5-50kN开卷机的速比必须满足机组运动参数和动力参数的需要。选型合适的传动电机并进行工况分析。设计计算齿轮传动副参数,校核减速机传动轴强度、校核齿轮传动副接触应力和弯曲应力强度。协调关联尺寸:开卷机减速机输出轴与开卷卷筒轴连为一体;开卷机减速机+齿轮联轴器+传动电动机刚性联接在同一滑动底座上,正常工作时滑动底座在对中油缸的驱动下可横向平移,实现边部对中。设计要兼顾机组整体尺寸链的统一性、合理性。
温馨提示:
1、题目前面的备注【字母数字编号】为本站整理分类的编号,与课题内容无关,请选题时忽视;
2、若题目上备注三维,则表示文件里包含三维源文件,由于三维组成零件数量较多,为保证预览截图的简洁性,本站将三维文件夹进行了打包。三维及CAD预览截图,均为本站电脑打开软件进行截图的,保证能够打开,下载原件超高清,下载后解压即可;
3、本站所有资源如无特殊说明,都需要本地电脑安装Office2007。图纸软件为AutoCAD,PROE,UG,SolidWorks,CATIA等;
4、本站所有图文资料仅供用户学习参考,不作为任何商用或其他用途;
5、本站不保证下载资源的准确性、安全性和完整性, 不包修改,不支持退换,同时也不承担用户因使用这些下载资源对自己和他人造成任何形式的伤害或损失;
6、 下载文件中如有侵权或不适当内容,请与我们联系,我们立即纠正。