

作品包括:
Word版设计说明书1份
开题报告一份
外文翻译一份
CAD版本图纸,共7张
摘要
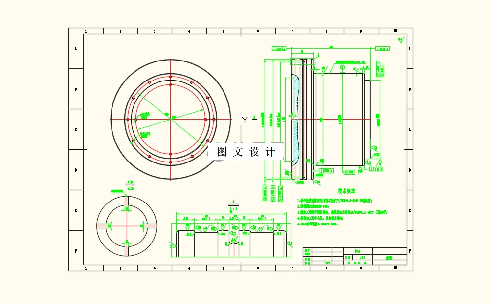
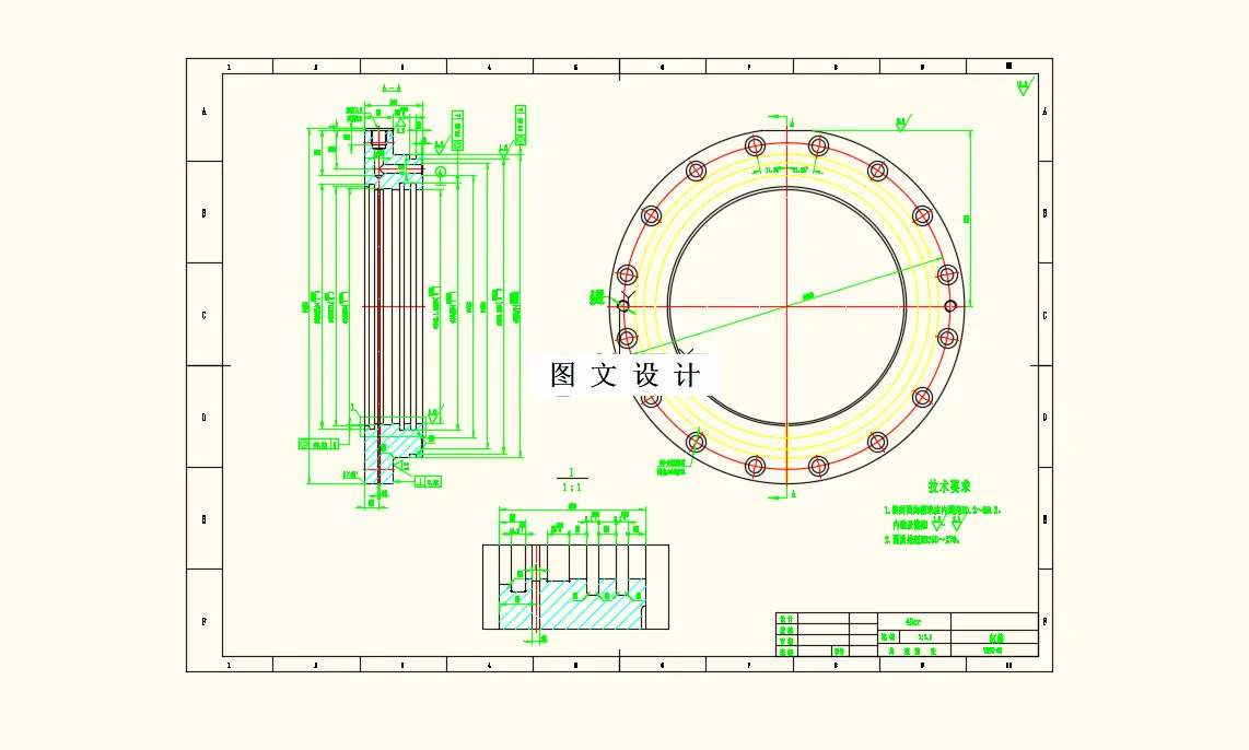
镁合金温轧机组的构成庞杂,结合设计的特点,仅挑选其中主要装置。本人设计的是压下油缸,压下油缸是镁合金温轧机组的自动厚度控制系统的最终执行元件其特点是:1.受力大。带坯压延所需的力全部来源于2套压下油缸。2.响应快。轧机生产的带材厚度精度完全取决于压下油缸的响应频率。3.结构复杂、加工精度要求高。4.密封件结构复杂、种类多、泄漏控制严格。5.辅助功能多:位置检测、压力检测、活塞防转、液压伺服阀近位安装。 设计内容主要有:压下油缸的尺寸及其零件图、缸体及活塞的制造工艺卡片、液压原理图及液压元件选型表、掌握液压伺服阀压力特性曲线。
温馨提示:
1、题目前面的备注【字母数字编号】为本站整理分类的编号,与课题内容无关,请选题时忽视;
2、若题目上备注三维,则表示文件里包含三维源文件,由于三维组成零件数量较多,为保证预览截图的简洁性,本站将三维文件夹进行了打包。三维及CAD预览截图,均为本站电脑打开软件进行截图的,保证能够打开,下载原件超高清,下载后解压即可;
3、本站所有资源如无特殊说明,都需要本地电脑安装Office2007。图纸软件为AutoCAD,PROE,UG,SolidWorks,CATIA等;
4、本站所有图文资料仅供用户学习参考,不作为任何商用或其他用途;
5、本站不保证下载资源的准确性、安全性和完整性, 不包修改,不支持退换,同时也不承担用户因使用这些下载资源对自己和他人造成任何形式的伤害或损失;
6、 下载文件中如有侵权或不适当内容,请与我们联系,我们立即纠正。