

作品包括:
Word版设计说明书1份
CAD版本图纸,共6张
摘要
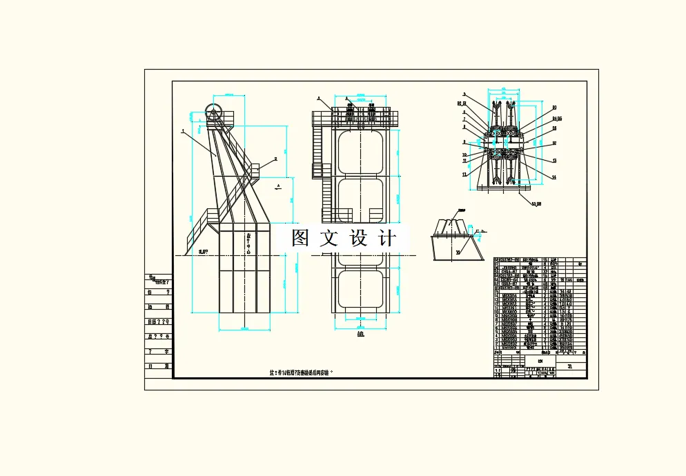
四连杆门座起重机是港口重要的装卸设备,在港口物流中起着中要的作用。科学合理的设计具有重要的实际意义。主要工作如下: 1)完成了 MQ4043 四连杆门座起重机总体设计和起升机构设计,具体内容有: 臂架系统尺寸的确定、整机的自重载荷计算、风载荷计算、轮压计算以及抗倾覆稳定性校核。 2)人字架机构设计中完成了钢丝绳、平衡量、大拉杆、及自重的载荷计算, 最后进行了强度刚度稳定性校核。 还分析了港口门座起重机的发展现状、意义,以及对未来发展的展望。
温馨提示:
1、题目前面的备注【字母数字编号】为本站整理分类的编号,与课题内容无关,请选题时忽视;
2、若题目上备注三维,则表示文件里包含三维源文件,由于三维组成零件数量较多,为保证预览截图的简洁性,本站将三维文件夹进行了打包。三维及CAD预览截图,均为本站电脑打开软件进行截图的,保证能够打开,下载原件超高清,下载后解压即可;
3、本站所有资源如无特殊说明,都需要本地电脑安装Office2007。图纸软件为AutoCAD,PROE,UG,SolidWorks,CATIA等;
4、本站所有图文资料仅供用户学习参考,不作为任何商用或其他用途;
5、本站不保证下载资源的准确性、安全性和完整性, 不包修改,不支持退换,同时也不承担用户因使用这些下载资源对自己和他人造成任何形式的伤害或损失;
6、 下载文件中如有侵权或不适当内容,请与我们联系,我们立即纠正。