

作品包括:
Word版设计说明书1份
开题报告一份
外文翻译一份
CAD版本图纸,共6张
摘要
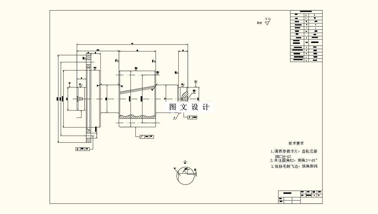
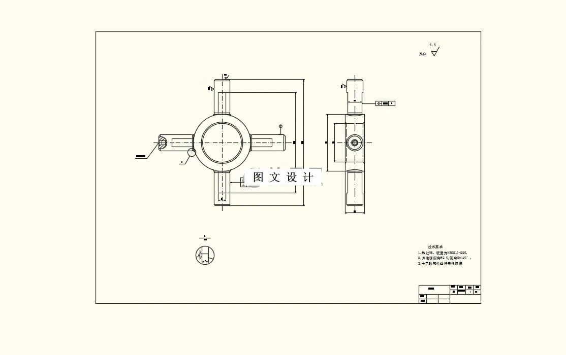
能源短缺、环境污染问题是现在制约汽车行业快速发展的关键性因素,这就使得环保、节能和安全成为了当今汽车行业的三大主题。在考虑到了节能与环保的问题后,纯电动汽车凭借其低排放,比功率高的优点得到了大力的发展。这将成为现在汽车行业的主要发展方向之一。 本文以某款机场摆渡车为研究对象,通过对比分析轮边驱动与中央直驱这两种动力系统结构形式,确定采用轮边驱动作为动力系统结构形式。然后根据动力性的要求,对动力系统进行参数的匹配与设计,确定关键部件的参数。在设计中主要依靠汽车的加速性能、爬坡性能,以及续行里程确定车辆所需功率要求。选择4个额定功率30kW,峰值功率70kW的电机。在确定所采用的驱动电机后,还需要对动力电池组做出设计,根据已经设计的驱动电机对动力电池组进行设计匹配,确定电池组电压601.6V,电池容量300Ah。
温馨提示:
1、题目前面的备注【字母数字编号】为本站整理分类的编号,与课题内容无关,请选题时忽视;
2、若题目上备注三维,则表示文件里包含三维源文件,由于三维组成零件数量较多,为保证预览截图的简洁性,本站将三维文件夹进行了打包。三维及CAD预览截图,均为本站电脑打开软件进行截图的,保证能够打开,下载原件超高清,下载后解压即可;
3、本站所有资源如无特殊说明,都需要本地电脑安装Office2007。图纸软件为AutoCAD,PROE,UG,SolidWorks,CATIA等;
4、本站所有图文资料仅供用户学习参考,不作为任何商用或其他用途;
5、本站不保证下载资源的准确性、安全性和完整性, 不包修改,不支持退换,同时也不承担用户因使用这些下载资源对自己和他人造成任何形式的伤害或损失;
6、 下载文件中如有侵权或不适当内容,请与我们联系,我们立即纠正。