

作品包括:
Word版设计说明书1份
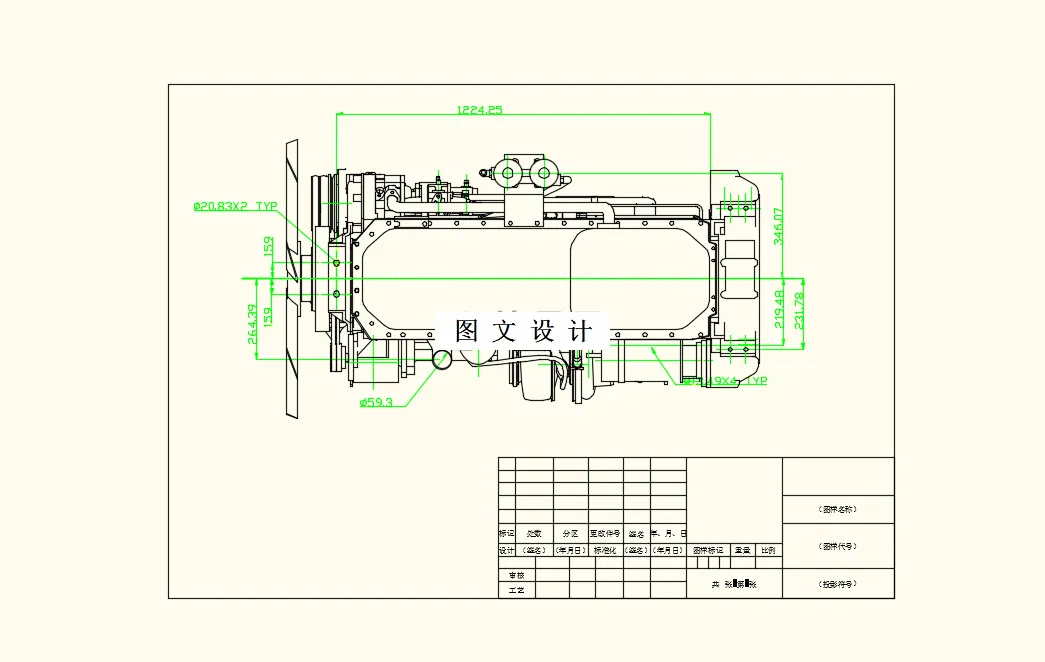
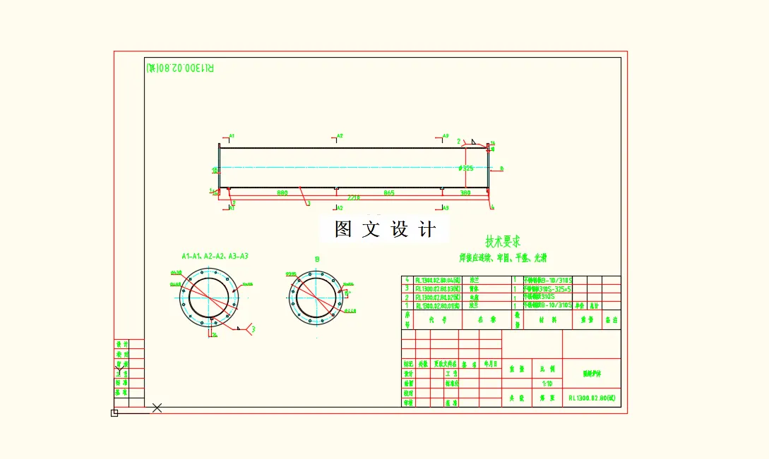
CAD版本图纸,共3张
摘要
在高速发展的现代化工业当中,炭黑、石墨烯等高分子化合物是现代工业生产与发展必需品,本文主要研究目的是设计乙炔热裂解制备炭黑的裂解炉。本文在确定裂解炉主要尺寸和形状后,运用简易裂解炉膛结构建立了三维仿真模型及数学模型,利用CONVERGE软件和RNG-k-ε湍流模型,选择出了较优的径长比模型,并对其又进行了CFD仿真模拟结果精确性进行了优化。通过模拟结果进行比较,综合各类结果选择一个较为理想的裂解炉结构。并再次代入模型进行对网格划分、边界条件等封面的二次优化,得出更利于反应发生的初始条件。目的不仅设计出较为优秀的乙炔裂解炉模型,并且让CFD仿真模拟结果更契合实际情况。通过数值模拟方法对了解裂解炉内温度和组分的分布有一定的指导意义,并为热裂解工艺参数的优化和热裂解炉体结构优化奠定了基础。
温馨提示:
1、题目前面的备注【字母数字编号】为本站整理分类的编号,与课题内容无关,请选题时忽视;
2、若题目上备注三维,则表示文件里包含三维源文件,由于三维组成零件数量较多,为保证预览截图的简洁性,本站将三维文件夹进行了打包。三维及CAD预览截图,均为本站电脑打开软件进行截图的,保证能够打开,下载原件超高清,下载后解压即可;
3、本站所有资源如无特殊说明,都需要本地电脑安装Office2007。图纸软件为AutoCAD,PROE,UG,SolidWorks,CATIA等;
4、本站所有图文资料仅供用户学习参考,不作为任何商用或其他用途;
5、本站不保证下载资源的准确性、安全性和完整性, 不包修改,不支持退换,同时也不承担用户因使用这些下载资源对自己和他人造成任何形式的伤害或损失;
6、 下载文件中如有侵权或不适当内容,请与我们联系,我们立即纠正。