

作品包括:
Word版设计说明书1份
CAD版本图纸,共6张
摘要
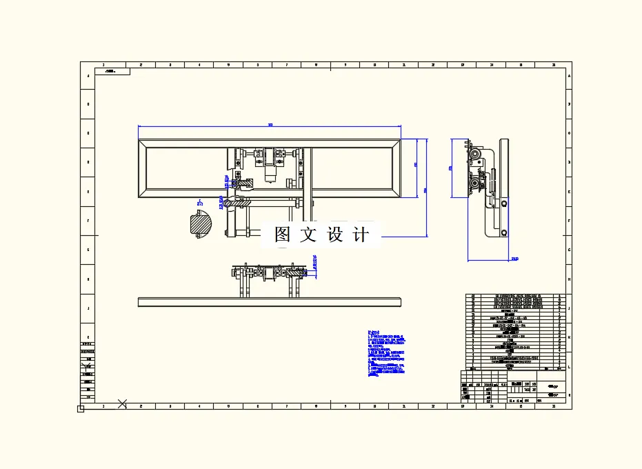
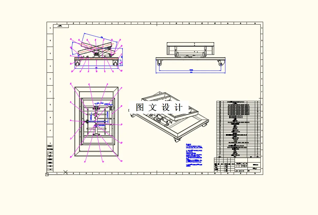
在人口老龄化日益加快的今天,老龄人口比例偏大,我国作为亚洲乃至全世界人口数量最多的国家,达到退休年龄的老年人的数量已经超过3亿,占据了全国总人口数的17.9%,并且这个比例数字正在以年均3. 32%的速度持续增长。很多老人因为年龄原因四肢退化行动不便,长期卧床,因此患上褥疮等床上病症,生活极其不便。为了改善以上情况,现设计了一款多功能老人床,辅助卧床老人完成曲背抬腿、前后左右倾斜等身体姿势的调整。
温馨提示:
1、题目前面的备注【字母数字编号】为本站整理分类的编号,与课题内容无关,请选题时忽视;
2、若题目上备注三维,则表示文件里包含三维源文件,由于三维组成零件数量较多,为保证预览截图的简洁性,本站将三维文件夹进行了打包。三维及CAD预览截图,均为本站电脑打开软件进行截图的,保证能够打开,下载原件超高清,下载后解压即可;
3、本站所有资源如无特殊说明,都需要本地电脑安装Office2007。图纸软件为AutoCAD,PROE,UG,SolidWorks,CATIA等;
4、本站所有图文资料仅供用户学习参考,不作为任何商用或其他用途;
5、本站不保证下载资源的准确性、安全性和完整性, 不包修改,不支持退换,同时也不承担用户因使用这些下载资源对自己和他人造成任何形式的伤害或损失;
6、 下载文件中如有侵权或不适当内容,请与我们联系,我们立即纠正。