

作品包括:
Word版设计说明书1份
CAD版本图纸,共11张
摘要
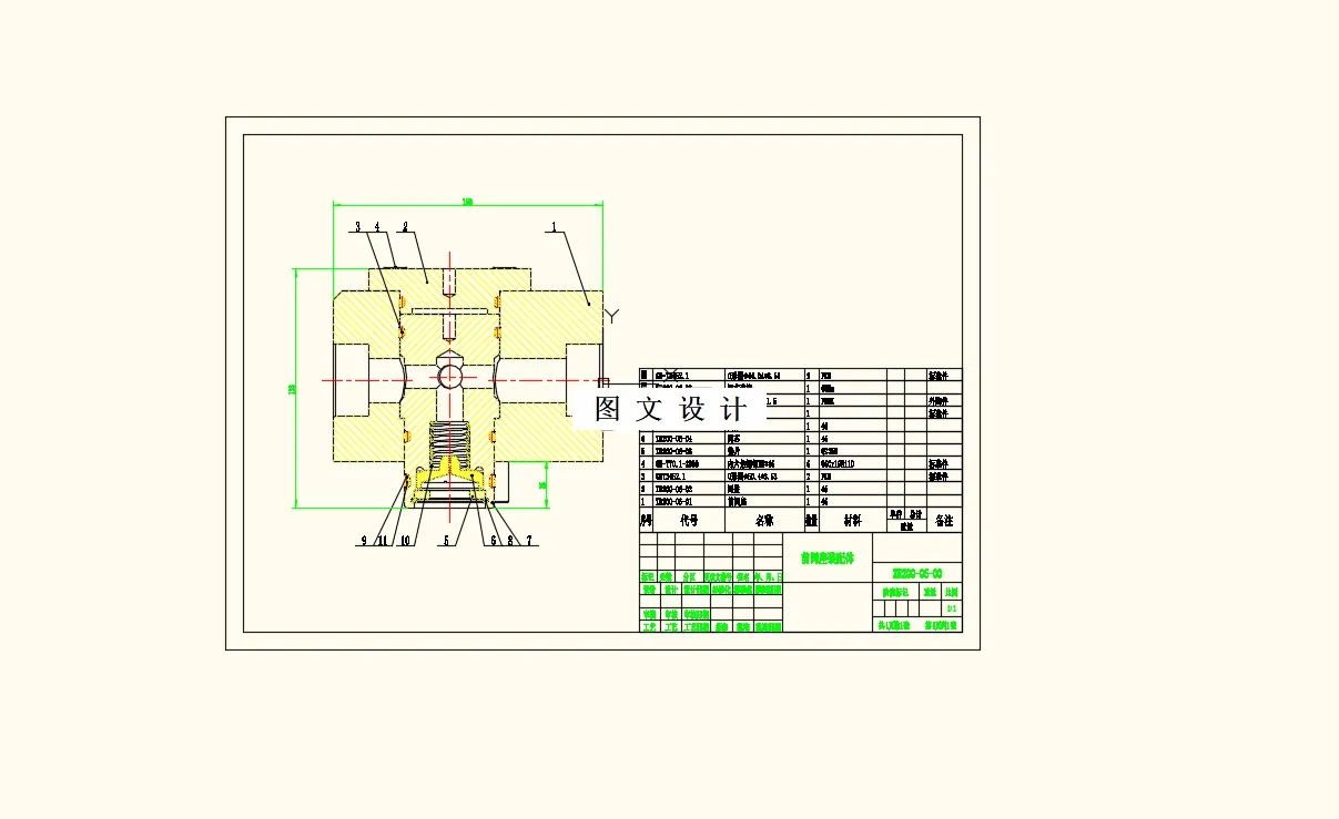
本文所设计研究的是一种液压阻尼器,其是一种典型的双向减振器。它主要包括活塞、主油缸、活塞杆、承载联接头,前座盖、后座盖,补油缸置于阻尼主油缸的外层。在经受管道系统遭遇地震及核电站主厂房失水事故冲击时,活塞杆带动活塞快速移动,控制阀闭锁,使阻尼器变为近似于刚性结构,保护管道或设备免受损坏。 本文以850t液压阻尼器为研制对象,总结出它的设计方案,完成200t液压减振器的设计及校核。
温馨提示:
1、题目前面的备注【字母数字编号】为本站整理分类的编号,与课题内容无关,请选题时忽视;
2、若题目上备注三维,则表示文件里包含三维源文件,由于三维组成零件数量较多,为保证预览截图的简洁性,本站将三维文件夹进行了打包。三维及CAD预览截图,均为本站电脑打开软件进行截图的,保证能够打开,下载原件超高清,下载后解压即可;
3、本站所有资源如无特殊说明,都需要本地电脑安装Office2007。图纸软件为AutoCAD,PROE,UG,SolidWorks,CATIA等;
4、本站所有图文资料仅供用户学习参考,不作为任何商用或其他用途;
5、本站不保证下载资源的准确性、安全性和完整性, 不包修改,不支持退换,同时也不承担用户因使用这些下载资源对自己和他人造成任何形式的伤害或损失;
6、 下载文件中如有侵权或不适当内容,请与我们联系,我们立即纠正。