

作品包括:
Word版设计说明书1份
CAD版本图纸,共5张
SW三维图一套
摘要
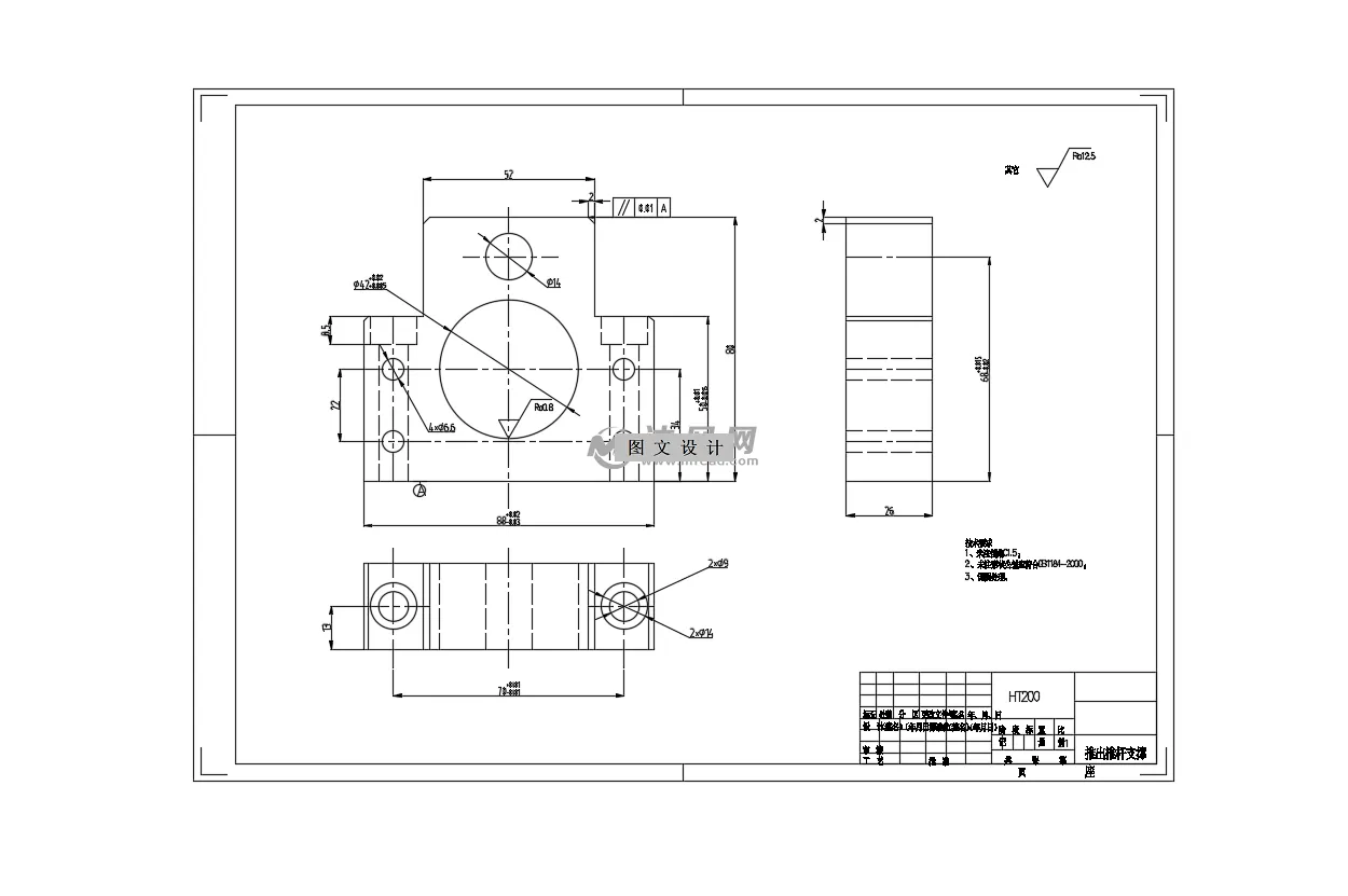
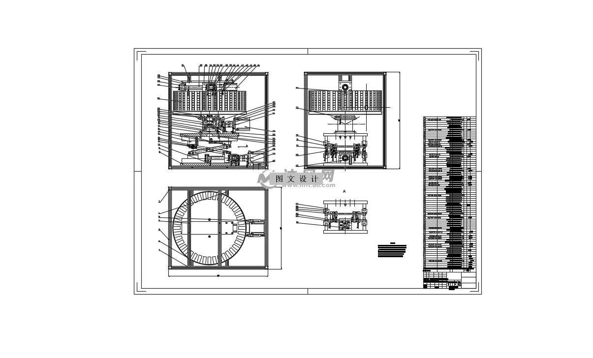
现今,电脑绣花机的布料装卸主要依靠人工装卸,为了解决布料装卸中既要夹紧又要容易装卸的问题,设计了一种智能材料夹具,为了充分发挥夹具的自动化优势,夹具的存放和供给机构起到关键作用。 本文通过总结现有的存储机构模型,分析存储机构的优缺点,结合对夹具模型的分析, 和对机构的功能分析,确定了夹具存放供给机构的设计方案。整体机构分为支撑架、推出推杆机构、旋转机构和升降机构四部分。支撑架起到支撑和固定作用,推出推杆机构起到推出夹具的作用,旋转机构中有存储盘,旋转机构起到存储夹具和旋转夹具位置的作用, 升降机构起到垂直方向上改变夹具位置的作用。 通过设计方案,对整体机构进行了三维建模和相关零件的选型计算。
温馨提示:
1、题目前面的备注【字母数字编号】为本站整理分类的编号,与课题内容无关,请选题时忽视;
2、若题目上备注三维,则表示文件里包含三维源文件,由于三维组成零件数量较多,为保证预览截图的简洁性,本站将三维文件夹进行了打包。三维及CAD预览截图,均为本站电脑打开软件进行截图的,保证能够打开,下载原件超高清,下载后解压即可;
3、本站所有资源如无特殊说明,都需要本地电脑安装Office2007。图纸软件为AutoCAD,PROE,UG,SolidWorks,CATIA等;
4、本站所有图文资料仅供用户学习参考,不作为任何商用或其他用途;
5、本站不保证下载资源的准确性、安全性和完整性, 不包修改,不支持退换,同时也不承担用户因使用这些下载资源对自己和他人造成任何形式的伤害或损失;
6、 下载文件中如有侵权或不适当内容,请与我们联系,我们立即纠正。