

作品包括:
Word版设计说明书1份
CAD版本图纸,共17张
摘要
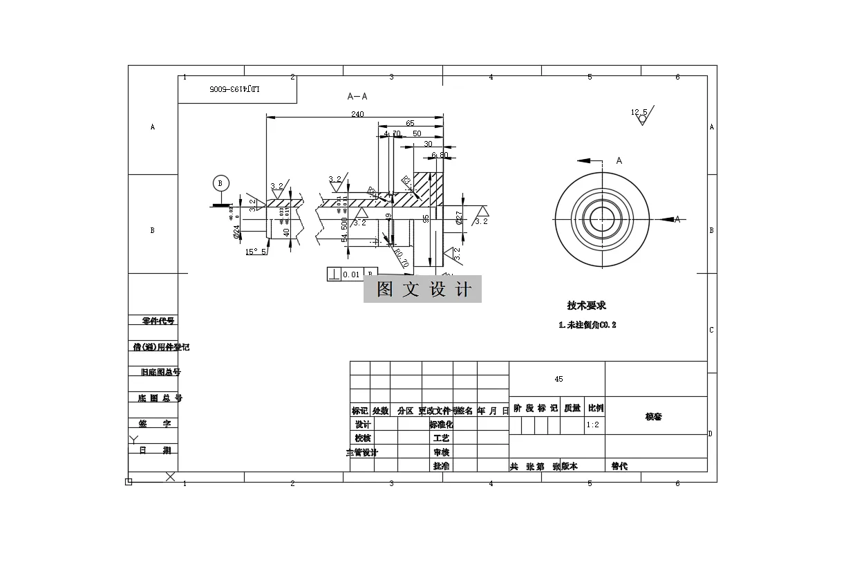
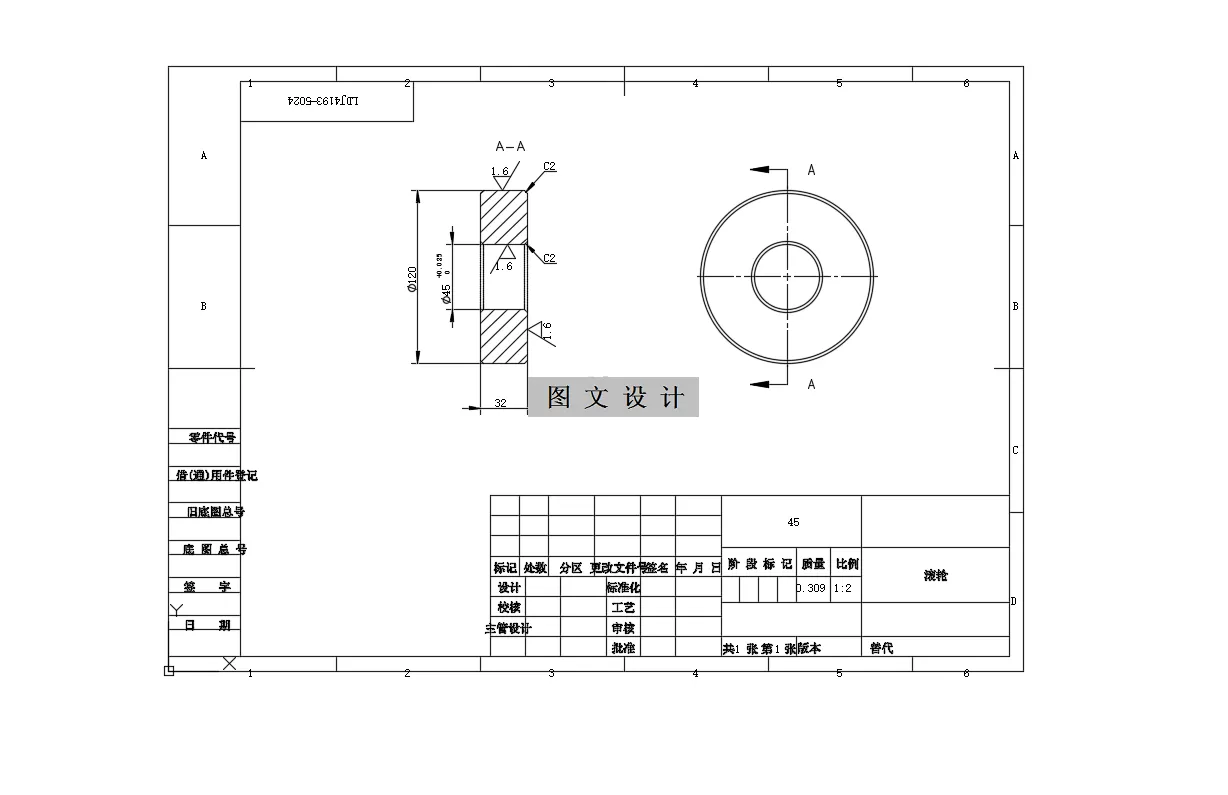
多工位自动冷镦机是一种专用机床,它具有自动化程度高、效率高的优点。它通过少切削或无切削的加工方法,将圆柱胚料加工成为具有特定外形的零件,一般用于加工标准件、紧固件、异形件。目前,多工位自动冷镦机应用越来越广泛,在国防、军工、汽车等各工业部门中均有应用,已经成为了塑性成型加工中非常重要的一种加工方法。随着我国经济的不断发展,对冷镦机的需求量也越来越大,并且对它的要求也越来越高。 顶料机构对于多工位自动冷墩机是非常重要的,其结构和动作的合理性,直接关系到整台机器的加工性能。本文将以 8 mm 四模四冲自动冷镦机为例,为其设计顶料机构。 本文从多工位自动冷镦机成形工艺特点入手,在分析了零件加工的整个过程和各辅助机构的详细运动特点后,运用机械原理和机械设计等知识设计出了 8 mm 四模四冲自动冷镦机的顶料机构,并且运用材料力学、机械力学等知识对主要零件进行了分析校核。
温馨提示:
1、题目前面的备注【字母数字编号】为本站整理分类的编号,与课题内容无关,请选题时忽视;
2、若题目上备注三维,则表示文件里包含三维源文件,由于三维组成零件数量较多,为保证预览截图的简洁性,本站将三维文件夹进行了打包。三维及CAD预览截图,均为本站电脑打开软件进行截图的,保证能够打开,下载原件超高清,下载后解压即可;
3、本站所有资源如无特殊说明,都需要本地电脑安装Office2007。图纸软件为AutoCAD,PROE,UG,SolidWorks,CATIA等;
4、本站所有图文资料仅供用户学习参考,不作为任何商用或其他用途;
5、本站不保证下载资源的准确性、安全性和完整性, 不包修改,不支持退换,同时也不承担用户因使用这些下载资源对自己和他人造成任何形式的伤害或损失;
6、 下载文件中如有侵权或不适当内容,请与我们联系,我们立即纠正。