

作品包括:
Word版说明书1份,共34页,约16000字
CAD版本图纸,共11张
目 录
1 前言 2
2 总体方案论证 3
2.1 提高载质量利用系数 3
2.1.1 底盘的载质量利用系数 3
2.1.2 专用装置的自重 3
2.2 细化轴荷分布计算 3
2.3 合理选择卸料方式 3
2.3.1 车厢后倾式卸料方式 3
2.3.2 推板卸料方式 4
2.4 提高垃圾压缩比 4
2.5 合理选择压缩机构液压控制方式 4
2.5.1 滑动刮板式压缩机构工作步骤 4
2.5.2 压缩机构液压控制方式 5
2.6 完善车辆密封 7
2.7 结构方案的确定 7
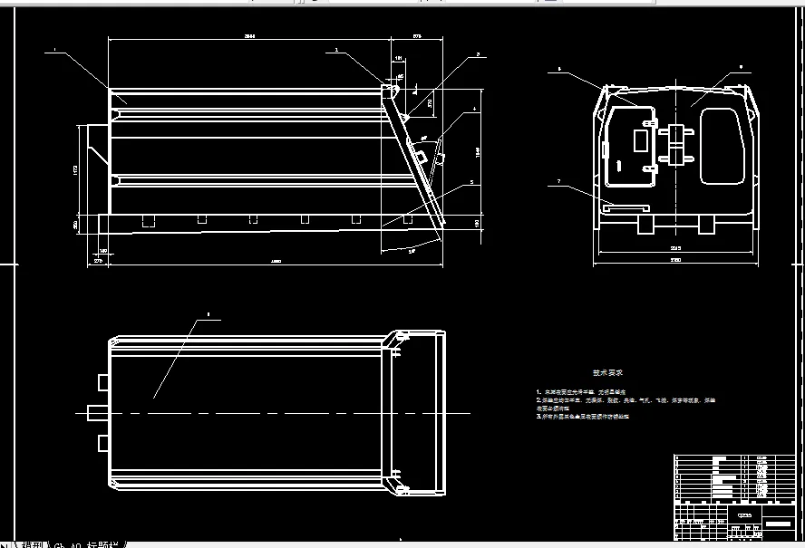
2.7.1 传统自卸式垃圾车的结构分析 7
2.7.2 本垃圾车的结构特点 7
3 垃圾车总体设计与计算 8
3.1 垃圾车质量参数的确定 8
3.1.1 装载量 8
3.1.2 整备质量 8
3.1.3 汽车的总质量 9
3.2 垃圾车发动机的选型 9
3.2.1 发动机最大功率及其相应转速 9
3.2.2 发动机最大转矩及其相应转速 9
3.2.3 发动机适应性系数ф 10
3.3 料斗容积与污水箱容积 10
3.4 底盘的改造 11
3.4.1 整备质量和轴荷分配 11
3.4.2 性能参数 11
3.4.3 尺寸参数 12
3.5 车架的计算 13
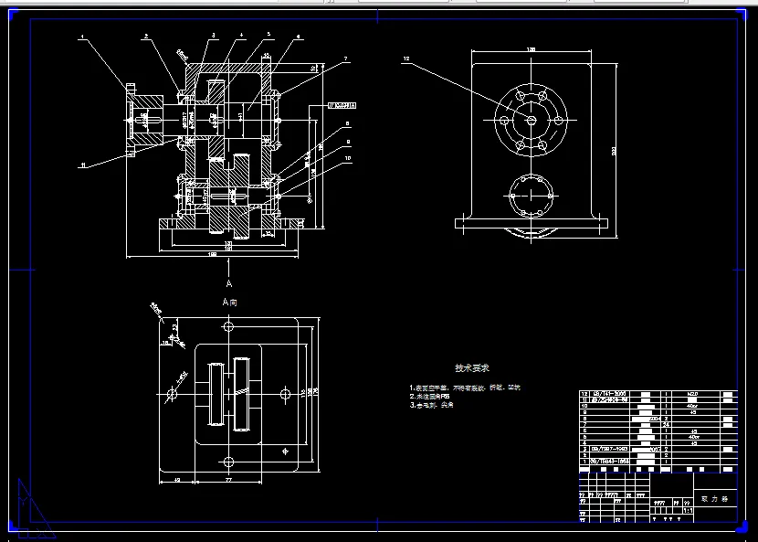
3.6 液压系统设计 15
3.6.1 滑板、刮板油缸受力分析 16
3.6.2 举升油缸受力分析 18
3.6.3液压缸的结构设计 19
3.6.4液压缸内径D和活塞杆直径d的确定 20
3.6.5液压缸壁厚、外径及工作行程的计算 21
3.6.6 液压缸缸底和缸盖的计算 22
3.6.7液压缸进出油口尺寸的确定 22
3.6.8 液压油缸受力分析与校核 23
3.6.9 液压缸的主要零件的材料和技术要求 23
3.6.10 泵的计算与选择 24
3.6.11 液压油箱容积的确定 25
3.6.12确定管道的直径 26
3.6.13 油箱设计 27
3.6.14 液压泵装置 29
3.6.15辅助元件的选用 30
4结论 31
参考文献 32
致 谢 33
附 录 34
温馨提示:
1、题目前面的备注【字母数字编号】为本站整理分类的编号,与课题内容无关,请选题时忽视;
2、若题目上备注三维,则表示文件里包含三维源文件,由于三维组成零件数量较多,为保证预览截图的简洁性,本站将三维文件夹进行了打包。三维及CAD预览截图,均为本站电脑打开软件进行截图的,保证能够打开,下载原件超高清,下载后解压即可;
3、本站所有资源如无特殊说明,都需要本地电脑安装Office2007。图纸软件为AutoCAD,PROE,UG,SolidWorks,CATIA等;
4、本站所有图文资料仅供用户学习参考,不作为任何商用或其他用途;
5、本站不保证下载资源的准确性、安全性和完整性, 不包修改,不支持退换,同时也不承担用户因使用这些下载资源对自己和他人造成任何形式的伤害或损失;
6、 下载文件中如有侵权或不适当内容,请与我们联系,我们立即纠正。