

作品包括:
Word设计说明书1份
CAD版本图纸,共14张
摘要
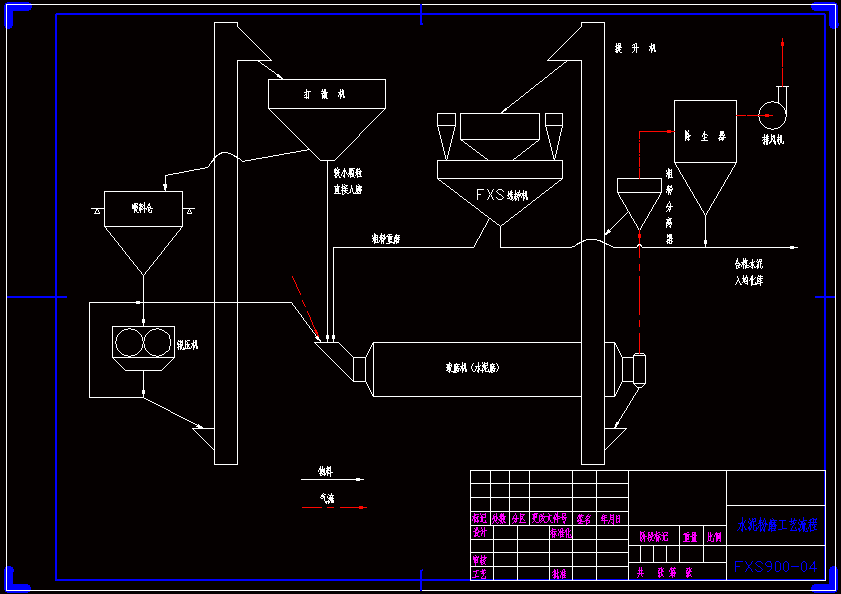
FXS900组合式选粉机总体及双出风口分离器设计 摘要:选粉机是圈流粉磨系统的主要设备之一,通过选粉机对粉末粒径的选择,能够很大程度上减少细粉重新进磨,解决对粗粉粉磨的缓冲作用问题,从而提高粉磨效率,进而提高了能源利用率。本课题设计的是FXS900组合式选粉机,它是在旋风式选粉机的基础上进行改进而成的一种高效旋粉机。该设计吸收了O-SEPA选粉机的的先进悬浮分散技术和平面涡流理论,并在选粉机主体四周设有旋风筒来收集细粉。设计内容分为选粉机总体设计和双出风口分离器的设计。在进行总体设计时,通过风量的计算选择风机,确定旋粉室直径与转子直径,再计算主轴的转速和选粉机的功率,选择电机和减速机。双出风口分离器的设计是我此次设计的重点。双出风口分离器的结构设计主要是在单出风口分离器的基础上改进而来。传统的旋风分离器存在下述三个主要缺陷: a.旋风分离器中心净化气流是一股较强的旋涡流无用压力损失占分离器总压力损失65%以上。 b.在上进风口与上出风口间存在短路流。 c.锥部集料口因气流转向而导致已沉降微细粉尘“二次返混”。 通过在筒体内增设可调节开度的导流口,改善了旋风分离器内的流场,使得分离器的捕集细粉能力有了显著的提高,为现行组合式选粉机改造拓展了市场。
关键词:选粉机,双出风口分离器,圈流粉磨 ,平面涡流
温馨提示:
1、题目前面的备注【字母数字编号】为本站整理分类的编号,与课题内容无关,请选题时忽视;
2、若题目上备注三维,则表示文件里包含三维源文件,由于三维组成零件数量较多,为保证预览截图的简洁性,本站将三维文件夹进行了打包。三维及CAD预览截图,均为本站电脑打开软件进行截图的,保证能够打开,下载原件超高清,下载后解压即可;
3、本站所有资源如无特殊说明,都需要本地电脑安装Office2007。图纸软件为AutoCAD,PROE,UG,SolidWorks,CATIA等;
4、本站所有图文资料仅供用户学习参考,不作为任何商用或其他用途;
5、本站不保证下载资源的准确性、安全性和完整性, 不包修改,不支持退换,同时也不承担用户因使用这些下载资源对自己和他人造成任何形式的伤害或损失;
6、 下载文件中如有侵权或不适当内容,请与我们联系,我们立即纠正。