

作品包括:
Word设计说明书1份
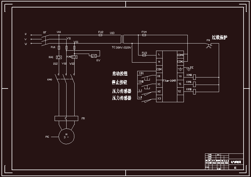
CAD版本图纸,共4张

摘要
基于PLC的压力容器控制系统设计在众多生产领域中,经常需要对压力罐等容器中的液位进行监控,以往常采用传统的继电器接触控制,使用硬连接电器多,可靠性差,自动化程度不高。而本课题利用工业控制计算机 (IPC) 作为上位机,利用MCGS软件作为程序开发平台,下位机采用可编程序控制器 (三菱FX2N—16M PLC),组成一个压力过程控制监控系统对压力进行监控,其电路结构简单,投资少,监控系统不仅自动化程度高,还具有在线修改功能,灵活性强,可直接运用于锅炉压力控制中,也可用于恒压供水系统中。
温馨提示:
1、题目前面的备注【字母数字编号】为本站整理分类的编号,与课题内容无关,请选题时忽视;
2、若题目上备注三维,则表示文件里包含三维源文件,由于三维组成零件数量较多,为保证预览截图的简洁性,本站将三维文件夹进行了打包。三维及CAD预览截图,均为本站电脑打开软件进行截图的,保证能够打开,下载原件超高清,下载后解压即可;
3、本站所有资源如无特殊说明,都需要本地电脑安装Office2007。图纸软件为AutoCAD,PROE,UG,SolidWorks,CATIA等;
4、本站所有图文资料仅供用户学习参考,不作为任何商用或其他用途;
5、本站不保证下载资源的准确性、安全性和完整性, 不包修改,不支持退换,同时也不承担用户因使用这些下载资源对自己和他人造成任何形式的伤害或损失;
6、 下载文件中如有侵权或不适当内容,请与我们联系,我们立即纠正。