

作品包括:
Word设计说明书1份
CAD版本图纸,共8张

摘要
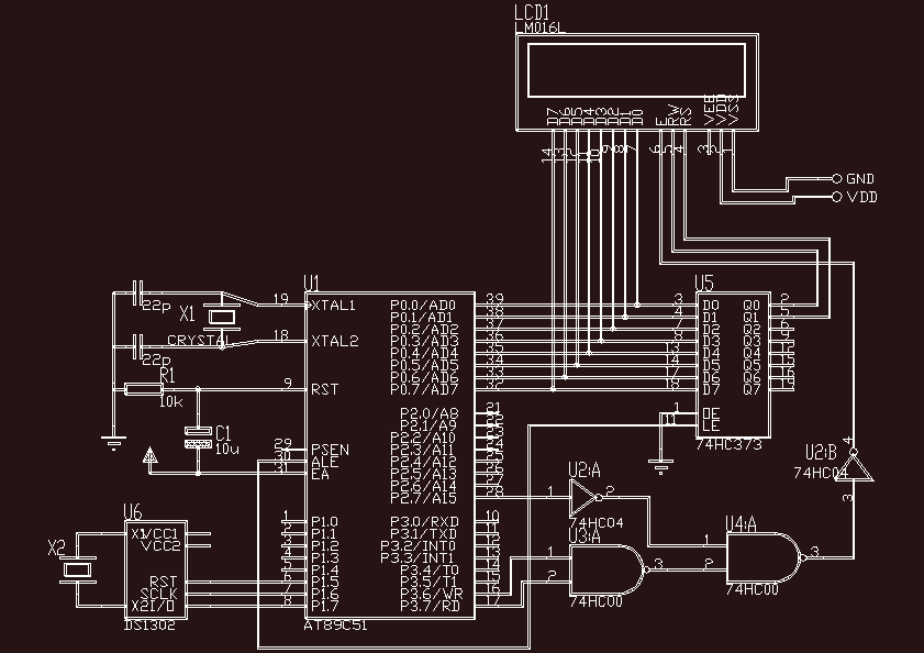
单片机电子日历设计该电子万年历主要采用AT89C51单片机作为主控核心,由DS1302时钟芯片提供时钟、LCD动态扫描显示屏显示。AT89C51单片机是由Atmel公司推出的,功耗小,电压可选用4~6V电压供电;DS1302时钟芯片是美国DALLAS公司推出的具有涓细电流充电功能的低功耗实时时钟芯片,它可以对年、月、日、星期、时、分、秒进行计时,还具有闰年补偿等多种功能,而且DS1302的使用寿命长,误差小;数字显示是采用的LCD液晶显示屏来显示,可以同时显示年、月、日、星期、时、分、秒和温度等信息。此外,该电子万年历还具有时间校准等功能。
温馨提示:
1、题目前面的备注【字母数字编号】为本站整理分类的编号,与课题内容无关,请选题时忽视;
2、若题目上备注三维,则表示文件里包含三维源文件,由于三维组成零件数量较多,为保证预览截图的简洁性,本站将三维文件夹进行了打包。三维及CAD预览截图,均为本站电脑打开软件进行截图的,保证能够打开,下载原件超高清,下载后解压即可;
3、本站所有资源如无特殊说明,都需要本地电脑安装Office2007。图纸软件为AutoCAD,PROE,UG,SolidWorks,CATIA等;
4、本站所有图文资料仅供用户学习参考,不作为任何商用或其他用途;
5、本站不保证下载资源的准确性、安全性和完整性, 不包修改,不支持退换,同时也不承担用户因使用这些下载资源对自己和他人造成任何形式的伤害或损失;
6、 下载文件中如有侵权或不适当内容,请与我们联系,我们立即纠正。