

作品包括:
Word设计说明书1份,共57页,约15000字
CAD版本图纸,共5张

摘要
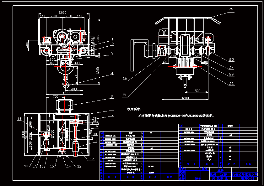
起重机是一种作循环、间歇运动的机械。本课题为5t桥式起重机的设计,主要用于车间及仓库的起吊及搬运货物。该起重机主要是由大梁、起升装置、端梁、大梁行走机构、起升装置行走机构、轨道和电气动力、控制装置等构成。以间歇、重复工作方式,通过起重吊钩或其它吊具的起升、下降,或升降与运移重物。 构成桥式起重机的主要金属结构部分是桥架,它横架在车间两侧吊车梁的轨道上,并沿轨道前后运行。除桥架外,还有小车,小车上装有起升机构和运行机构,可以带着吊起的物品沿桥架上的轨道运行。于是桥架的前后运行和小车沿桥架的运行以及起升机构的升降动作,三者所构成的立体空间范围是桥式起重机吊运物品的有效空间。通用桥式起重机一般都具有三个机构:起升机构(起重量稍大的有主副两套起升机构)、小车运行机构和大车运行机构。另外还包括栏杆、司机室等。 本次设计的起重机工作特点是具有周期性:在每一工作循环中,它的主要机构作一次正向及反向运动,每次循环包括物品的装载及卸载,搬运物品的工作行程和卸载后的空钩回程,前后两次装载之间还有包括辅助准备时间在内的短暂停歇。
温馨提示:
1、题目前面的备注【字母数字编号】为本站整理分类的编号,与课题内容无关,请选题时忽视;
2、若题目上备注三维,则表示文件里包含三维源文件,由于三维组成零件数量较多,为保证预览截图的简洁性,本站将三维文件夹进行了打包。三维及CAD预览截图,均为本站电脑打开软件进行截图的,保证能够打开,下载原件超高清,下载后解压即可;
3、本站所有资源如无特殊说明,都需要本地电脑安装Office2007。图纸软件为AutoCAD,PROE,UG,SolidWorks,CATIA等;
4、本站所有图文资料仅供用户学习参考,不作为任何商用或其他用途;
5、本站不保证下载资源的准确性、安全性和完整性, 不包修改,不支持退换,同时也不承担用户因使用这些下载资源对自己和他人造成任何形式的伤害或损失;
6、 下载文件中如有侵权或不适当内容,请与我们联系,我们立即纠正。