

作品包括:
Word设计说明书1份,共49页,约16000字
CAD版本图纸,共5张

摘要
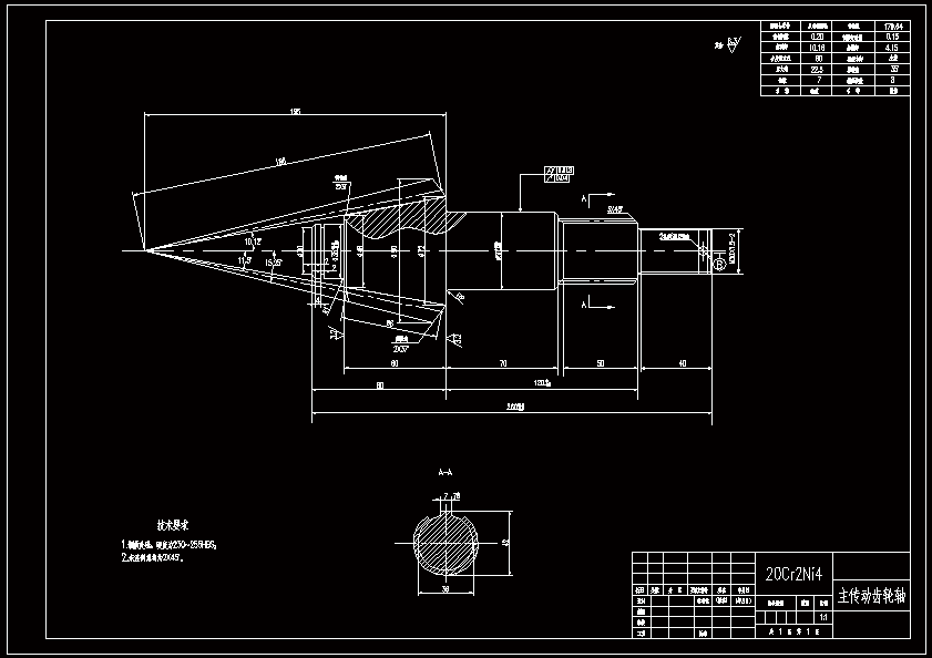
本次设计内容为ZL50装载机驱动桥设计,大致上分为主传动的设计,差速器的设计,半轴的设计,最终传动的设计四大部分。其中主传动锥齿轮采用35°螺旋锥齿轮,这种类型的齿轮的基本参数和几何参数的计算是本次设计的重点所在。将齿轮的几个基本参数,如齿数,模数,从动齿轮的分度圆直径等确定以后,用大量的公式可计算出齿轮的所有几何参数,进而进行齿轮的受力分析和强度校核。了解了差速器,半轴和最终传动的结构和工作原理以后,结合设计要求,合理选择它们的形式及尺寸。本次设计差速器齿轮选用直齿圆锥齿轮,半轴采用全浮式 ,最终传动采用单行星排减速式。
温馨提示:
1、题目前面的备注【字母数字编号】为本站整理分类的编号,与课题内容无关,请选题时忽视;
2、若题目上备注三维,则表示文件里包含三维源文件,由于三维组成零件数量较多,为保证预览截图的简洁性,本站将三维文件夹进行了打包。三维及CAD预览截图,均为本站电脑打开软件进行截图的,保证能够打开,下载原件超高清,下载后解压即可;
3、本站所有资源如无特殊说明,都需要本地电脑安装Office2007。图纸软件为AutoCAD,PROE,UG,SolidWorks,CATIA等;
4、本站所有图文资料仅供用户学习参考,不作为任何商用或其他用途;
5、本站不保证下载资源的准确性、安全性和完整性, 不包修改,不支持退换,同时也不承担用户因使用这些下载资源对自己和他人造成任何形式的伤害或损失;
6、 下载文件中如有侵权或不适当内容,请与我们联系,我们立即纠正。