

作品包括:
Word设计说明书1份
CAD版本图纸,共16张
摘要
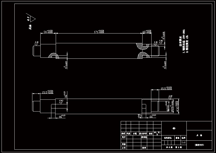
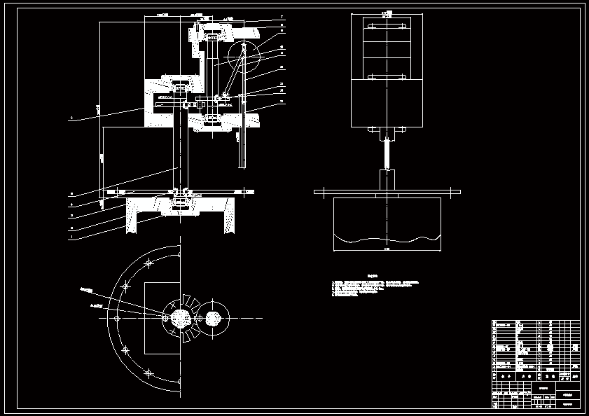
我国目前的山楂去核机械的发展情况比较落后,由于缺少良好的设备,加工手段落后,生产效率低,致使一些地区出现水果积压腐烂现象,给果农造成很大的经济损失。山楂去核手工作业现在在中国仍然是主要的加工手段,不仅占用大量的劳动力、劳动强度大、生产率低,而且卫生安全也得不到有效保障。去核作业是山楂加工工序中十分重要的前处理工序。以往的手工操作远不能满足现代山楂加工的需求,不仅占用大量的劳力,劳动强度大,生产效率低,且产品质量难以控制。本设计主要是为了解决山楂去核作业的劳动强度大,安全卫生,提高生产效率,降低山楂果实破损率,保证山楂产品的质量。因此,小型山楂去核机有非常好的应用前景。
温馨提示:
1、题目前面的备注【字母数字编号】为本站整理分类的编号,与课题内容无关,请选题时忽视;
2、若题目上备注三维,则表示文件里包含三维源文件,由于三维组成零件数量较多,为保证预览截图的简洁性,本站将三维文件夹进行了打包。三维及CAD预览截图,均为本站电脑打开软件进行截图的,保证能够打开,下载原件超高清,下载后解压即可;
3、本站所有资源如无特殊说明,都需要本地电脑安装Office2007。图纸软件为AutoCAD,PROE,UG,SolidWorks,CATIA等;
4、本站所有图文资料仅供用户学习参考,不作为任何商用或其他用途;
5、本站不保证下载资源的准确性、安全性和完整性, 不包修改,不支持退换,同时也不承担用户因使用这些下载资源对自己和他人造成任何形式的伤害或损失;
6、 下载文件中如有侵权或不适当内容,请与我们联系,我们立即纠正。