

作品包括:
Word设计说明书1份,共59页,约13000字
任务书一份
外文翻译一份
CAD版本图纸,共12张

摘要
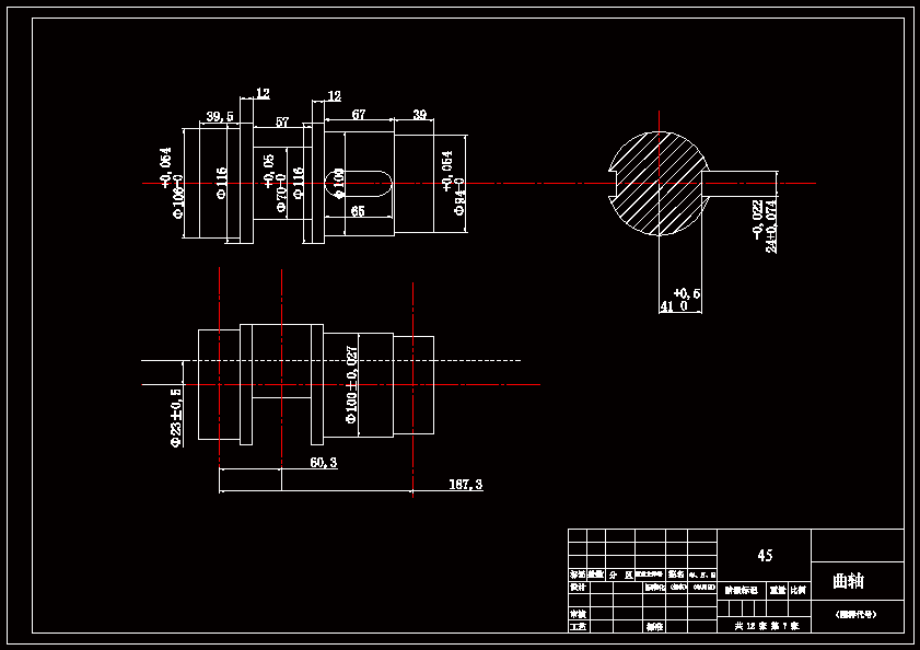
本课题的主要内容是针对建筑机械钢筋切断机的设计进行的。在市面销售的钢筋切断机成品上面进行了测绘计算,然后使用CAXA电子图版绘制出其全部零件的零件图及装配图,零件图上要标注公差、表面粗糙度等等技术要求,然后进行能量、功率,转矩的分配计算,能量由电动机和双飞轮供应,飞轮是本次的一个重点难点,由切割所需功率算出飞轮需要提供的功率,然后利用现有飞轮尺寸校核速度波动校核飞轮是否符合要求。然后在其减速机构上进行传动比分配计算,并核对其合理性。然后进行V带传动设计校核计算,齿轮传动的设计校核计算,轴的弯矩扭矩的计算、弯矩扭矩图的绘制和轴的强度校核,键的强度校核计算。
温馨提示:
1、题目前面的备注【字母数字编号】为本站整理分类的编号,与课题内容无关,请选题时忽视;
2、若题目上备注三维,则表示文件里包含三维源文件,由于三维组成零件数量较多,为保证预览截图的简洁性,本站将三维文件夹进行了打包。三维及CAD预览截图,均为本站电脑打开软件进行截图的,保证能够打开,下载原件超高清,下载后解压即可;
3、本站所有资源如无特殊说明,都需要本地电脑安装Office2007。图纸软件为AutoCAD,PROE,UG,SolidWorks,CATIA等;
4、本站所有图文资料仅供用户学习参考,不作为任何商用或其他用途;
5、本站不保证下载资源的准确性、安全性和完整性, 不包修改,不支持退换,同时也不承担用户因使用这些下载资源对自己和他人造成任何形式的伤害或损失;
6、 下载文件中如有侵权或不适当内容,请与我们联系,我们立即纠正。