

作品包括:
Word设计说明书1份,共49页,约18000字
CAD版本图纸,共3张

摘要
在农用机械动力系统中,液压传动系统设计是整个农用机械设计的重要一环,其性能好坏对农用机械性能影响重大。HST液压传动系统由于其结构紧凑、体积小、重量轻、安全性好、耐冲击以及使用方便等优点,在收割机中得到广泛应用,并受到深入研究。利用HST液压传动系统能够有效地避免动载荷所带来的冲击,实现整车平稳工作,提高了收割机的工作效率。本文在分析HST液压传动系统的工作特点以及原理的基础上,对液压传统系统的测试系统进行了设计,包括对总的设计系统原理图以及电控图等进行了详尽的设计、计算以及选型等。完成液压泵试验台的总体方案设计,并对试验台的集成阀块与试验台结构进行设计,最后经过试验与测试分析,结果表明本文设计的液压泵试验态具有良好的精度和稳定性。
关键词:HST,液压传动系统,测试平台
目录
摘要 I
Abstract II
1 绪论 1
1.1 研究背景及意义 1
1.2 HST技术研究现状 2
2 HST液压传动系统试验台的组成及功用 4
2.1 HST液压传动的工作特点和原理 4
2.1.1 HST的特点 4
2.1.2 HST的原理 5
2.2液压传动系统关键元件实验分类 5
2.2.1 液压泵、液压马达试验分类 5
2.2.2 液压传动系统元件试验标准 6
2.2.3 液压传动系统元件性能试验 7
2.3液压传动系统试验台性能参数的计算原理 9
2.3.1 液压泵性能参数的计算 9
2.3.2 液压马达性能参数的计算 10
3 液压传动系统试验台技术标准及总体方案的确定 12
3.1液压传动系统试验台的技术要求与测试流程 12
3.1.1 试验台的技术标准 12
3.1.2 试验台测试流程设计 12
3.2液压传动系统试验台加载方法的选择 13
3.2.1 液压泵试验常用加载方法 13
3.2.2 液压马达试验常用加载方法 15
3.2.3 本系统加载方法的确定 16
3.3液压传动系统试验台速度调节设计 17
3.3.1 可控硅直流电机调速方案 17
3.3.2 变频器三相异步电动机调速 18
3.3.3 本系统调速方案的确定 19
3.4液压传动系统试验台整体方案确定 19
3.4.1 液压原理图设计 19
3.4.2 液压传动系统试验台工作原理 21
3.4.3 液压传动系统测试系统建立 21
4 液压传动系统试验台系统设计 22
4.1动力驱动子系统设计 22
4.1.1 液压泵及选型 22
4.1.2 转矩转速传感器 23
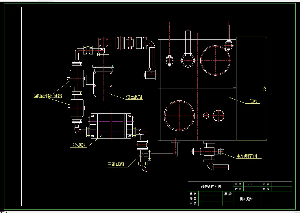
4.2过滤温控子系统设计 24
4.2.1 油箱设计及选型 24
4.2.2 冷却器设计及选型 25
4.3辅助管道子系统设计 26
4.3.1 油管内径计算 26
4.3.2 油孔间的壁厚及校核 27
4.3.3 液压油的选择 28
5 液压传动系统性能试验台系统实验与测试分析 29
5.1试验台的结构设计 29
5.1.1 液压试验台架的设计 29
5.1.2 试验台架轴向定位 33
5.2液压元件性能试验台系统硬件组成 35
5.3液压系统压力估算方法 36
5.3.1 沿程压力损失 36
5.3.2 局部压力损失 37
5.3.3 液压系统总压力损失 37
5.4液压元件试验台性能测试实验数据分析 38
参考文献 41
致谢 43
温馨提示:
1、题目前面的备注【字母数字编号】为本站整理分类的编号,与课题内容无关,请选题时忽视;
2、若题目上备注三维,则表示文件里包含三维源文件,由于三维组成零件数量较多,为保证预览截图的简洁性,本站将三维文件夹进行了打包。三维及CAD预览截图,均为本站电脑打开软件进行截图的,保证能够打开,下载原件超高清,下载后解压即可;
3、本站所有资源如无特殊说明,都需要本地电脑安装Office2007。图纸软件为AutoCAD,PROE,UG,SolidWorks,CATIA等;
4、本站所有图文资料仅供用户学习参考,不作为任何商用或其他用途;
5、本站不保证下载资源的准确性、安全性和完整性, 不包修改,不支持退换,同时也不承担用户因使用这些下载资源对自己和他人造成任何形式的伤害或损失;
6、 下载文件中如有侵权或不适当内容,请与我们联系,我们立即纠正。