M5250-08钢套多次拉深整形冲孔落料级进模具设计
M5249-某MP4前体注射成型工艺分析及注射模具设计[含UG三维图]
M5238-圆桶塑料注射模设计
M5237-L型钩板垫片冲孔落料模具设计-长20.8
M5223-支架零件的多工位级进模设计-长20
M5219-手机后盖C08注塑模具设计
M5204-手机外壳前盖的模具设计
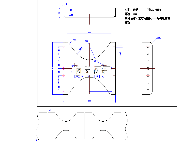
M5202-左右连接板后钢板弹簧横梁模具设计
M5198-畚箕把手塑料模具设计
M5197-按键注塑模具设计
M5196-按钮帽落料拉深复合模设计-长20
M5195-扳手套毛坯成型工艺及模具设计
M5178-垫板冲孔落料级进模具设计-外径25
M5174-横向连接板零件冲压工艺及模具设计-长340
M5169-数码相机骨架结构塑料模具设计[含UG三维图]
M5157-变速箱凹形零件的冲压模具设计-长108
M5145-电器盒盖塑料模具的设计[含UG三维图]
M5144-电器挂钩薄片电阻板连续模模具设计[含Proe三维图]
M5143-垫片冲裁模具设计[含UG三维图]
M5141-圆弧弯曲件落料冲孔弯曲复合模设计