

作品包括:
word版本说明书一份,共29页,约15000字
CAD版本图纸,共21张
PROE三维图纸,全套57张
型腔仿真加工
电风扇前罩注塑模具设计
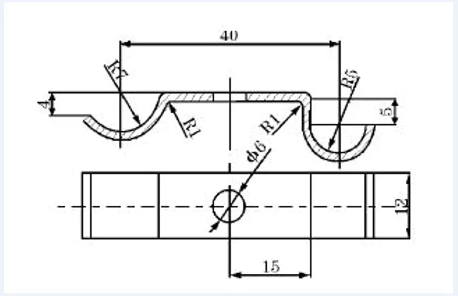
摘要:本设计课题来源于盐城市江苏羽佳集团。所设计的模具是用于生产电风扇前罩的专用模具。该套模具适合于大批量多件生产,在实际生产中能够很好的满足注塑制件的加工要求,提高生产率和产品的精度。
通过分析塑件的成型工艺,选择聚丙烯的成型工艺参数,设计了一模一腔的注射模具。按聚丙烯的平均收缩率设计计算模具成型尺寸,设计链传动机构,用旋转脱出的方法解决塑件细纹脱模问题。设计内容主要包括塑件的工艺性分析,注塑模具的总体结构设计以及模具三维造型三个主要部分。在设计过程中,以模具的总体结构设计为主线,从成型工艺、塑件的设计原则、模具结构合理性等方面综合分析;根据塑件的形状和尺寸确定模具的总体结构方案,选择合理的模具结构,最终绘制出模具的总体装配图。模具一次试模成功,运行灵活可靠,塑件精度达到设计要求,外表面光洁,给企业创造了经济效益。
关键词:注塑模具;工艺;造型;装配
目 录
1 前言 1
2 总体方案设计 3
2.1 总体方案论证 3
2.2热塑性塑料注塑成型工艺性分析 3
2.3设计要点 3
2.4 塑件的测绘 4
2.5 塑件的三维造型 6
2.6 塑件的工艺分析 7
2.6.1塑件的材料分析 7
2.6.2塑件尺寸精度的选择 7
2.6.3塑件的结构工艺性分析 8
2.7脱模斜度的确定 8
3总体结构设计说明 9
3.1注塑机的选择 9
3.2注塑机的校验 9
3.3型腔数目的确定 10
3.4塑件收缩率的计算 10
3.5模具型腔工作尺寸计算 10
3.6模具型芯工作尺寸计算 11
3.7螺纹型芯工作尺寸计算 11
3.8分型面的设计 11
3.9 浇注系统设计 12
3.10冷却系统设计 14
3.10.1冷却系统的设计原则 14
3.10.2模具的冷却水道直径计算 15
3.11脱模机构设计 16
3.12导向机构设计 17
3.13排气系统设计 17
3.14侧抽芯机构设计 17
3.15模具材料的选择 19
3.16模板尺寸的确定 19
3.17绘制模具总体装配图 19
4模具零件的工艺分析及制造 21
4.1零件的加工工艺分析 21
4.2凹模的加工仿真 22
5 结论 25
参考文献 26
致 谢 27
附 录 28
温馨提示:
1、题目前面的备注【字母数字编号】为本站整理分类的编号,与课题内容无关,请选题时忽视;
2、若题目上备注三维,则表示文件里包含三维源文件,由于三维组成零件数量较多,为保证预览截图的简洁性,本站将三维文件夹进行了打包。三维及CAD预览截图,均为本站电脑打开软件进行截图的,保证能够打开,下载原件超高清,下载后解压即可;
3、本站所有资源如无特殊说明,都需要本地电脑安装Office2007。图纸软件为AutoCAD,PROE,UG,SolidWorks,CATIA等;
4、本站所有图文资料仅供用户学习参考,不作为任何商用或其他用途;
5、本站不保证下载资源的准确性、安全性和完整性, 不包修改,不支持退换,同时也不承担用户因使用这些下载资源对自己和他人造成任何形式的伤害或损失;
6、 下载文件中如有侵权或不适当内容,请与我们联系,我们立即纠正。