

作品包括:
Word版说明书1份,共38页
CAD版本图纸,共10张
UG三维图一份

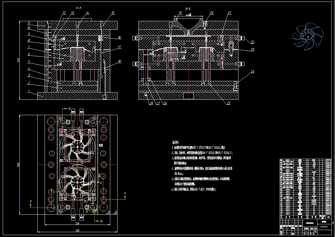
本文研究的是CPU散热风扇的注塑成型模具相关设计。在本次模具设计中我们首先准备了CPU散热风扇零件图,绘制出了CPU散热风扇产品三维图,通过分析它的外部结构形状结构和尺寸大小以及精度来拟定合理的模具设计方案,并对产品的塑料原材料进行了选择并作出类性能分析,产品体积通过三维软件分析获得,并初选了注塑机型号为HTF86J/TJ。本次设计分型面位置选在了产品底面以及7个扇叶的底面组成的最大轮廓面处,型腔数目决定采用一模两腔结构,型腔排布采用直线排布,在浇口类型上选择了点浇口类型,在制品的脱模机构上我们采用推杆推出CPU散热风扇的方式来推出产品。最后经过分析,认为此次的塑料模具设计还需要设计一套模具冷却系统,这样能够提高产品的成型质量。最后对注塑机主要参数进行了校核。
关键词:CPU散热风扇;注塑模;分型面;脱模机构;一模两腔
目录
1绪论2
1.1概述2
1.2我国塑料模具发展的现状2
1.3我国模具技术发展的趋势3
1.4设计的意义3
2 CPU散热风扇的工艺性分析5
2.1塑件结构分析5
2.2原材料分析7
2.2.1 ABS的基本特性7
2.2.2 ABS的性能分析8
2.3塑件的注塑成型工艺参数8
3 CPU散热风扇相关计算及注塑机型号选择10
3.1投影面积计算10
3.2体积及质量计算10
3.3选择注塑机11
4分型面的选择及型腔排布13
4.1分型面及型腔确定13
4.2型腔数目的确定及布局13
5浇注系统设计15
5.1主流道设计15
5.2主流道衬套形式16
5.3分流道设计16
5.4浇口设计17
5.5冷料穴设计18
5.6主流道剪切速率校核19
5.6.1计算主流道的体积容量19
5.6.2计算主流道的剪切速率19
6成型零部件设计20
6.1成型零件的材料选择20
6.2型芯结构设计20
6.3型腔结构设计21
6.4成型零部件的设计与计算22
6.4.2型芯径向尺寸计算23
6.4.1型腔深度尺寸计算24
6.4.2型芯高度尺寸计算24
7抽芯机构设计25
7.1抽芯机构类型选择25
7.2抽芯距确定与抽芯力的计算26
7.3斜导柱分型与抽芯机构零部件设计26
7.4滑块的设计27
8脱模机构设计28
8.1推出机构的设计原则28
8.2脱模力的计算28
8.3推杆布置29
9冷却及排气系统设计30
9.1设计原则30
9.2求冷却水的体积流量30
9.3冷却时间计算31
9.4排气机构31
10模架的选用32
11注射机校核35
11.1注射量的校核35
11.2锁模力的校核35
11.3模具闭合高度的校核1
11.4模具开模行程校核1
12结论2
参考文献3
致谢4
温馨提示:
1、题目前面的备注【字母数字编号】为本站整理分类的编号,与课题内容无关,请选题时忽视;
2、若题目上备注三维,则表示文件里包含三维源文件,由于三维组成零件数量较多,为保证预览截图的简洁性,本站将三维文件夹进行了打包。三维及CAD预览截图,均为本站电脑打开软件进行截图的,保证能够打开,下载原件超高清,下载后解压即可;
3、本站所有资源如无特殊说明,都需要本地电脑安装Office2007。图纸软件为AutoCAD,PROE,UG,SolidWorks,CATIA等;
4、本站所有图文资料仅供用户学习参考,不作为任何商用或其他用途;
5、本站不保证下载资源的准确性、安全性和完整性, 不包修改,不支持退换,同时也不承担用户因使用这些下载资源对自己和他人造成任何形式的伤害或损失;
6、 下载文件中如有侵权或不适当内容,请与我们联系,我们立即纠正。