

作品包括:
Word版说明书1份,共21页,约12000字
开题报告一份
CAD版本图纸,共7张

摘要
模具生产技术水准的高低,已成为衡量一个国家产品制造水平高低的重要标志,因为模具在很大程度上决定着产品的质量、效益和新产品的开发能力。
此是根据所设计的塑料模具编写的。在编写过程中,力求做到理论结合实际,培养自己的动手能力。
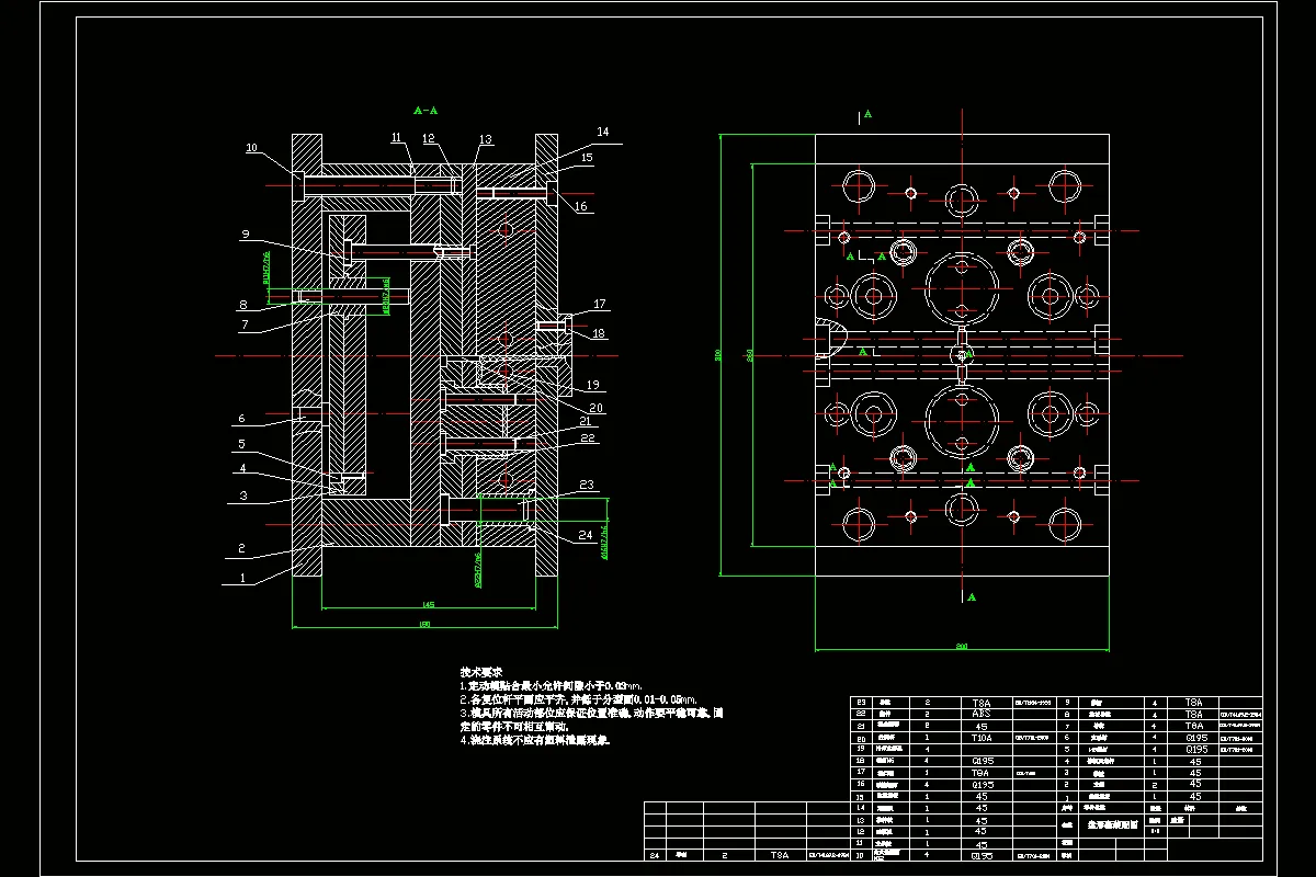
本共有八章内容,第一章引言,介绍塑件的结构和尺寸;第二章塑件原料及设计原则,包括塑件的原材料、塑件的结构分析;第三章注射机的选择与校核,包括注射机的基本参数、注射机的分类、注射机的基本技术参数;第四章注射模的结构设计,包括浇注系统的设计、浇口设计、排气系统的设计、分型面的选择、成型零件的设计、刚度和硬度的条件计算、脱模机构的设计、模具温度的调节系统、侧向抽芯机构的设计等;第五章模具闭合高度的确定;第六章注射模的试模;第七章工作原理,介绍了此设计的模具的工作原理;第八章后记,总结此次设计过程中的心得,此副模具的优缺点。
关键词:浇口,注射模,分型面,塑性,收缩率
目录
第一章引言…………………………………………………(3)
第二章塑件的原材料及设计原则…………………………(3)
2.1塑件的原材料……………………………………………(3)
2.2明确塑件生产批量………………………………………(4)
2.3明确塑件体积质量………………………………………(4)
第三章注射机的选择与安装………………………………(4)
3.1额定注射量……………………………………………(5)
3.2额定锁模力……………………………………………(5)
3.3额定注射压力…………………………………………(5)
3.4注射机的形式和模具的关系……………………………(6)
3.5注射机与安装模具的关系………………………………(7)
第四章注射模的结构设计…………………………………(7)
4.1成型零部件设计…………………………………………(7)
4.2浇注系统………………………………………………(8)
4.2.1浇道………………………………………………(9)
4.2.2浇口………………………………………………(10)
4.2.3冷料穴……………………………………………(10)
4.2.4进料口……………………………………………(11)
4.3推出机构……………………………………………(12)
4.4温度调节系统…………………………………………(13)
4.5排气系统………………………………………………(14)
第五章分析计算……………………………………………(15)
第六章后记…………………………………………………(19)
主要参考文献………………………………………………………(20)
温馨提示:
1、题目前面的备注【字母数字编号】为本站整理分类的编号,与课题内容无关,请选题时忽视;
2、若题目上备注三维,则表示文件里包含三维源文件,由于三维组成零件数量较多,为保证预览截图的简洁性,本站将三维文件夹进行了打包。三维及CAD预览截图,均为本站电脑打开软件进行截图的,保证能够打开,下载原件超高清,下载后解压即可;
3、本站所有资源如无特殊说明,都需要本地电脑安装Office2007。图纸软件为AutoCAD,PROE,UG,SolidWorks,CATIA等;
4、本站所有图文资料仅供用户学习参考,不作为任何商用或其他用途;
5、本站不保证下载资源的准确性、安全性和完整性, 不包修改,不支持退换,同时也不承担用户因使用这些下载资源对自己和他人造成任何形式的伤害或损失;
6、 下载文件中如有侵权或不适当内容,请与我们联系,我们立即纠正。