

作品包括:
Word版说明书1份,共31页,约7200字
外文翻译一份
CAD版本图纸,共20张

摘要
本次设计的题,目为拉紧片弯曲件复合模和弯曲模—采用的材料是Q235。
本设计对模具设计思路及结构特点进行了较全面论述。结合模具发展现状及冲压模具设计的主要技术,对拉紧片弯曲件进行了详细的工艺分析;进行了冲压力、压力中心以及模具工作部分尺寸等冲压工艺计算;并对卸料装置、定位装置及导料装置等模具结构样式进行了选择;根据计算结果以及模具结构,对模具的主要零部件进行了设计;以及对压力机进行了合理选择。
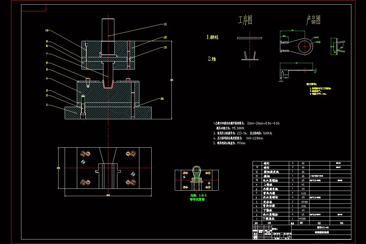
因为拉紧片弯曲件结构一般,因此对精密度要求一般,在设计的过程中要充分考虑到定位板的中心轴孔对称度要求,以及材料平整度和模具工作强度。为了提高生产率及保证工件的尺寸精度,因此决定采用复合模来生产。根据冲片的结构,决定选用倒装式结构和弹性卸料,导料销来导料,挡料销来挡料。随后,在进行零件的弯曲。因为本零件结构一般,因此弯曲工艺不难,可一次成型。
本次一共设计了两副模具,第一副为落料冲孔复合模,采用的是凸凹模和卸料板在下的倒装结构,凸模,凹模在上,冲孔产生的废料直接从凸凹模漏料孔掉下,制件卡在凹模中,由顶件器将产品从凹模中顶出,采用挡料销挡料,导料钉导料,卸料的方式采用弹性卸料,弹性元件为橡胶。
第二副模具为弯曲模,其对产品的定位为定位板,凸模在上,产品向上弯曲,角度为九十度。
关键词:拉紧片弯曲件复合模弯曲模倒装材料高利用率
目录
摘要1
ABSTRACT 2
1.前言5
2.绪论6
2.1模具技术的历史与发展水平6
2.1.1模具CAD/CAM技术状况6
2.1.2模具设计与制造能力状况6
2.2模具在现代工业中的地位7
3.零件的冲压工艺性分析7
3.1材料7
3.3工艺方案的确定10
3.4影响排样的因素11
3.5排样图设计步骤13
3.6材料利用率的计算15
5.有关工艺计算15
5.1冲裁力的计算及冲床的选择15
5.2压力中心的计算18
6.定距方式19
7.1凸模,凹模设计20
7.1.1凸模的结构设计20
7.1.2凸模,凹模刃口尺寸的计算21
7.2凹模设计22
8.卸料装置的设计24
8.1卸料装置的设计24
8.2.1垫板25
8.2.2模架26
8.2.3紧固与安装要求27
8.3复合模合弯曲模的结构分析28
8.4复合模总装图29
8.5弯曲模总装图30
9.材料的选用31
结论32
致谢33
参考文献34
温馨提示:
1、题目前面的备注【字母数字编号】为本站整理分类的编号,与课题内容无关,请选题时忽视;
2、若题目上备注三维,则表示文件里包含三维源文件,由于三维组成零件数量较多,为保证预览截图的简洁性,本站将三维文件夹进行了打包。三维及CAD预览截图,均为本站电脑打开软件进行截图的,保证能够打开,下载原件超高清,下载后解压即可;
3、本站所有资源如无特殊说明,都需要本地电脑安装Office2007。图纸软件为AutoCAD,PROE,UG,SolidWorks,CATIA等;
4、本站所有图文资料仅供用户学习参考,不作为任何商用或其他用途;
5、本站不保证下载资源的准确性、安全性和完整性, 不包修改,不支持退换,同时也不承担用户因使用这些下载资源对自己和他人造成任何形式的伤害或损失;
6、 下载文件中如有侵权或不适当内容,请与我们联系,我们立即纠正。