

作品包括:
Word版说明书1份,共17页,约7200字
钣金成形冲压工艺规程一份
CAD版本图纸,共12张

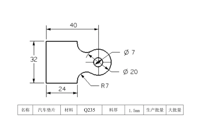
摘要:通过对汽车垫片钣金工艺性的正确分析,设计了一副冲孔落料复合模。说明书详细的叙述了该模具的整个设计过程,包括:零件工艺性分析,钣金成形工艺方案的确定,模具结构形式的确定,模具总体结构的设计,主要参数设计计算,以及钣金成形工艺规程等,并绘制出模具装配图和非标准件零件图。最后注意模具的使用和维护。
关键词:垫片;备料、排样、下料;冲孔、落料;绘图
摘要………………………………………………………………………………4
关键词……………………………………………………………………4
1前言………………………………………………………………………………5
2零件图的分析………………………………………………7
2.1零件的功用性与经济性分析………………………………………………7
2.2零件的冲压工艺性分析………………………………………………………7
2.2.1结构形状与尺寸………………………………………………………7
2.2.2精度与表面粗糙度……………………………………………………8
2.2.3材料……………………………………………………8
3冲压工艺设计………………………………………………………8
3.1冲压工艺方案的确定………………………………………………………8
3.1.1冲压工序性质与数量的确定…………………………………………8
3.1.2冲压工艺方案的分析与确定…………………………………………8
3.2冲压工艺参数的确定………………………………………………9
3.2.1冲压尺寸的计算……………………………………………………9
3.2.2排样方式与下料方式的确定……………………………………11
3.2.3各工序冲压力的计算与冲压设备的选择……………………12
3.3冲压工艺规程的编制……………………………………………12
4冲压模具的设计………………………………………………12
4.1模具类型和结构形式的确定……………………………………………12
4.1.1模具结构类型的确定…………………………………………………12
4.1.2操作和定位方式的选择………………………………………………12
4.1.3卸料和出件方式的选择………………………………………………13
4.1.4模架类型与模具组合形式的确定……………………………………13
4.2模具零件的设计与选用…………………………………………………13
4.2.1工作零件的设计………………………………………………………13
(1)凸、凹模间隙的确定………………………………………………13
(2)凸、凹模刃口尺寸的计算…………………………………………14
(3)模具压力中心的确定………………………………………………15
(4)凸模结构型式及尺寸的确定………………………………………16
(5)凹模结构型式及尺寸的确定………………………………………17
4.2.2定位零件的设计与选用………………………………………………17
4.2.3卸料装置的设计………………………………………………………17
4.2.4支承固定零件的设计与选用…………………………………………17
(1)凸(凹)模固定板………………………………………………17
(2)垫板…………………………………………………………………17
(3)模柄…………………………………………………………………17
4.2.5模架及其零件的选用………………………………………………18
4.3模具图样的绘制及压力机校核…………………………………………18
4.3.1模具装配图的绘制…………………………………………………18
4.3.2模具零件图的绘制…………………………………………………18
4.3.3压力机技术参数的校核………………………………………………18
5模具工作原理与使用维护………………………………………………21
6设计总结………………………………………………………………………22
7参考文献………………………………………………………………………23
8致谢……………………………………………………………………………23
温馨提示:
1、题目前面的备注【字母数字编号】为本站整理分类的编号,与课题内容无关,请选题时忽视;
2、若题目上备注三维,则表示文件里包含三维源文件,由于三维组成零件数量较多,为保证预览截图的简洁性,本站将三维文件夹进行了打包。三维及CAD预览截图,均为本站电脑打开软件进行截图的,保证能够打开,下载原件超高清,下载后解压即可;
3、本站所有资源如无特殊说明,都需要本地电脑安装Office2007。图纸软件为AutoCAD,PROE,UG,SolidWorks,CATIA等;
4、本站所有图文资料仅供用户学习参考,不作为任何商用或其他用途;
5、本站不保证下载资源的准确性、安全性和完整性, 不包修改,不支持退换,同时也不承担用户因使用这些下载资源对自己和他人造成任何形式的伤害或损失;
6、 下载文件中如有侵权或不适当内容,请与我们联系,我们立即纠正。