

作品包括:
Word版说明书1份,共30页,约10000字
CAD版本图纸,共18张

摘要: 垫板——冲孔落料级进模设计。通过分析制件的工艺性可确定制件的成形加工需要一副模具完成。在一副连续模中,可以完成包括冲裁,弯曲,拉伸和成形等多道冲压工序。相对其他冷冲压模具结构而言,它具有以下一些优点:
①工件加工精度较好,尺寸精度较高,并且模具寿命较长;
②生产效率高,凸凹模不受到最小壁厚的限制。但需考虑的问题是:模具零部件加工制造比较困难,成本较高,并且受条料外形尺寸的精度限制较大。
关键词:连续模 工艺性能 凸凹模 模具制造
目 录
1绪论……………………………………………………………………………………………1
2制件的工艺性分析……………………………………………………………………… 2
3工艺方案的确定…………………………………………………………………………3
4主要工艺参数计算………………………………………………………………………4
4.1 排样的设计与计算………………………………………………………………… 4
4.1.1 确定搭边与搭肩值…………………………………………………………………4
4.1.2 计算送料步距和条料的宽度………………………………………………………4
4.1.3 计算材料的利用率…………………………………………………………………5
4.2 冲压力的计算并初步选取压力机的吨位………………………………………5
4.2.1冲压力的计算……………………………………………………………5
4.2.2 卸料力.推件力及顶件力的计算……………………………………………6
4.2.3 总冲压力……………………………………………………………………7
4.3 压力机的公称压力的确定……………………………………………………………7
4.4 压力中心的确定……………………………………………………………………8
4.5 工作部分的尺寸计算………………………………………………………………8
4.5.1 计算凸凹模工作部分的尺寸(冲孔)并确定其公差………………………8
4.5.2 外形落料凸模、凹模刃口尺寸的计算………………………………………9
5模具总体设计……………………………………………………………………12
5.1 模具类型的选择……………………………………………………………………12
5.2 定位方式的选择……………………………………………………………………12
5.3 导向方式的选择…………………………………………………………………12
5.4 卸料方式的选择…………………………………………………………………12
6 模具主要零部件的设计…………………………………………………………13 6.1 工作零件的结构设计………………………………………………………… 13
6.1.1 凹模的设计……………………………………………………………… 13
6.1.2 冲孔凸模的设计………………………………………………………… 14
6.2 定位零件的设计…………………………………………………………… 16
6.2.1 始用挡料销的设计与标准化………………………………………………17
6.2.2 固定挡料销的设计与标准化………………………………………………17
6.2.3 导正销的设计与标准化……………………………………………………18
6.2.4 导料板的设计与标准化……………………………………………………18
6.3 导向装置的设计……………………………………………………………19
6.4 卸料装置的设计………………………………………………………………19
6.5 连接与固定装置的设计………………………………………………………20
6.5.1 模柄的设计…………………………………………………………………20
6.5.2 固定板的设计………………………………………………………………20
6.5.3 螺钉与销钉的设计…………………………………………………………21
6.5.5 卸料板的设计………………………………………………………………21
6.6 模架及组成零件的确定……………………………………………………………21
6.6.1 模架的选用…………………………………………………………………………21
6.6.2 模座的确定………………………………………………………………21
7 模具闭合高度及压力机有关参数的校核 ………………………………………………22
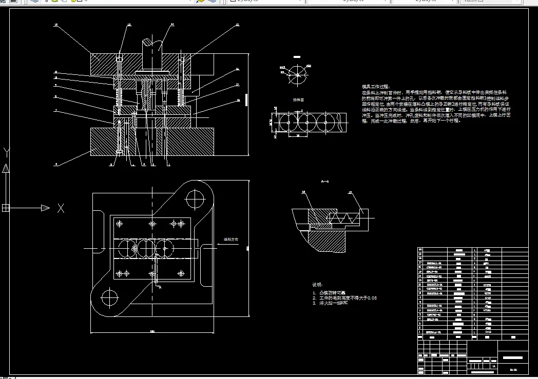
8 绘制模具总装图和非标零件工作图………………………………………………… 23 8.1 本模具总装图和非标零件工作图见附图…………………………………… 23 8.2 本模具的工作原理……………………………………………………………… 23
9结束语………………………………………………………………………………24
致谢 …………………………………………………………………………………25
参考文献……………………………………………………………………………26
温馨提示:
1、题目前面的备注【字母数字编号】为本站整理分类的编号,与课题内容无关,请选题时忽视;
2、若题目上备注三维,则表示文件里包含三维源文件,由于三维组成零件数量较多,为保证预览截图的简洁性,本站将三维文件夹进行了打包。三维及CAD预览截图,均为本站电脑打开软件进行截图的,保证能够打开,下载原件超高清,下载后解压即可;
3、本站所有资源如无特殊说明,都需要本地电脑安装Office2007。图纸软件为AutoCAD,PROE,UG,SolidWorks,CATIA等;
4、本站所有图文资料仅供用户学习参考,不作为任何商用或其他用途;
5、本站不保证下载资源的准确性、安全性和完整性, 不包修改,不支持退换,同时也不承担用户因使用这些下载资源对自己和他人造成任何形式的伤害或损失;
6、 下载文件中如有侵权或不适当内容,请与我们联系,我们立即纠正。