

作品包括:
Word版说明书1份,共45页,约16000字
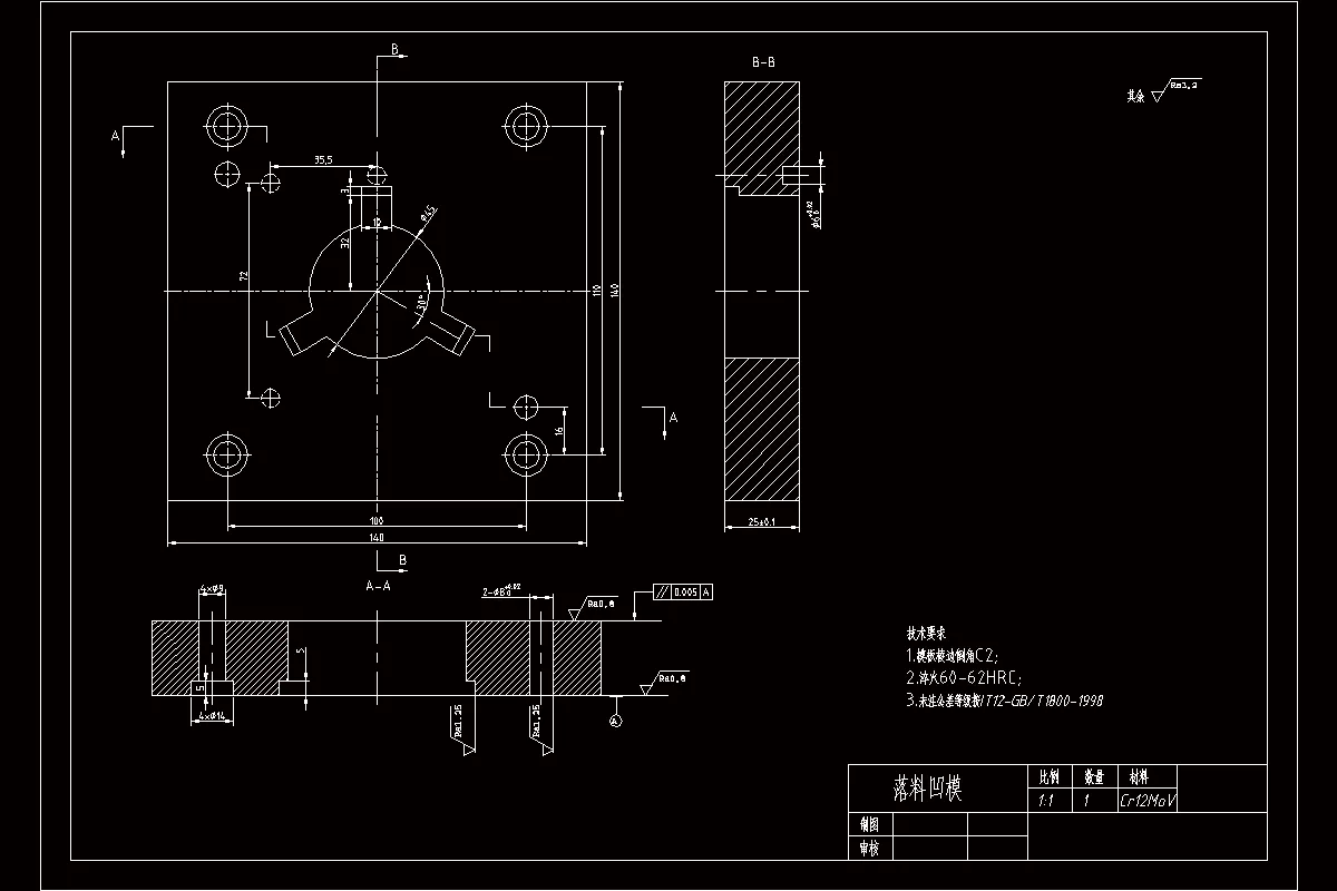
CAD版本图纸,共13张

摘要
汽车发动机异形垫片工件由冲裁工艺构成,工件内外轮廓均由直线圆弧相切构成,在工件上有三个直径为6mm和1个直径为10mm的孔,工件具备轴对称和中心对称。因此模具的设计和排样从冲孔、落料、等工艺分析出发,需要考虑各孔位冲裁时对外轮廓影响情况,查阅相关设计手册,工件是否符合冲裁加工。从实际生产的角度出发,为了节约模具设计、用材、制造成本,提高工件生产效率和尺寸精度,综合分析该工件的模具设计方案采用了复合模具冲裁。在模具设计前主要分析个尺寸轮廓工艺的受力情况,查找未标注公差的尺寸公差,根据尺寸公差来确定模具制造的精度,确定排样方案和条料的宽度,选取模架结构,计算模具的冲裁间隙、压力中心、模具闭合高度和冲压力的综合,再一步的选取相对应的冲压设备,使用CAD制图软件绘制模具装配图、主要工作零件图,撰写模具相关设计说明书。
关键词:复合模,冲裁力,冲裁间隙,压力中心
目 录
1 绪论 1
1.1冷冲压模具概述 1
1.2冲压模具的发展趋势 1
1.3冲压模具的现状和市场需求 1
2 冲压件工艺分析 3
2.1 工件材料分析 4
2.2 工件结构形状分析 4
2.3 尺寸精度 4
3 冲压工艺方案确定 6
3.1 冲裁工艺方案的确定 6
3.2 冲裁工艺方法的选择 6
4 模具总体结构 7
4.1 模具类型的选择 7
4.2 定位方式的选择 7
4.3 送料方式的确定 7
4.4 出件方式的确定 7
4.5 送料方向的确定 7
4.6 导向方式的确定 7
5 工艺参数计算 9
5.1工件展平尺寸计算 9
5.2 排样方式的选择 9
5.2.1 搭边值的确定 10
5.2.2 材料利用率的计算 12
5.3 冲压力的计算 12
5.3.1 冲裁力的计算 13
5.3.2 卸料力计算 14
5.3.3弯曲力的计算 14
5.3.4 总冲压力的计算 14
5.3.5 初选压力机 15
5.4.6 压力中心的确定 15
6 刃口尺寸的计算 17
6.1 冲裁间隙的确定 17
6.2 刃口尺寸的计算及依据与法则 19
7 主要零部件设计 23
7.1 凹模设计 23
7.1.1 凹模刃口结构形式的选择 23
7.1.2 凹模精度与材料的确定 23
7.1.3 凹模外形尺寸的确定 24
7.2 凸模的设计 27
7.2.1 凸模结构的确定 27
7.2.2 凸模高度、长度的确定 27
7.2.3 凸模材料的确定 29
7.2.4 凸模精度的确定 29
7.3 卸料装置的设计 29
7.3.1 卸料板的外形设计 29
7.3.2 卸料板材料的选择 29
7.3.3 卸料板的结构设计 30
7.3.4 卸料板整体精度的确定 30
7.3.5 卸料弹簧的设计 30
7.3.6 卸料螺钉的选用 30
7.4 凸模固定板的设计 30
7.5 导向零件的设计 31
7.5.1 垫板的设计 31
7.5.2 导料板的设计 31
7.5.3 浮升销的设计 31
7.6 导正销的设计 32
7.7 模架、模柄的选用 32
7.7.1 上下模座的选用 32
7.7.2 模柄的选用 34
7.8 螺钉的选用 34
8 冲压设备的校核与选定 35
8.1 冲压设备的校核 35
8.2 冲压设备的选用 35
9 压力机的选择 36
10 模具结构简述 37
结 论 40
致 谢 41
参考文献 42
附录 43
温馨提示:
1、题目前面的备注【字母数字编号】为本站整理分类的编号,与课题内容无关,请选题时忽视;
2、若题目上备注三维,则表示文件里包含三维源文件,由于三维组成零件数量较多,为保证预览截图的简洁性,本站将三维文件夹进行了打包。三维及CAD预览截图,均为本站电脑打开软件进行截图的,保证能够打开,下载原件超高清,下载后解压即可;
3、本站所有资源如无特殊说明,都需要本地电脑安装Office2007。图纸软件为AutoCAD,PROE,UG,SolidWorks,CATIA等;
4、本站所有图文资料仅供用户学习参考,不作为任何商用或其他用途;
5、本站不保证下载资源的准确性、安全性和完整性, 不包修改,不支持退换,同时也不承担用户因使用这些下载资源对自己和他人造成任何形式的伤害或损失;
6、 下载文件中如有侵权或不适当内容,请与我们联系,我们立即纠正。