

作品包括:
Word版说明书1份,共34页,约10000字
CAD版本图纸,共5张

摘要
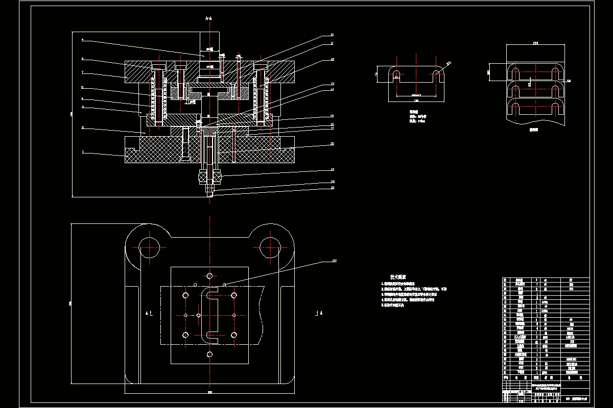
本次为轿车内定位垫片零件大批量生产的冲压模具设计,轿车内定位垫片零件由钢板冲压加工而成,目的是设计并优化其批量生产工艺及部分冲压模具,体现了板类冲压零件的设计要求、内容及方向,有一定的设计意义。通过对该零件模具的设计,设计者重新学习并加强了冲压模具设计的基础知识,为设计更复杂的冲压模具做好了铺垫并吸取了更深刻的经验。
本设计运用冲压成型工艺及模具设计的基础知识,首先分析了工件的成形工艺及模具成形结构对制件质量的影响。介绍了轿车内定位垫片零件大批量生产的冲压模具设计时要注意的要点,如排样与送料方式和卸料与导向方式,并从控制零件精度为出发点讨论了主要工作件间隙的确定和刃口尺寸及冲压力的计算,通过对制件进行工艺分析,可确定制件的成形加工用一套单工序模即可。从模具设计到零部件的加工工艺以及装配工艺等进行详细的阐述,并应用CAD进行各重要零件的设计。
温馨提示:
1、题目前面的备注【字母数字编号】为本站整理分类的编号,与课题内容无关,请选题时忽视;
2、若题目上备注三维,则表示文件里包含三维源文件,由于三维组成零件数量较多,为保证预览截图的简洁性,本站将三维文件夹进行了打包。三维及CAD预览截图,均为本站电脑打开软件进行截图的,保证能够打开,下载原件超高清,下载后解压即可;
3、本站所有资源如无特殊说明,都需要本地电脑安装Office2007。图纸软件为AutoCAD,PROE,UG,SolidWorks,CATIA等;
4、本站所有图文资料仅供用户学习参考,不作为任何商用或其他用途;
5、本站不保证下载资源的准确性、安全性和完整性, 不包修改,不支持退换,同时也不承担用户因使用这些下载资源对自己和他人造成任何形式的伤害或损失;
6、 下载文件中如有侵权或不适当内容,请与我们联系,我们立即纠正。