

作品包括:
Word版说明书1份,共33页,约7100字
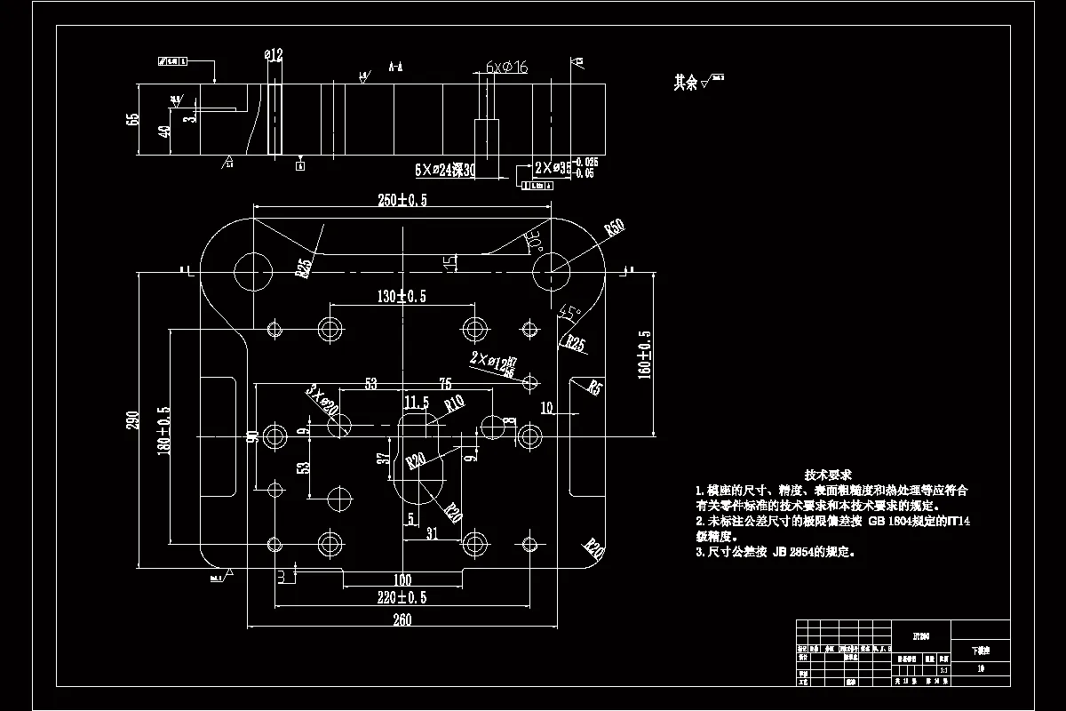
CAD版本图纸,共12张

摘要
现代工业当中,需要各种产业技术支撑,模具就是其中一种新型的产业技术,为工业快速发展做出巨大贡献,也为经济发展奠定了基矗模具技术是为一种衡量国家制造水平的重要因素,经过长期技术发展,如今用于各个领域中,特别是电子电器、汽车生产等方面,几乎都离开模具技术。国内模具技术也是不断成熟,能够满足国内企业生产需求,并且可以满足出口加工要求,我国已经是属于全球模具制造大国,相信在不久的将来,我们在模具制造领域也可以实现高端高精度模具的批量生产加工,引领全球模具技术发展。
本次设计的是支承座冲裁模具,为大批量加工要求,需要对本次零件做出工艺分析以及材料测绘,确定工序和工艺方案,计算成型零件的尺寸以及模具刃口尺寸,搭边数值,合理计算材料利用率,确保模具生产经济性要求,同时还要计算冲裁力数值,合理选用冲压机,最终完成图纸要求。
关键词:冲裁模具;支承座;利用率;经济性
目录
第一章绪论1
1.1模具概述与重要性1
1.2国内外模具发展分析1
1.3题目研究内容1
第二章冲压件工艺分析及计算3
2.1零件测绘分析3
2.2工艺方案和模具形式确定3
2.3展开尺寸的计算3
第三章排样设计及材料利用率计算4
3.1排样方式4
3.2横裁4
3.3纵裁5
第四章模具冲裁力计算与压力机选择7
4.1冲压力7
4.2压力中心的计算7
4.3压力机初选9
4.4凸、凹模刃口尺寸计算10
第五章模具结构总体设计13
5.1定位装置13
5.2卸料、推件、顶件装置13
5.3导向装置14
5.4凹模外形尺寸设计15
5.4选择模架16
第六章模具主要零件设计18
6.1凹模结构设计18
6.2冲孔凸模19
6.2凸模固定板20
6.3凸凹模21
6.4卸料板22
6.5模柄23
第七章模具的总装配25
模具装配图: 25
结束语27
致谢28
参考文献29
温馨提示:
1、题目前面的备注【字母数字编号】为本站整理分类的编号,与课题内容无关,请选题时忽视;
2、若题目上备注三维,则表示文件里包含三维源文件,由于三维组成零件数量较多,为保证预览截图的简洁性,本站将三维文件夹进行了打包。三维及CAD预览截图,均为本站电脑打开软件进行截图的,保证能够打开,下载原件超高清,下载后解压即可;
3、本站所有资源如无特殊说明,都需要本地电脑安装Office2007。图纸软件为AutoCAD,PROE,UG,SolidWorks,CATIA等;
4、本站所有图文资料仅供用户学习参考,不作为任何商用或其他用途;
5、本站不保证下载资源的准确性、安全性和完整性, 不包修改,不支持退换,同时也不承担用户因使用这些下载资源对自己和他人造成任何形式的伤害或损失;
6、 下载文件中如有侵权或不适当内容,请与我们联系,我们立即纠正。