

作品包括:
Word版说明书1份,共41页,约12000字
CAD版本图纸,共5张

摘要
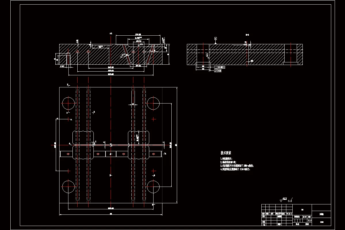
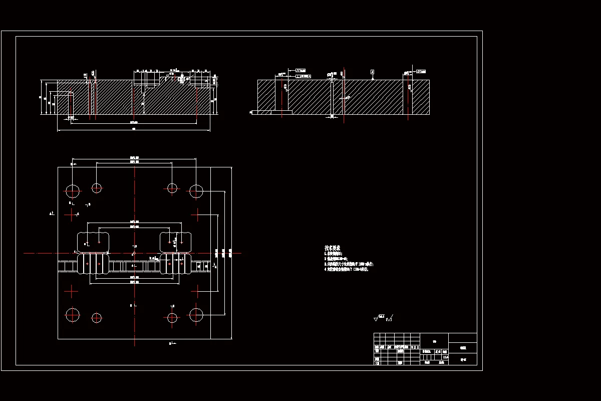
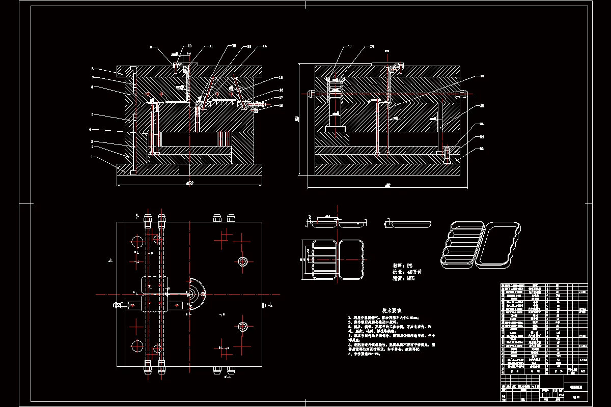
本次设计耳塞盒之前,首先进行了市场调研和分析,安耳悠耳塞盒作为放置耳塞的容器,携带方便,在市场上有较好的前景,具有研究价值;然后对塑件进行可行性分析,根据塑件结构特点,围绕模具各大系统提出三套方案,并选择出一套最佳方案;利用CAD软件对塑件进行分析,从而确定塑件的体积;通过大量的计算选用确定模具的结构,该模具特色是带有侧向抽芯机构,在本次设计中采用斜导柱加滑块的机构;利用Creo将CAD注塑模具绘制出来,并且保证各部分满足配合关系,最后根据CAD利用CAD进行二维的绘制和零件图的绘制。
温馨提示:
1、题目前面的备注【字母数字编号】为本站整理分类的编号,与课题内容无关,请选题时忽视;
2、若题目上备注三维,则表示文件里包含三维源文件,由于三维组成零件数量较多,为保证预览截图的简洁性,本站将三维文件夹进行了打包。三维及CAD预览截图,均为本站电脑打开软件进行截图的,保证能够打开,下载原件超高清,下载后解压即可;
3、本站所有资源如无特殊说明,都需要本地电脑安装Office2007。图纸软件为AutoCAD,PROE,UG,SolidWorks,CATIA等;
4、本站所有图文资料仅供用户学习参考,不作为任何商用或其他用途;
5、本站不保证下载资源的准确性、安全性和完整性, 不包修改,不支持退换,同时也不承担用户因使用这些下载资源对自己和他人造成任何形式的伤害或损失;
6、 下载文件中如有侵权或不适当内容,请与我们联系,我们立即纠正。