

作品包括:
Word版说明书1份,共41页
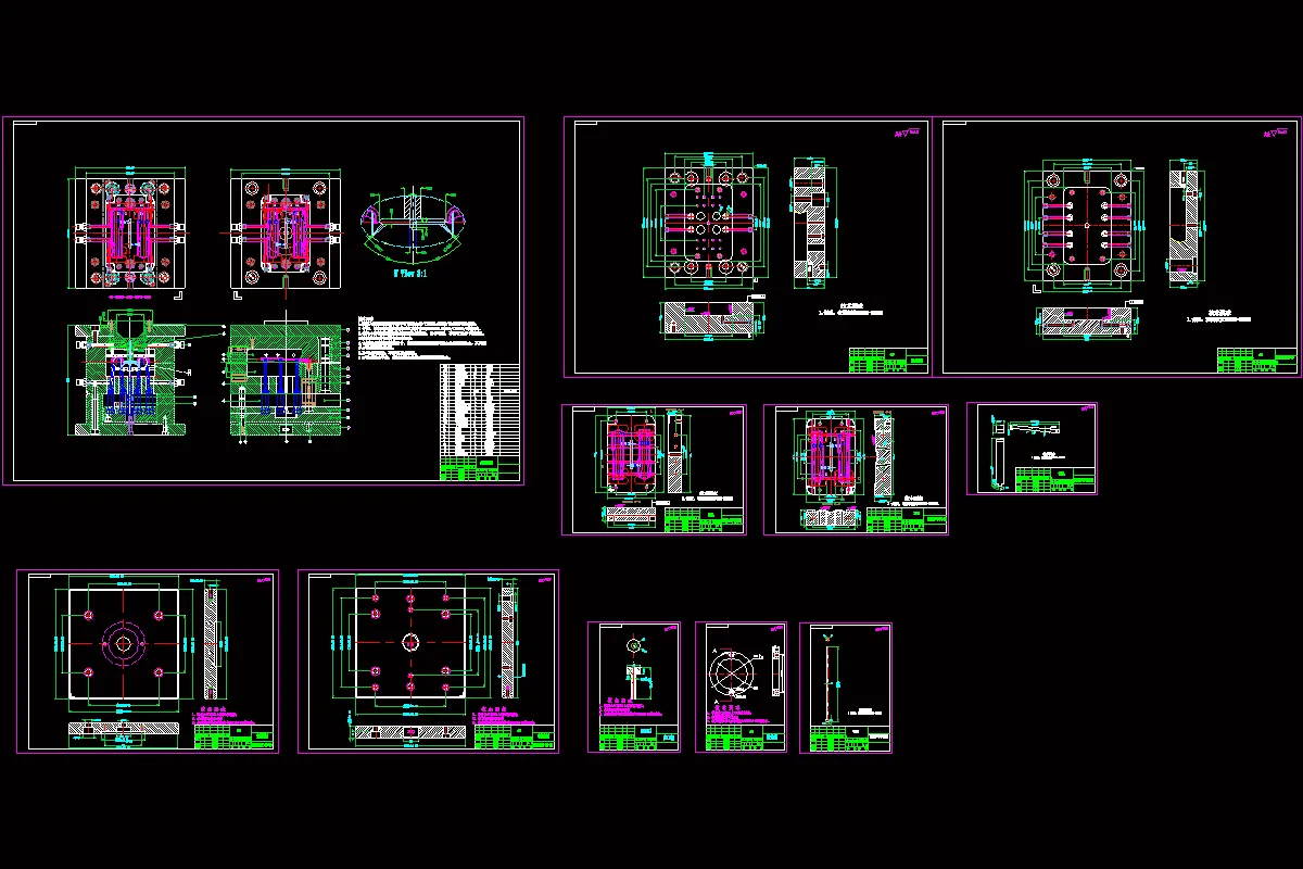
CAD版本图纸,共11张
摘要
随着各种性能优越的工程塑料的不断开发,工业、民业的各种塑料制品需要的不断增长,注塑工艺越来越多地用于制造领域成形各种性能要求的制品。而注塑模具的设计质量、注塑机应用等直接影响成形制品的生产效率、质量及成本。一副好的注射模具可成型上百万次,由于其寿命的延长,从另一方面降低了塑件的成型成本,并且好的模具由于更换,检修少,从而提高了其生产效率。为了满足日益发展的工业的要求和民需生活品的需要,我们应不断的研究开发,设计出能提高注射模性能的注射模,以满足各行各业的需要。
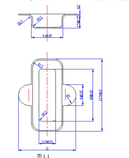
在本设计中,通过运用CAD对KL2进行一模2穴的设计开发,其中包括凸、凹模的设计、推出机构的设计、注射机的选择与校核、浇注系统的设计、冷却系统的设计、模架的选择等各项工作。在本设计中,设计的重点在成型零部件即凸、凹模的设计和浇注系统、冷却系统的设计。其中浇注系统和冷却系统的设计是一副模具的设计灵魂,浇注系统的设计直接影响着塑件的成型质量和生产效率[1]。因此,对浇注系统的设计是注射模具设计的重点工作。而与此同时,模具的温度对塑件的质量和生产效率也着直接的影响,模具温度的控制直接影响着模具的凝固时间和收缩内应力,从而影响模具的成型周期长短和塑件质量好坏,及其表面粗糙度等。在本设计中着重设计了凸、凹模尺寸、浇注系统和冷却系统的尺寸及其系统结构。通过本次设计,我们首先学习了解了我国塑料模具的现状和发展状况、注射模的基本结构和注射模成型工艺过程以及模具设计的基本原理。
本设计是KL2塑料零件的注塑模具设计,在结合了传统的机械设计后把CAD/CAM技术应用在注塑模具的设计上,在CAD系统实行了模型和注塑模具的设计。本文介绍了我国当前模具技术的发展状况以及CAD/CAM在模具上的应用,其中包括AUTOCAD。主要的机械部分设计,其内容包括塑料注塑模具的工作原理及应用,设计准则。塑料注塑模的设计计算,包括模具结构设计,注塑机的选用,浇注系统的设计,动、定模,浇注系统,脱模机构,顶出机构,冷却系统等设计等方面。如此设计出的结构可确保模具工作运行可靠。
温馨提示:
1、题目前面的备注【字母数字编号】为本站整理分类的编号,与课题内容无关,请选题时忽视;
2、若题目上备注三维,则表示文件里包含三维源文件,由于三维组成零件数量较多,为保证预览截图的简洁性,本站将三维文件夹进行了打包。三维及CAD预览截图,均为本站电脑打开软件进行截图的,保证能够打开,下载原件超高清,下载后解压即可;
3、本站所有资源如无特殊说明,都需要本地电脑安装Office2007。图纸软件为AutoCAD,PROE,UG,SolidWorks,CATIA等;
4、本站所有图文资料仅供用户学习参考,不作为任何商用或其他用途;
5、本站不保证下载资源的准确性、安全性和完整性, 不包修改,不支持退换,同时也不承担用户因使用这些下载资源对自己和他人造成任何形式的伤害或损失;
6、 下载文件中如有侵权或不适当内容,请与我们联系,我们立即纠正。