

作品包括:
Word版说明书1份,共48页,约10000字
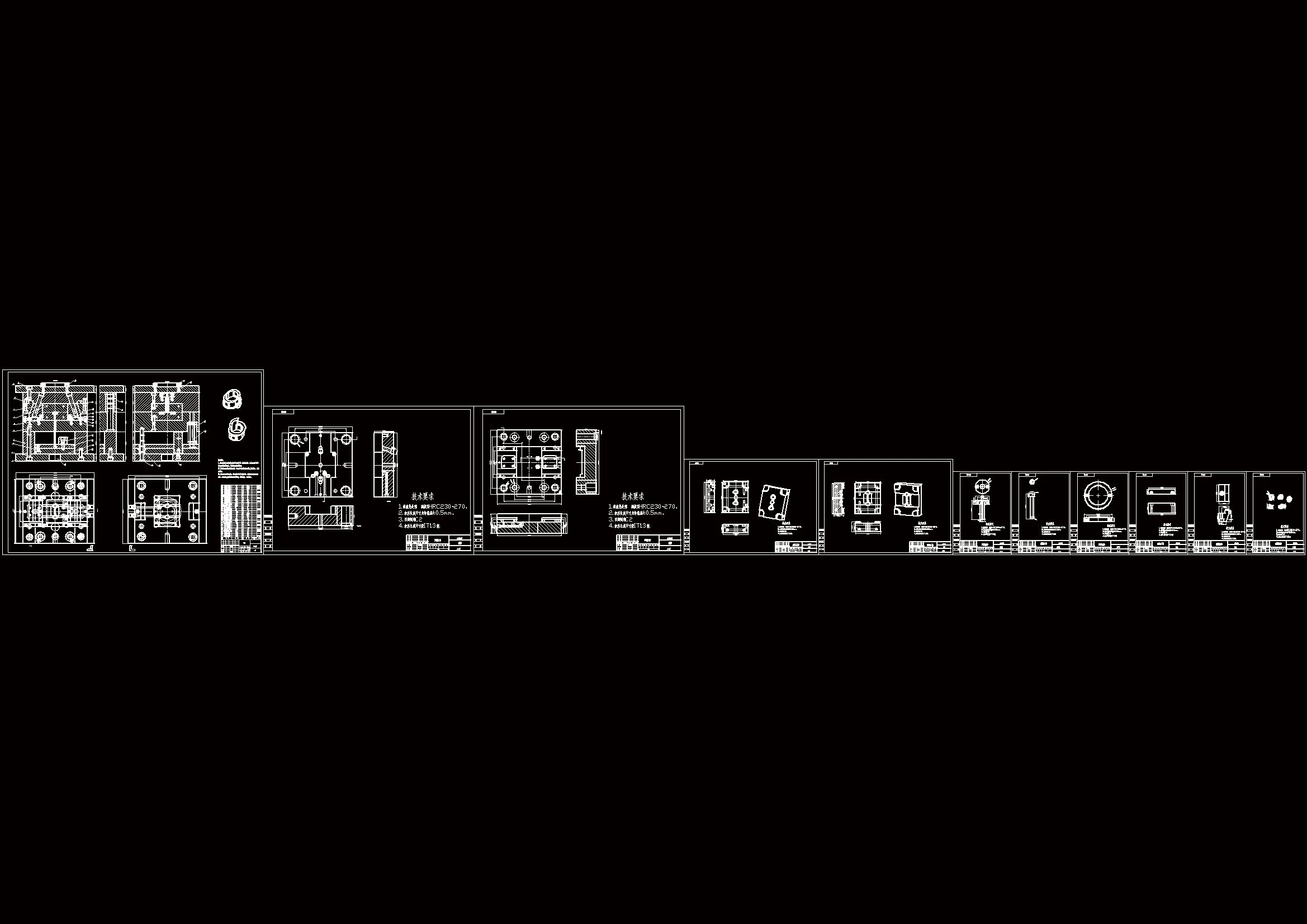
CAD版本图纸,共11张
Proe三维图一套
摘要
学习并了解无限路由器卡扣的外观要求和结构特点。从而知道产品的表面质量要求较高,外观需光洁美观。因此着重研究制品表面熔接痕的去除,翘曲的控制和型腔填充不足的避免等。通过软件对各个工艺参数进行优化,确定浇口的位置、模具的温度、保压时间和脱模形式等。从而使制品更加美观,结构强度更加合理,满足无线路由器这种产品的各种要求。借助Moldflow Plastics Insight 和Pro/E软件,设计并分析了无线路由器的模具。首先通过Moldflow Plastics Insight对最佳浇口位置进行分析,选择了合理的浇口位置,再运用其流动、冷却、翘曲分析,得到了合理的浇注系统和冷却系统设计方案。运用Pro/E及其插件EMX,设计优化了相应的模具结构,并选择合适的标准模架。通过一系列的分析计算,设计出了满足了这类制品表面要求较高、外部美观的要求,解决了型腔不能被填满、壁厚不均、容易产生翘曲等难题
温馨提示:
1、题目前面的备注【字母数字编号】为本站整理分类的编号,与课题内容无关,请选题时忽视;
2、若题目上备注三维,则表示文件里包含三维源文件,由于三维组成零件数量较多,为保证预览截图的简洁性,本站将三维文件夹进行了打包。三维及CAD预览截图,均为本站电脑打开软件进行截图的,保证能够打开,下载原件超高清,下载后解压即可;
3、本站所有资源如无特殊说明,都需要本地电脑安装Office2007。图纸软件为AutoCAD,PROE,UG,SolidWorks,CATIA等;
4、本站所有图文资料仅供用户学习参考,不作为任何商用或其他用途;
5、本站不保证下载资源的准确性、安全性和完整性, 不包修改,不支持退换,同时也不承担用户因使用这些下载资源对自己和他人造成任何形式的伤害或损失;
6、 下载文件中如有侵权或不适当内容,请与我们联系,我们立即纠正。