

作品包括:
Word版说明书1份,共42页,约19000字
CAD版本图纸,共15张

摘要
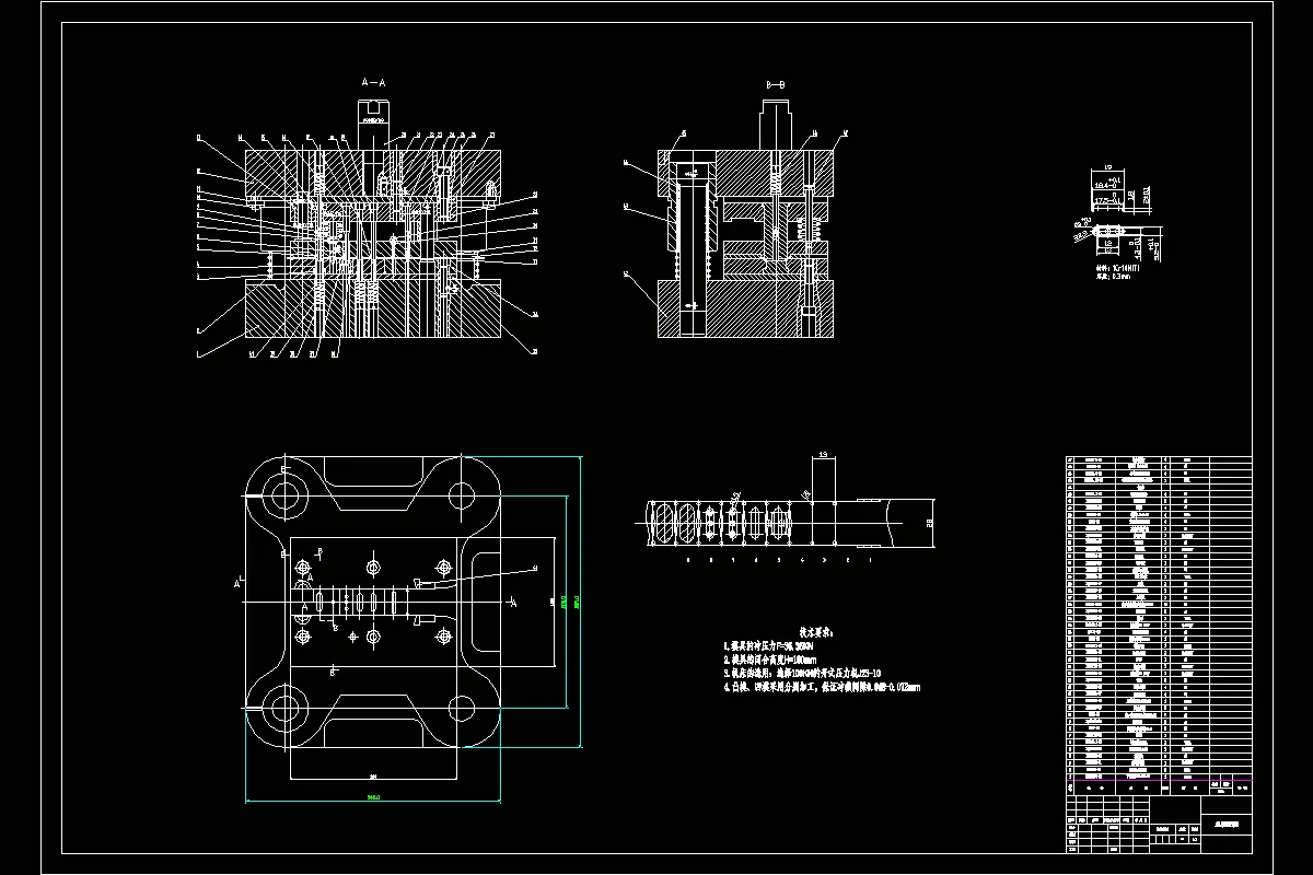
这篇设计说明书是对于外壳基座冲裁拉深级进模的设计,冲裁件外壳基座具有尺寸孝加工精度要求高、加工工艺复杂、生产批量大等特点。该模具是一个采用冲孔、翻边、拉深、落料等9个工位的级进模结构。在设计中首先要对工艺方案进行分析,确定正确的材料加工工艺,在计算和叙述结合的情况下,计算出凸凹模间隙值、模具工作尺寸和零件工作所需要的各种力,然后根据计算选择出合适的材料,并且对工作零件、定位零件、卸料零件、导向零件和安装固定零件等零件进行设计选择。在设计中最主要的难点是对模具凸模和凹模的结构设计,在设计中对于最后一个落料和翻边这样的复核工序中决定采用复合模加工,并对这个想法进行了分析和确定,最后确定了方案的可行性。在设计中,整合了这个大学四年的知识,并且对知识进行了加深和运用,对于以后的工作生活具有很大的意义。
温馨提示:
1、题目前面的备注【字母数字编号】为本站整理分类的编号,与课题内容无关,请选题时忽视;
2、若题目上备注三维,则表示文件里包含三维源文件,由于三维组成零件数量较多,为保证预览截图的简洁性,本站将三维文件夹进行了打包。三维及CAD预览截图,均为本站电脑打开软件进行截图的,保证能够打开,下载原件超高清,下载后解压即可;
3、本站所有资源如无特殊说明,都需要本地电脑安装Office2007。图纸软件为AutoCAD,PROE,UG,SolidWorks,CATIA等;
4、本站所有图文资料仅供用户学习参考,不作为任何商用或其他用途;
5、本站不保证下载资源的准确性、安全性和完整性, 不包修改,不支持退换,同时也不承担用户因使用这些下载资源对自己和他人造成任何形式的伤害或损失;
6、 下载文件中如有侵权或不适当内容,请与我们联系,我们立即纠正。