

作品包括:
Word版说明书1份,共39页,约17000字
PPT答辩一份
CAD版本图纸,共7张

摘要
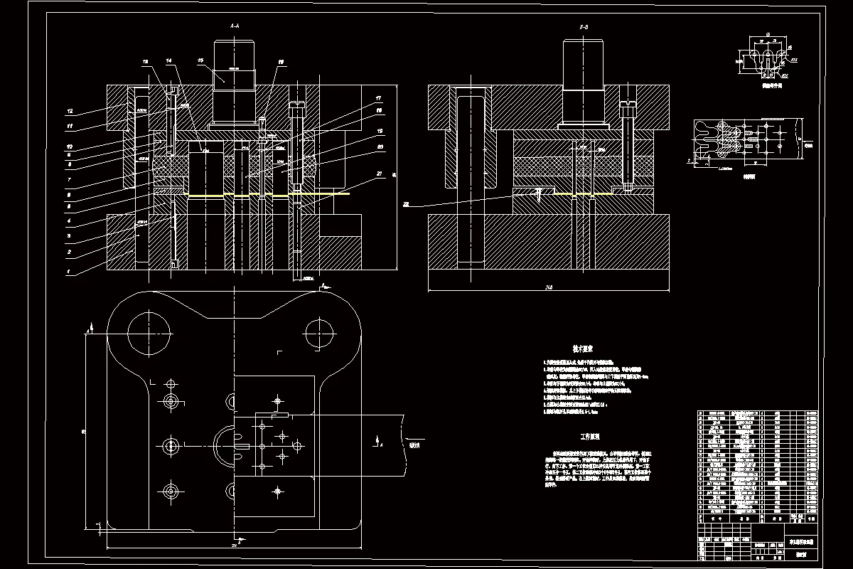
首先通过对锁垫零件的认识基础上,对于给定的锁垫零件进行工艺分析,由分析结果能得出能满足锁垫零件的所有冲压工艺方案,一一列举,通过对各种不同方案的优缺点进行比较,最终得到最佳的工艺方案。对选择的工艺方案进行必要的计算,设计出锁垫模具零件的形状、尺寸大小,和其标准件进行比较,进行标准件的选则。以此来确定模具的具体类型。
对于模具的冲裁间隙而言,必须确保合理,冲裁间隙的设计是否合理直接影响着锁垫零件的形状、尺寸误差、精度和模具的寿命。根据锁垫零件的加工材料从而确定模具的材料,对于模具材料而言,必须有足够的强度和力学性能,以保证模具可以正常运行,需要对模具零件的选用更加标准化。这样,模具零件在互换性方面才会更好,才能更符合工业的要求。
温馨提示:
1、题目前面的备注【字母数字编号】为本站整理分类的编号,与课题内容无关,请选题时忽视;
2、若题目上备注三维,则表示文件里包含三维源文件,由于三维组成零件数量较多,为保证预览截图的简洁性,本站将三维文件夹进行了打包。三维及CAD预览截图,均为本站电脑打开软件进行截图的,保证能够打开,下载原件超高清,下载后解压即可;
3、本站所有资源如无特殊说明,都需要本地电脑安装Office2007。图纸软件为AutoCAD,PROE,UG,SolidWorks,CATIA等;
4、本站所有图文资料仅供用户学习参考,不作为任何商用或其他用途;
5、本站不保证下载资源的准确性、安全性和完整性, 不包修改,不支持退换,同时也不承担用户因使用这些下载资源对自己和他人造成任何形式的伤害或损失;
6、 下载文件中如有侵权或不适当内容,请与我们联系,我们立即纠正。