

作品包括:
Word版设计说明书1份
CAD版本图纸,共4张
摘要
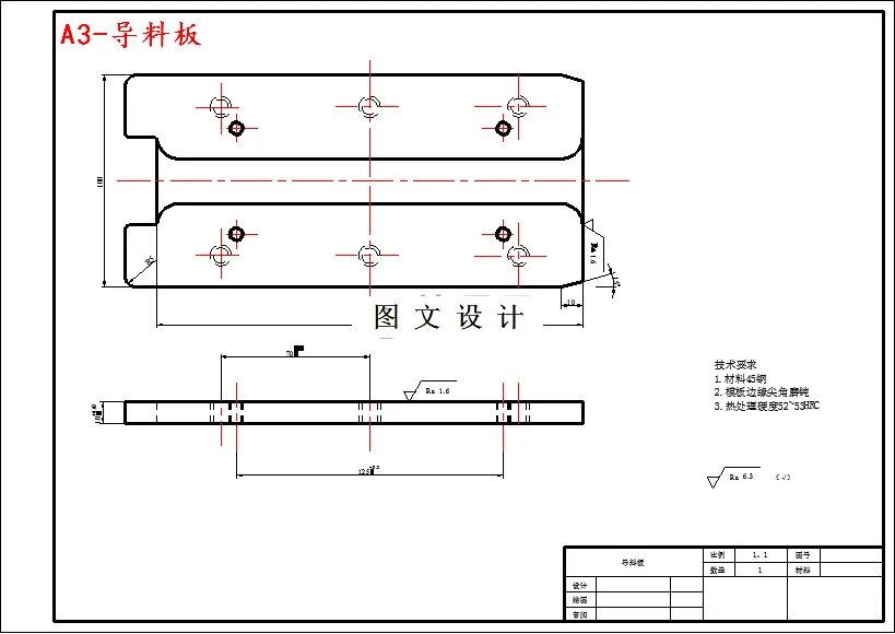
冲裁件的工艺性是指从冲压工艺方面来衡量设计是否合理。一般来讲,在满足工件使用要求的条件下,能以最简单最经济的方法将工件冲制出来,就说明该件的冲压工艺性好,否则,该件的工艺性就差。当然工艺性的好坏是相对的,它直接受到工厂的冲压技术水平和设备条件等因素的影响。以上要求是确定冲压件的结构,形状,尺寸等是确定冲裁件工艺实应性的主要因素。该冲裁剪结构较为简单,并在转角处有R3.5 mm的圆角,有三个直径1.4 mm的通孔和一个直径1.6 mm的通孔,比较适合冲裁。
温馨提示:
1、题目前面的备注【字母数字编号】为本站整理分类的编号,与课题内容无关,请选题时忽视;
2、若题目上备注三维,则表示文件里包含三维源文件,由于三维组成零件数量较多,为保证预览截图的简洁性,本站将三维文件夹进行了打包。三维及CAD预览截图,均为本站电脑打开软件进行截图的,保证能够打开,下载原件超高清,下载后解压即可;
3、本站所有资源如无特殊说明,都需要本地电脑安装Office2007。图纸软件为AutoCAD,PROE,UG,SolidWorks,CATIA等;
4、本站所有图文资料仅供用户学习参考,不作为任何商用或其他用途;
5、本站不保证下载资源的准确性、安全性和完整性, 不包修改,不支持退换,同时也不承担用户因使用这些下载资源对自己和他人造成任何形式的伤害或损失;
6、 下载文件中如有侵权或不适当内容,请与我们联系,我们立即纠正。