

作品包括:
Word版设计说明书1份
CAD版本图纸,共5张
摘要
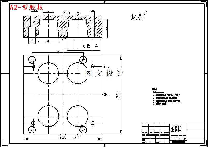
本设计首先分析塑料杯的结构设计、性能和工艺要求,确定塑件材料。然后对塑件结构进行工艺性分析,确定了分型面、浇注系统等,选取合适的注塑机型号,设计了1模4腔注射模。介绍该塑件的注射模具设计,重点介绍型芯、型腔等工作零部件的工作尺寸计算和结构设计,对浇注系统及拉料杆的设计也做了详细介绍,介绍了模具工作过程。在实际应用中模具动作平稳可靠,生产的塑件符合设计和使用要求。最后分析模具的工作原理,确定此设计结构的可靠性,并运用AutoCAD绘制了一套模具装配图和部分零件图。
温馨提示:
1、题目前面的备注【字母数字编号】为本站整理分类的编号,与课题内容无关,请选题时忽视;
2、若题目上备注三维,则表示文件里包含三维源文件,由于三维组成零件数量较多,为保证预览截图的简洁性,本站将三维文件夹进行了打包。三维及CAD预览截图,均为本站电脑打开软件进行截图的,保证能够打开,下载原件超高清,下载后解压即可;
3、本站所有资源如无特殊说明,都需要本地电脑安装Office2007。图纸软件为AutoCAD,PROE,UG,SolidWorks,CATIA等;
4、本站所有图文资料仅供用户学习参考,不作为任何商用或其他用途;
5、本站不保证下载资源的准确性、安全性和完整性, 不包修改,不支持退换,同时也不承担用户因使用这些下载资源对自己和他人造成任何形式的伤害或损失;
6、 下载文件中如有侵权或不适当内容,请与我们联系,我们立即纠正。